GM Service Manual Online
For 1990-2009 cars only
Figure 1:

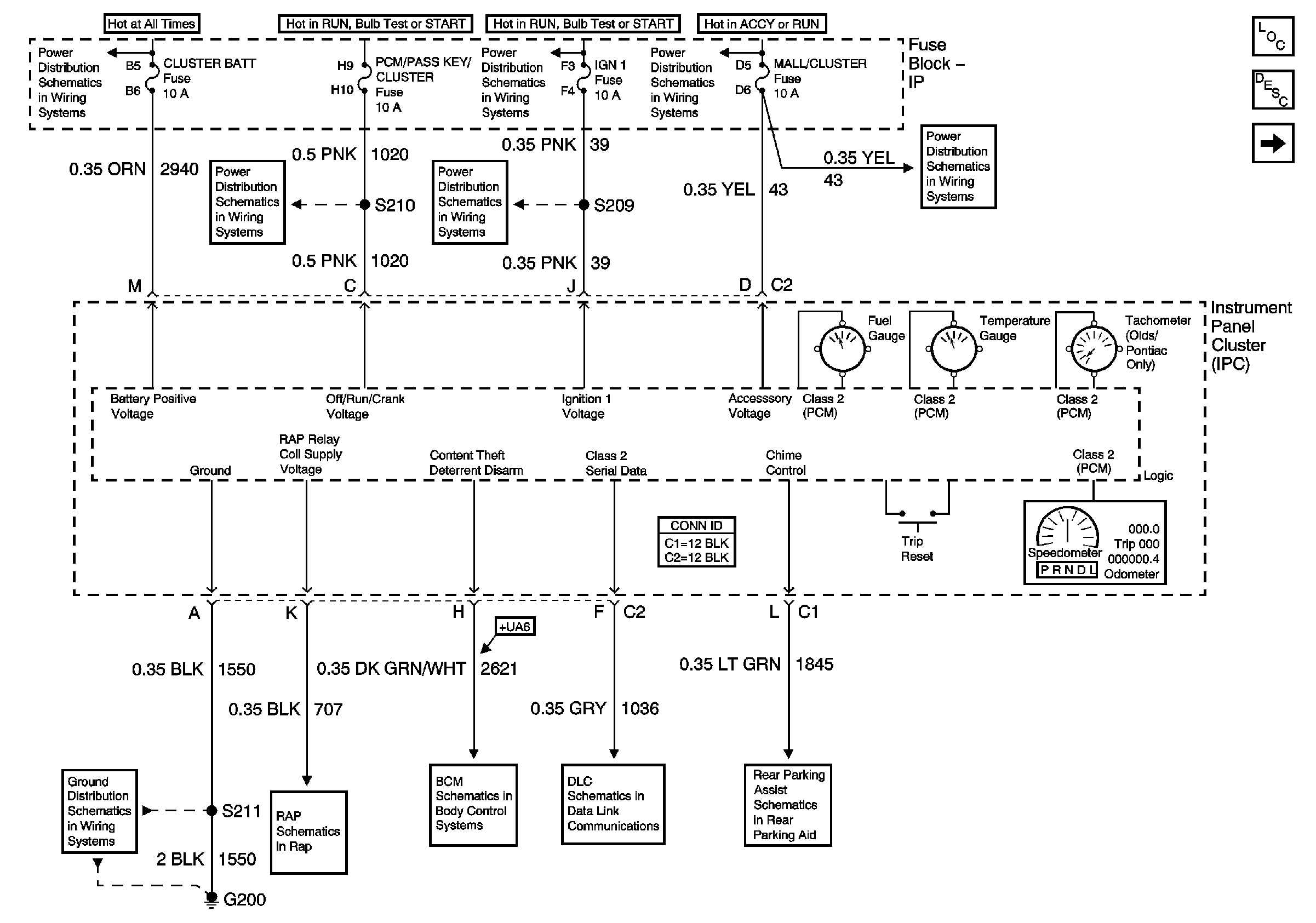
Power, Ground, Class 2 Line and Gages


Object Number: 797078  Size: FS
Master Electrical Component List
Instrument Cluster Description and Operation
Hardwire Indicators
BATT Main 1 and Fuse Block - I/P Fuses
IGN Main 1, SDM, T/SIG, CRUISE and PCM PASS KEY/CLUSTER Fuses
IGN Main 1, SDM, T/SIG, CRUISE and PCM PASS KEY/CLUSTER Fuses
IGN Main 1, SDM, T/SIG, CRUISE and PCM PASS KEY/CLUSTER Fuses
IGN Main 2, BCM PRGRM, RR WPR/WSHR, MALL/CLUSTER and FRT/WPR/WSHR Fuses
IGN Main 2, BCM PRGRM, RR WPR/WSHR, MALL/CLUSTER and FRT/WPR/WSHR Fuses
G200, Page 3 of 3
Retained Accessory Power (RAP)
Interior Lights On Request and Horn Control
Data Link Connector (DLC) Schematics
Rear Object Sensor Control Module, Power and Ground
Figure 2:

Hardwire Indicators


Object Number: 797080  Size: FS
Master Electrical Component List
Instrument Cluster Description and Operation
Class 2 Telltales
Power, Ground, Class 2 Data Line and Gages
IPC DOOR AJAR Telltale
I/P REAR HATCH AJAR Telltale
Figure 3:

Class 2 Telltales


Object Number: 797079  Size: FS
Master Electrical Component List
Instrument Cluster Description and Operation
Sensors and Switches
Hardwire Indicators
Marker, Front Park, and Rear Turn Signals Lamps, and Turn Indicators
Headlamps
Marker, Front Park, and Rear Turn Signals Lamps, and Turn Indicators
Heater-AC Control Switches and Instrument Panel Cluster (IPC)
G200, Page 1 of 3
Seat Belts
Hydraulic Brakes Warning System Schematics
Hydraulic Brakes Warning System Schematics
Module Power, Ground, Serial Data, and MIL
Hazard Lamp/Turn Signal Flasher and Turn Signal Switch
Rear Fog Lights, Page 1 of 2
Fog Lights
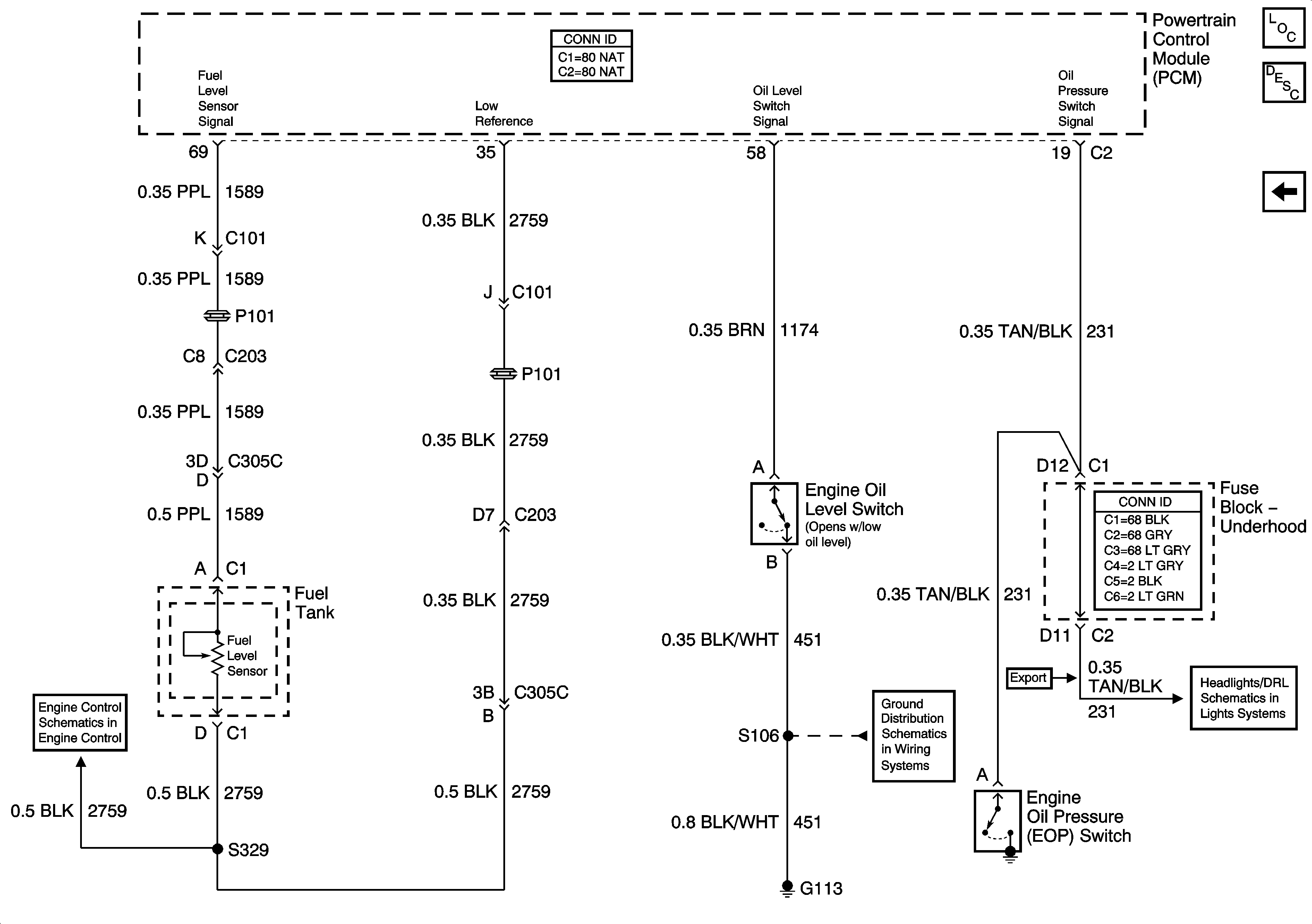
Figure 4:

Sensors and Switches


Object Number: 797161  Size: FS
Master Electrical Component List
Instrument Cluster Description and Operation
Class 2 Telltales
Fuel Controls - EVAP Controls
G101, G111, and G113
Daytime Running Lamp Control Module