GM Service Manual Online
For 1990-2009 cars only
Figure 1:

Data Link, Ground, Indicator, Power, and Sensors


Object Number: 1829542  Size: FS
Master Electrical Component List
SIR System Description and Operation
Control Module References
Deployment Loops
SIR Schematic Icons
SIR Schematic Icons
BCM Fuse (Underhood Fuse Block), DR LCK, ECM/TCM, INT LIGHT, PWR WNDW, RDO, and SDM Fuses, DOOR LOCK PCB , DOOR UNLOCK PCB, DR DOOR UNLOCK PCB, INADVERTENT LOAD CONTROL PCB, and RAP Relays (BCM)
ABS, BCK/UP LAMP, CAN VENT, ECM/TRANS, I/P IGN, and OUTLET Fuses, and RUN/CRNK Relay (Underhood Fuse Block), AIRBAG, EPS/STR WHL CNTRL, HVAC/IP IGN, and WPR Fuses (Body Control Module (BCM))
ABS, BCK/UP LAMP, CAN VENT, ECM/TRANS, I/P IGN, and OUTLET Fuses, and RUN/CRNK Relay (Underhood Fuse Block), AIRBAG, EPS/STR WHL CNTRL, HVAC/IP IGN, and WPR Fuses (Body Control Module (BCM))
Low Speed LAN
G103, G304, G105, G104, and G106
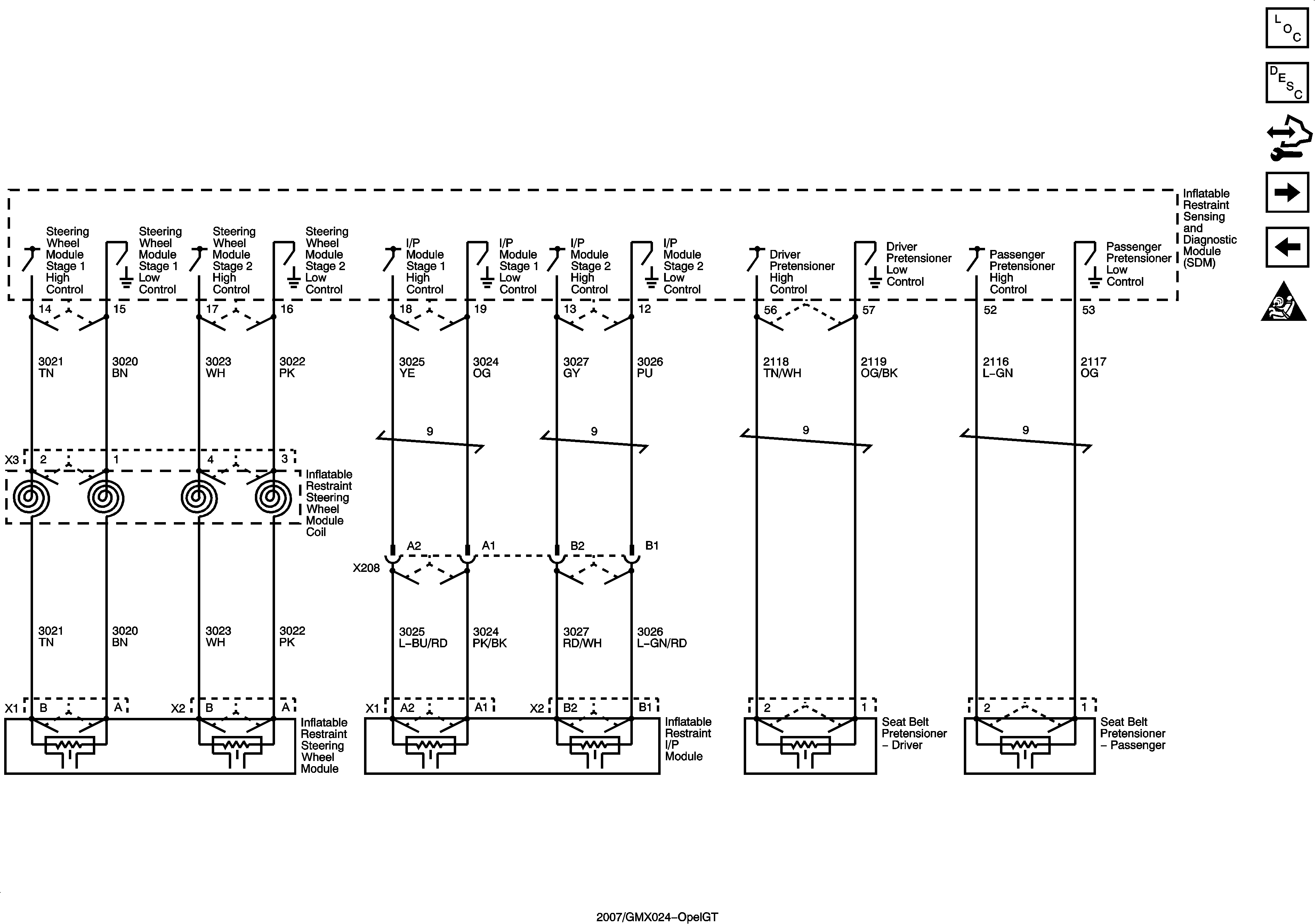
Figure 2:

Deployment Loops


Object Number: 1829546  Size: FS
Master Electrical Component List
SIR System Description and Operation
Control Module References
Passenger Presence System (PPS)
Data Link, Ground, Indicator, Power, and Sensors
SIR Schematic Icons
SIR Schematic Icons
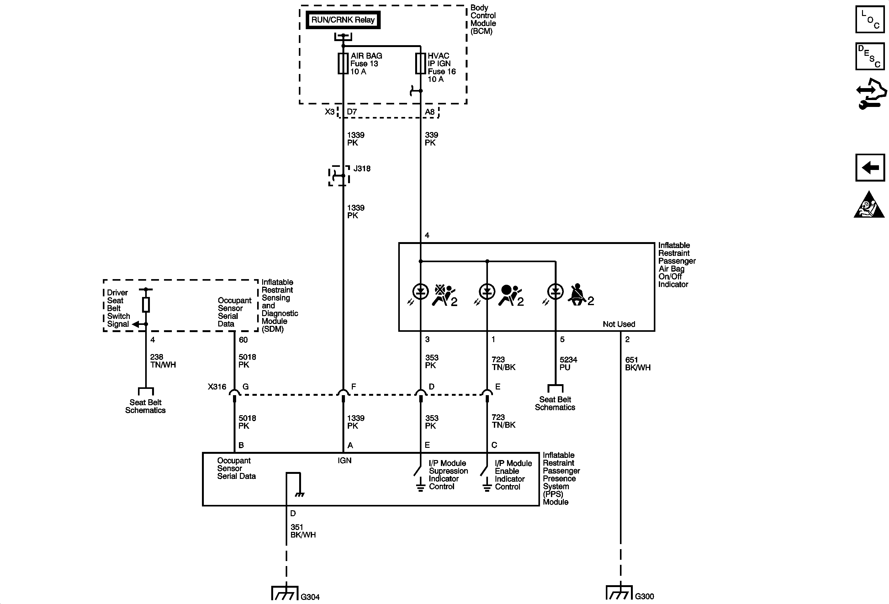
Figure 3:

Passenger Presence System (PPS)


Object Number: 1829550  Size: FS
Master Electrical Component List
SIR System Description and Operation
Control Module References
Deployment Loops
SIR Schematic Icons
ABS, BCK/UP LAMP, CAN VENT, ECM/TRANS, I/P IGN, and OUTLET Fuses, and RUN/CRNK Relay (Underhood Fuse Block), AIRBAG, EPS/STR WHL CNTRL, HVAC/IP IGN, and WPR Fuses (Body Control Module (BCM))
ABS, BCK/UP LAMP, CAN VENT, ECM/TRANS, I/P IGN, and OUTLET Fuses, and RUN/CRNK Relay (Underhood Fuse Block), AIRBAG, EPS/STR WHL CNTRL, HVAC/IP IGN, and WPR Fuses (Body Control Module (BCM))
G103, G304, G105, G104, and G106
G300 - 2 of 2
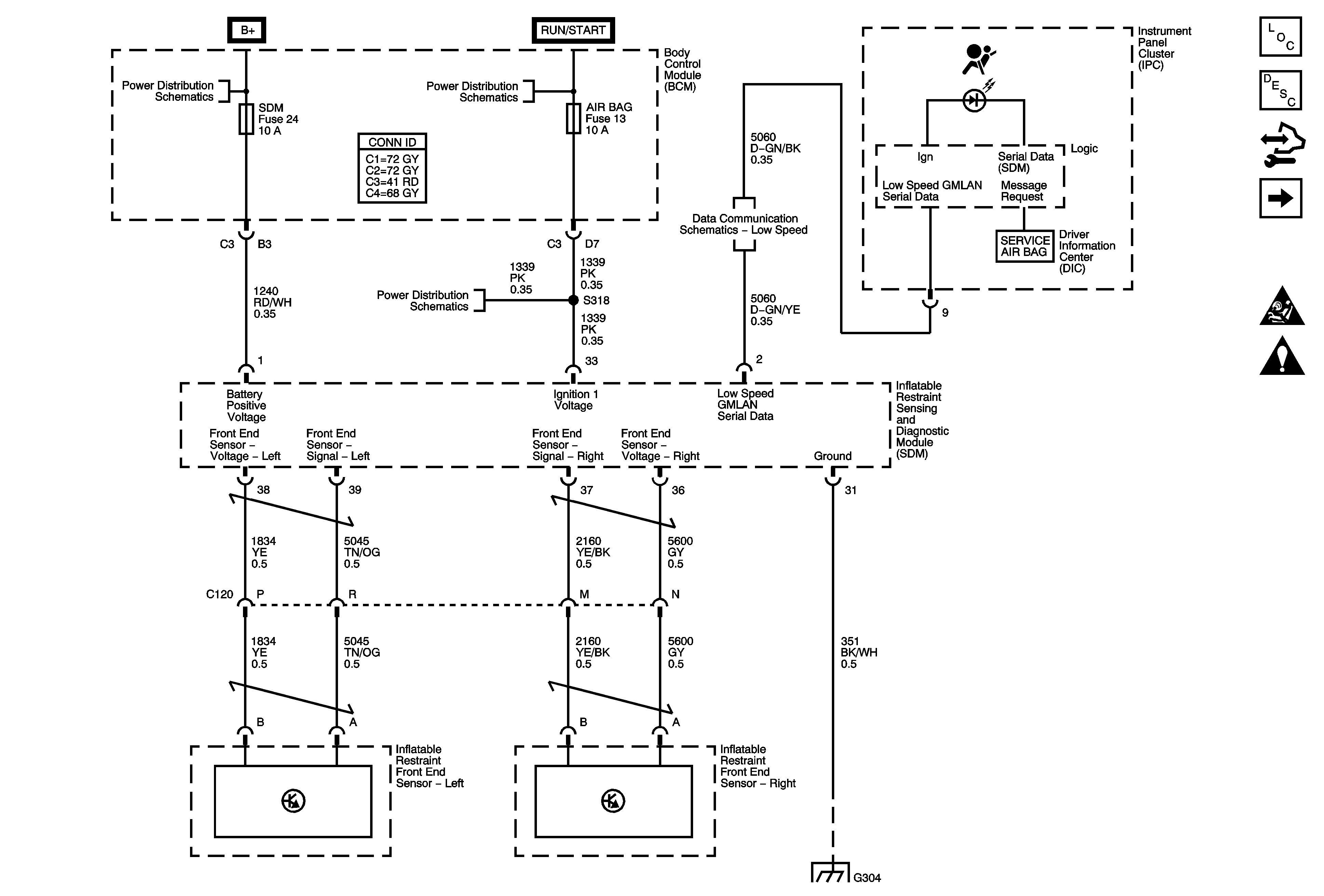
Figure 1:

Data Link, Ground, Indicator, Power, and Sensors


Object Number: 1871224  Size: FS
Master Electrical Component List
SIR System Description and Operation
Control Module References
Deployment Loops
SIR Schematic Icons
WINDOWS, DOOR LKS, INT LPS, ECM/TCM, RADIO, and SDM Fuses
TANK VENT, OUTLET, IP IGN, BACKUP, ABS, and ECM TRANS Fuses
Data Communication Schematics
G103, G304, G105, G104, and G106
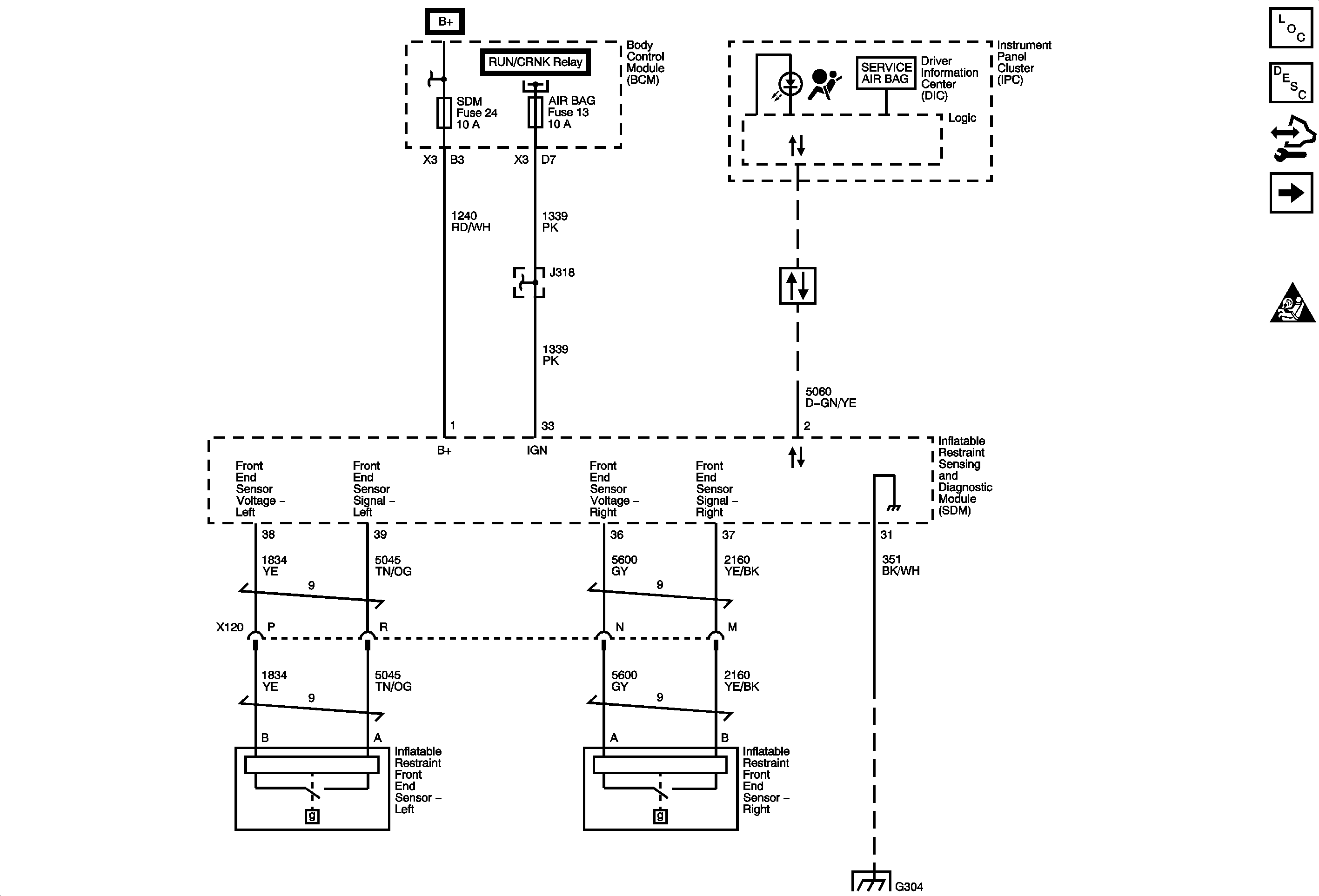
Figure 2:

Deployment Loops


Object Number: 1855905  Size: FS
Master Electrical Component List
SIR System Description and Operation
Control Module References
Passenger Presence System (PPS)
Data Link, Ground, Indicator, Power, and Sensors
SIR Schematic Icons
Figure 3:

Passenger Presence System (PPS)


Object Number: 1871226  Size: FS
Master Electrical Component List
SIR System Description and Operation
Control Module References
Deployment Loops
TANK VENT, OUTLET, IP IGN, BACKUP, ABS, and ECM TRANS Fuses
G103, G304, G105, G104, and G106
G300 - 2 of 2