GM Service Manual Online
For 1990-2009 cars only
Makes
🢒
Pontiac
🢒
2007
🢒
Solstice
🢒 Base Radio
Base Radio
Base Radio
Master Electrical Component List
Radio/Audio System Description and Operation
Control Module References
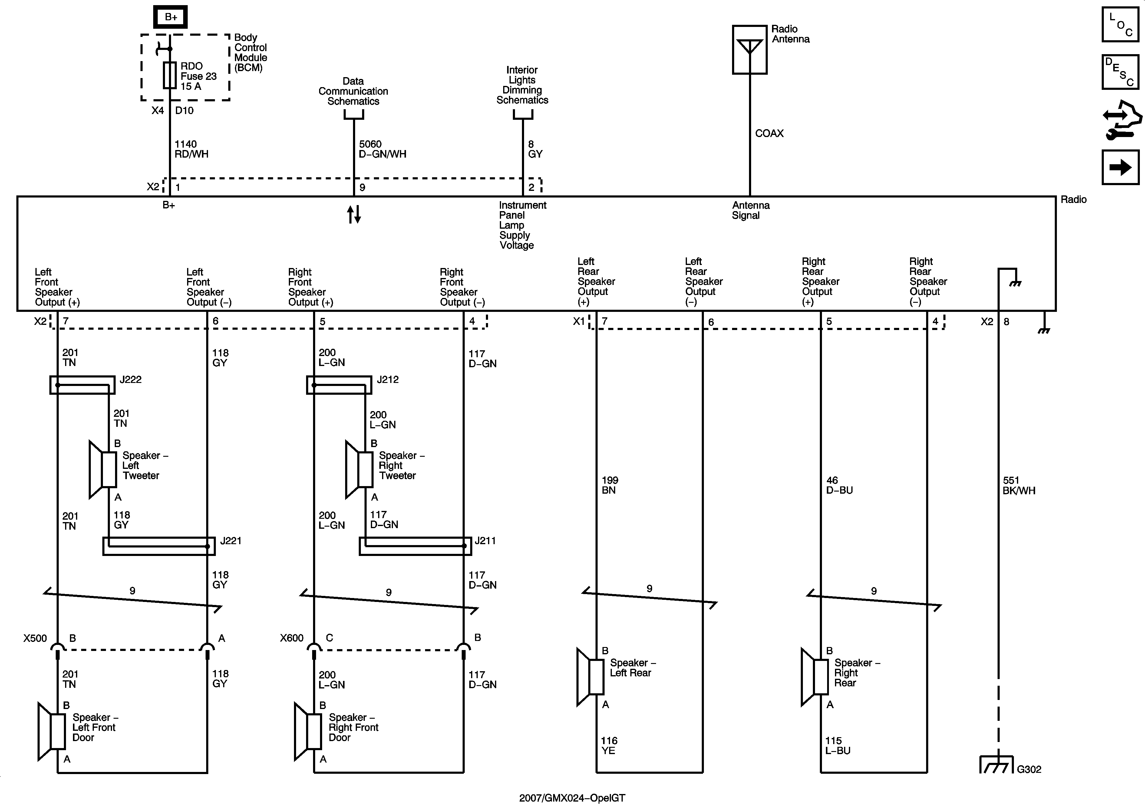
Uplevel Radio - 1 of 2
WINDOWS, DOOR LKS, INT LPS, ECM/TCM, RADIO, and SDM Fuses
Low Speed LAN
Lights
G301, G102, G303, and G402