GM Service Manual Online
For 1990-2009 cars only
Makes
🢒
Pontiac
🢒
1999
🢒
Sunfire
🢒 Ignition Controls
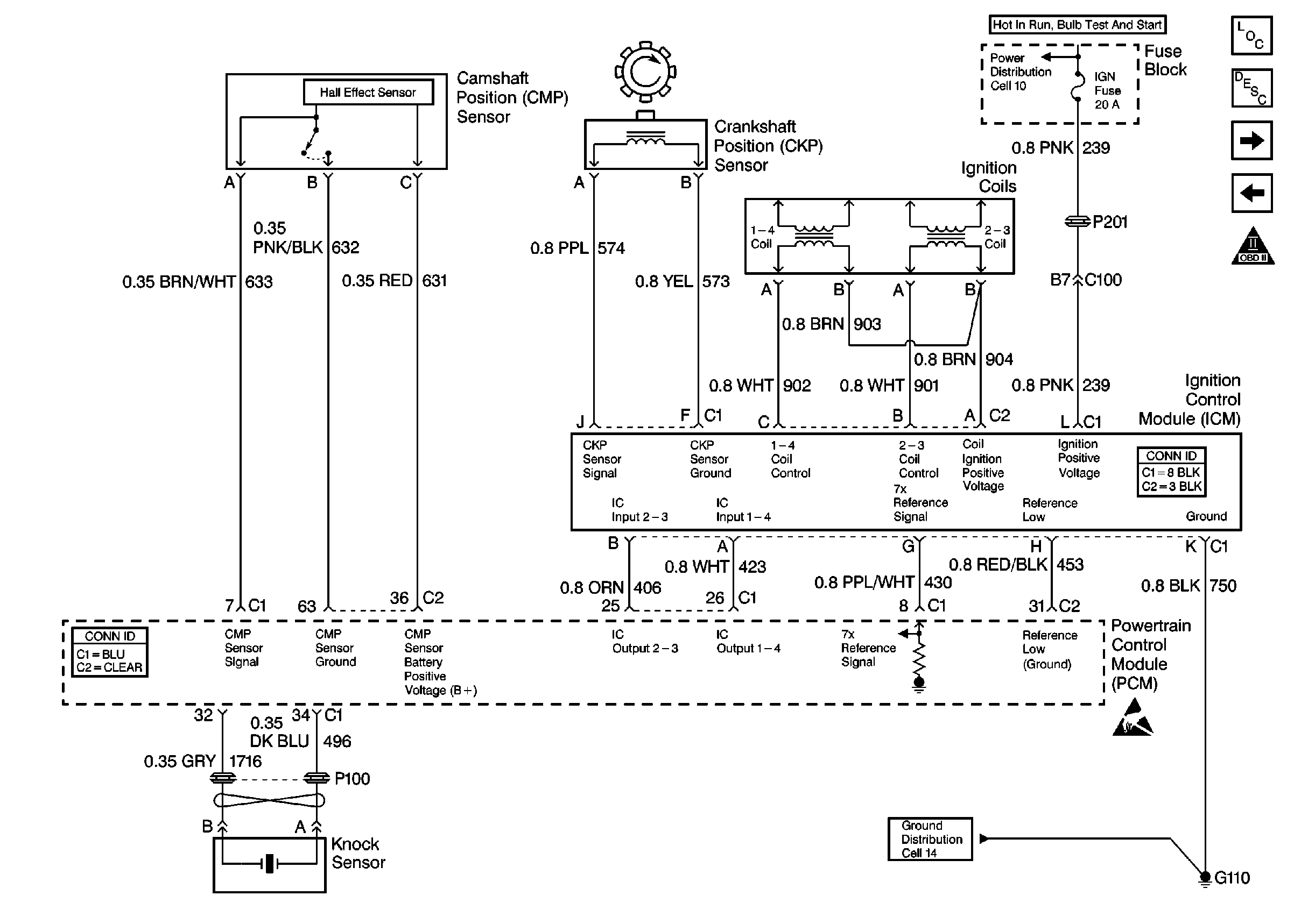
Ignition Controls
Ignition Controls
Engine Controls Components
Information Sensors/Switches Description
Fuel Controls
Power, Ground, MIL, and DLC
OBD II Symbol Description Notice
Power Distribution Schematics
Ground Distribution Schematics
Powertrain Control Module Connector End Views
Instrument Panel, Gages, and Console Connector End Views
Handling ESD Sensitive Parts Notice