GM Service Manual Online
For 1990-2009 cars only
Figure 1:

Power, Ground, DLC and BCM


Object Number: 528866  Size: FS
Engine Controls Components
Powertrain Control Module Description
Power, Ground, KS, CMP, CKP and Coils
OBD II Symbol Description Notice
LT HDLP, CIG, HORN, CLUSTER, EXT LAMP, and FOG LP Fuses
PCM, BLO, and A/C Fuses
Instrument Cluster: Analog Schematics
LT HDLP, CIG, HORN, CLUSTER, EXT LAMP, and FOG LP Fuses
G204 (1 of 2)
G110
Handling ESD Sensitive Parts Notice
Handling ESD Sensitive Parts Notice
Handling ESD Sensitive Parts Notice
Figure 2:

Power, Ground, KS, CMP, CKP and Coils


Object Number: 528885  Size: FS
Engine Controls Components
Powertrain Control Module Description
Engine Data Sensors
Power, Ground, DLC and BCM
OBD II Symbol Description Notice
TURN-B/U, IGN, PCM IGN, and BCM/CLSTR Fuses
G112 and G106
Handling ESD Sensitive Parts Notice
Figure 3:

Engine Data Sensors


Object Number: 528915  Size: FS
Engine Controls Components
Powertrain Control Module Description
Power, Ground, Injectors, and Fuel Pump
Power, Ground, KS, CMP, CKP and Coils
OBD II Symbol Description Notice
Handling ESD Sensitive Parts Notice
Handling ESD Sensitive Parts Notice
Power, Ground, Injectors, and Fuel Pump
Figure 4:

Power, Ground, Injectors, and Fuel Pump


Object Number: 528920  Size: FS
Engine Controls Components
Powertrain Control Module Description
Power, Ground, and O2 Sensors
Engine Data Sensors
OBD II Symbol Description Notice
G304 (2 of 2)
Engine Data Sensors
Handling ESD Sensitive Parts Notice
Ignition Switch, F/P -INJ, SIR, CRUISE, and ABS Fuses
G110
Handling ESD Sensitive Parts Notice
Figure 5:

Power, Ground, and O2 Sensors


Object Number: 529062  Size: FS
Engine Controls Component Views
Information Sensors/Switches Description
Power, Ground and EVAP
Power, Ground, Injectors, and Fuel Pump
HVAC, O2 HTR, and PWR WDO/SUNROOF Fuses
G112 and G106
Handling ESD Sensitive Parts Notice
Figure 6:

Power, Ground and EVAP


Object Number: 528927  Size: FS
Engine Controls Components
Powertrain Control Module Description
Power, Ground, IAC, Generator and PNP Switch
Power, Ground, and O2 Sensors
OBD II Symbol Description Notice
ALARM, and ERLS Fuses
ALARM, and ERLS Fuses
Handling ESD Sensitive Parts Notice
ALARM, and ERLS Fuses
Figure 7:

Power, Ground, IAC, Generator and PNP Switch


Object Number: 528932  Size: FS
Engine Controls Components
Powertrain Control Module Description
Cruise Control Module and VSS
Power, Ground and EVAP
OBD II Symbol Description Notice
G110
Handling ESD Sensitive Parts Notice
Figure 8:

Cruise Control Module and VSS


Object Number: 529038  Size: FS
Engine Controls Components
Powertrain Control Module Description
Power, Ground and A/C Compressor Clutch
Power, Ground, IAC, Generator and PNP Switch
OBD II Symbol Description Notice
Handling ESD Sensitive Parts Notice
Handling ESD Sensitive Parts Notice
Figure 9:

Power, Ground and A/C Compressor Clutch


Object Number: 529045  Size: FS
Engine Controls Components
Powertrain Control Module Description
Automatic Transaxle
Cruise Control Module and VSS
OBD II Symbol Description Notice
PCM, BLO, and A/C Fuses
G112 and G106
ALARM, and ERLS Fuses
ALARM, and ERLS Fuses
Handling ESD Sensitive Parts Notice
Figure 10:

Automatic Transaxle


Object Number: 529044  Size: FS
Engine Controls Components
Powertrain Control Module Description
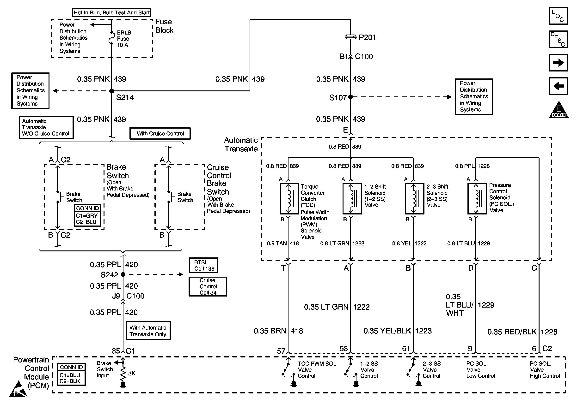
Power, Ground, Cruise, Brake and Transmission
Power, Ground and A/C Compressor Clutch
OBD II Symbol Description Notice
Handling ESD Sensitive Parts Notice
Handling ESD Sensitive Parts Notice
Figure 11:

Power, Ground, Cruise, Brake and Transmission


Object Number: 528911  Size: FS
Engine Controls Components
Powertrain Control Module Description
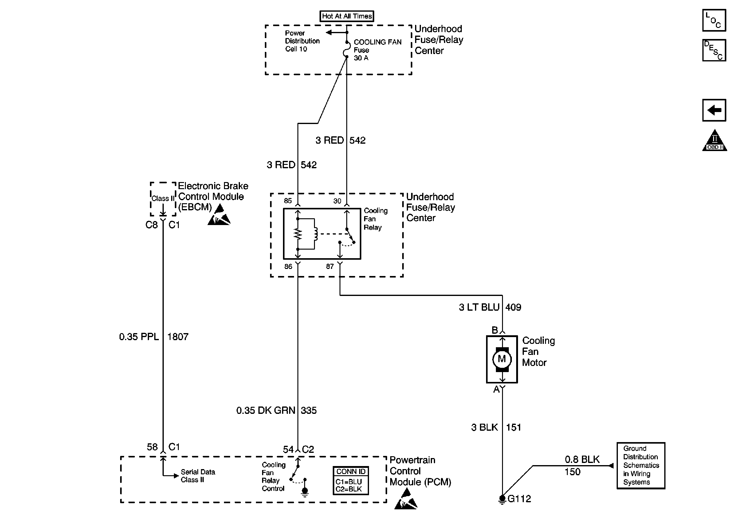
Power, Ground, EBCM and Cooling Fan Motor
Automatic Transaxle
OBD II Symbol Description Notice
ALARM, and ERLS Fuses
ALARM, and ERLS Fuses
Cruise Control Schematics
Handling ESD Sensitive Parts Notice
ALARM, and ERLS Fuses
Figure 12:

Power, Ground, EBCM and Cooling Fan Motor


Object Number: 529051  Size: FS
Engine Controls Components
Powertrain Control Module Description
Power, Ground, Cruise, Brake and Transmission
OBD II Symbol Description Notice
Cooling Fan, BATT1, BATT2, IGN, PCM/HVAC and ABS Fuses
G112 and G106
Handling ESD Sensitive Parts Notice
Handling ESD Sensitive Parts Notice