GM Service Manual Online
For 1990-2009 cars only
Makes
🢒
Pontiac
🢒
2001
🢒
Sunfire
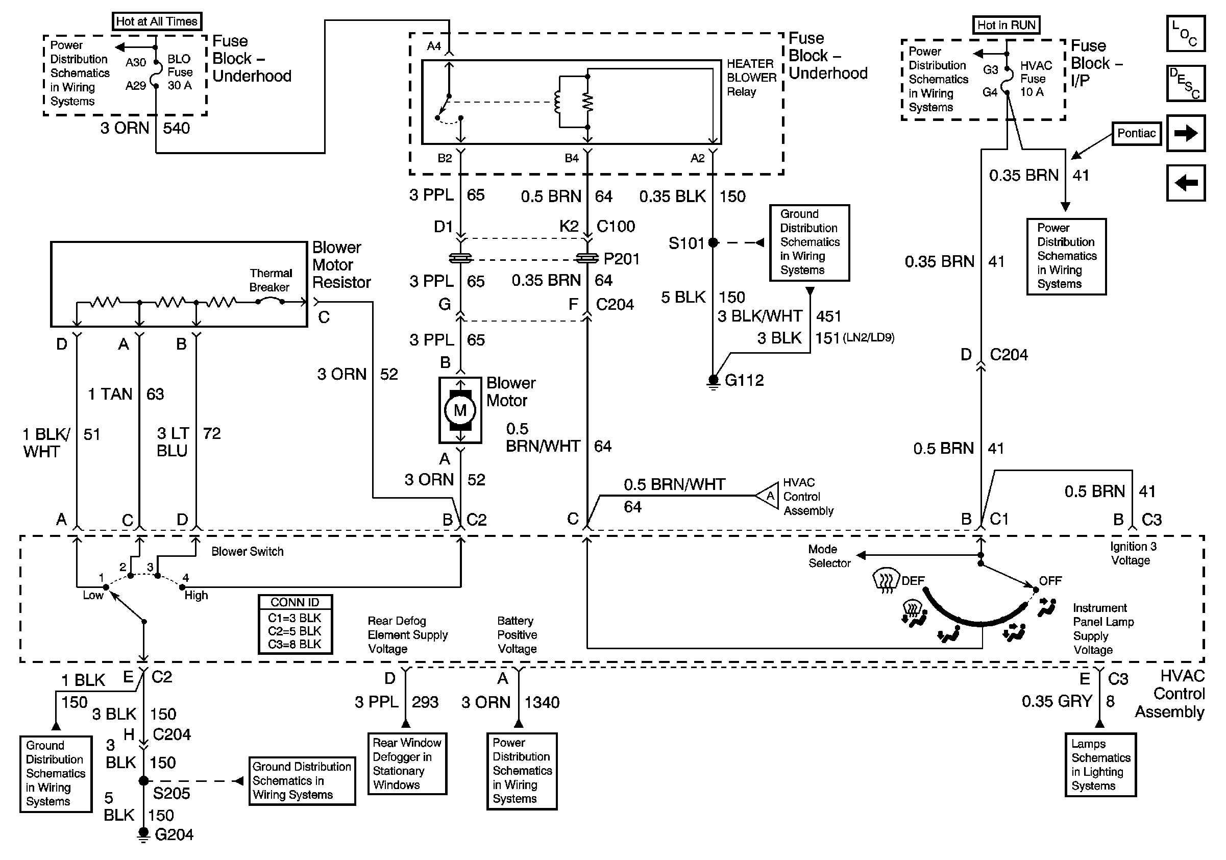
🢒 Blower Controls
Blower Controls
Blower Controls
Master Electrical Component List
Air Delivery Description and Operation
A/C Compressor Clutch Relay
A/C Switches and Sensor
I/P Fuse Block ERLS Fuse
G112