GM Service Manual Online
For 1990-2009 cars only
Makes
🢒
Pontiac
🢒
2007
🢒
Torrent
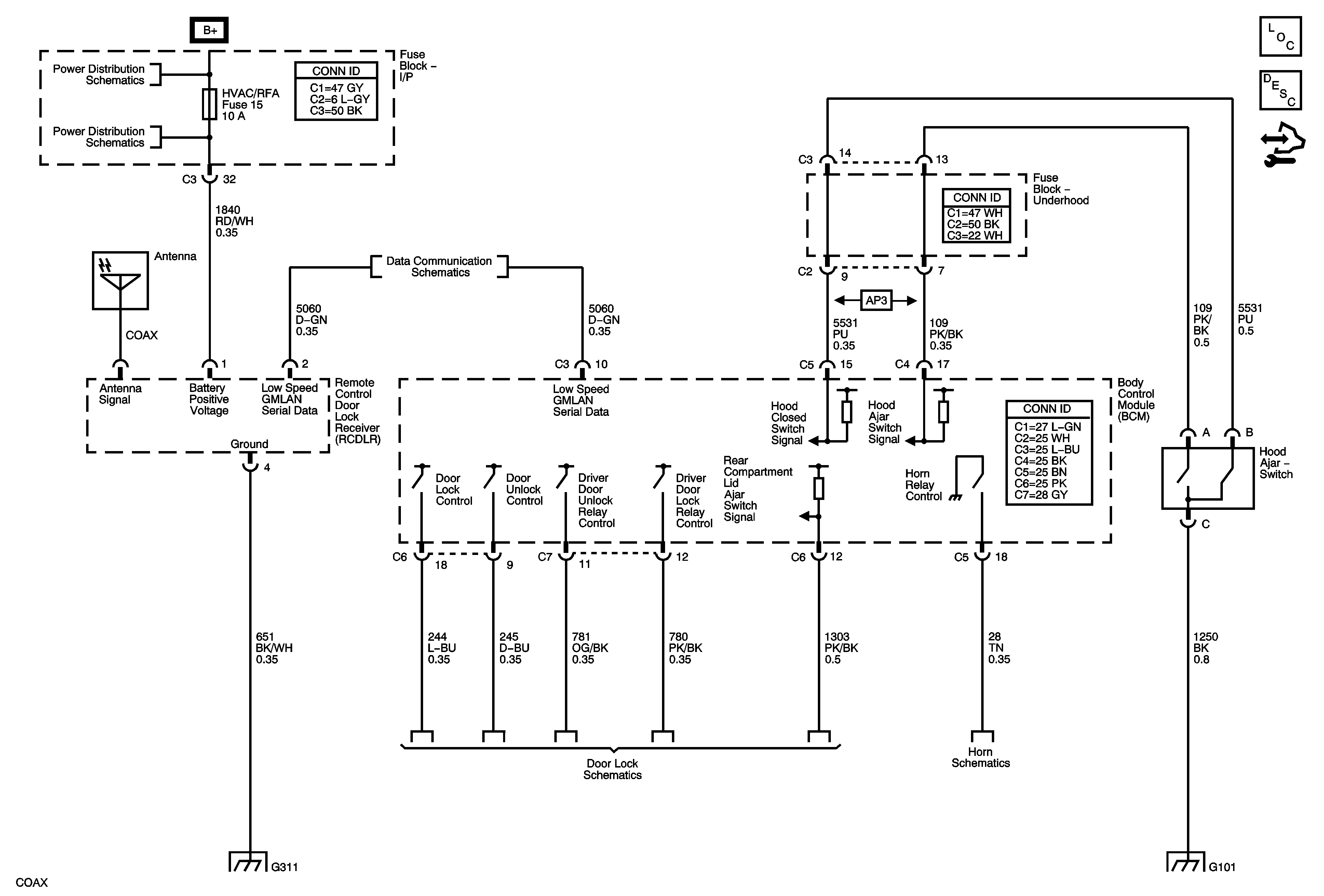
🢒 Remote Functions Schematics
Remote Functions Schematics
Master Electrical Component List
Keyless Entry System Description and Operation
Control Module References
AMP, BCM, CHMSL/DM/LAMP, HVAC/RFA and RDO Fuse
AMP, BCM, CHMSL/DM/LAMP, HVAC/RFA and RDO Fuse
Low Speed GMLAN
G311
Door Latches and Switches
Horn Schematics
G101