GM Service Manual Online
For 1990-2009 cars only
Makes
🢒
Pontiac
🢒
2007
🢒
Torrent
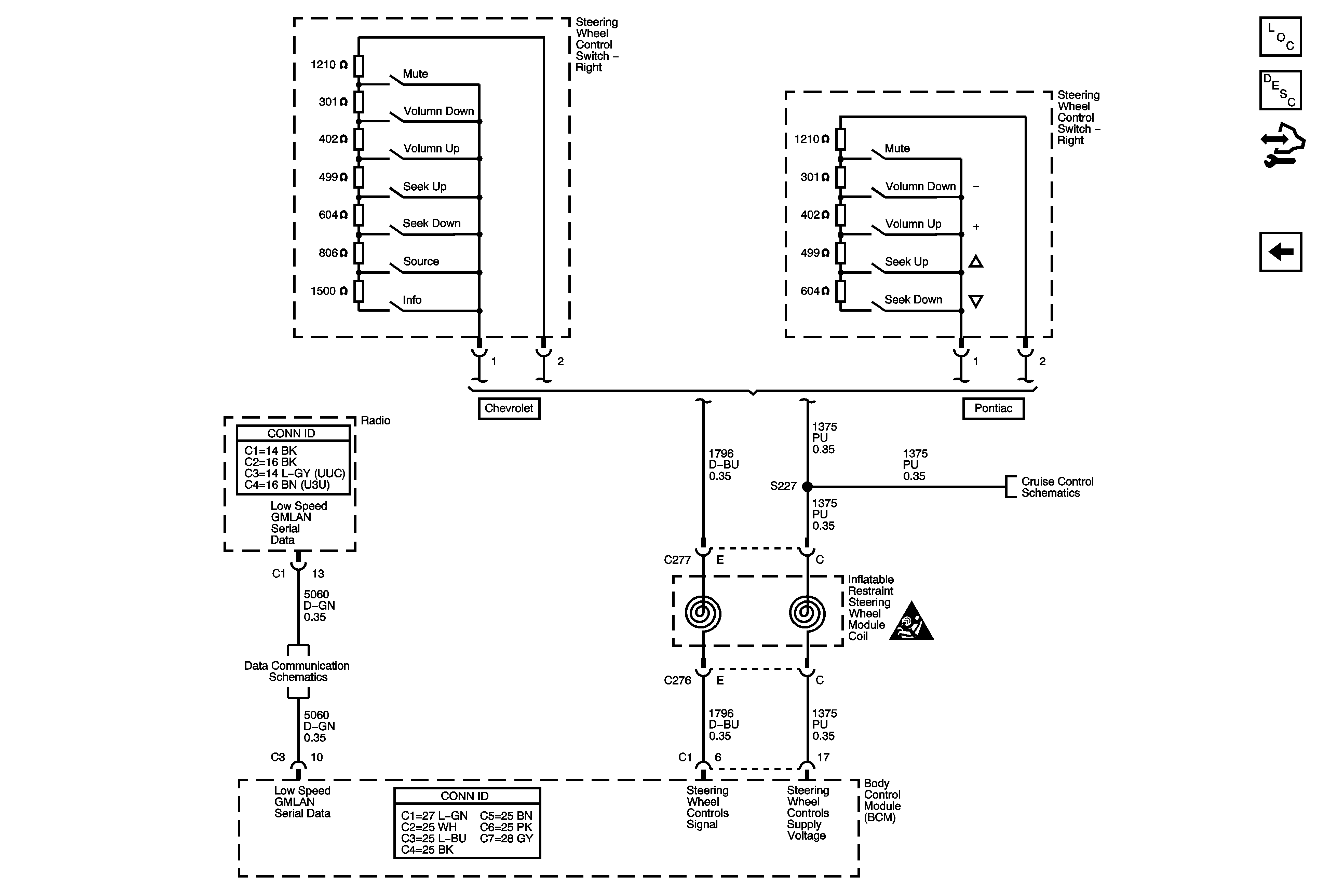
🢒 Steering Wheel Controls (UK3)
Steering Wheel Controls (UK3)
Steering Wheel Controls (UK3)
Master Electrical Component List
Radio/Audio System Description and Operation
Control Module References
Digital Radio Receiver (U2K)
Cruise Control Schematics
Low Speed GMLAN