GM Service Manual Online
For 1990-2009 cars only
Makes
🢒
Pontiac
🢒
2007
🢒
Torrent
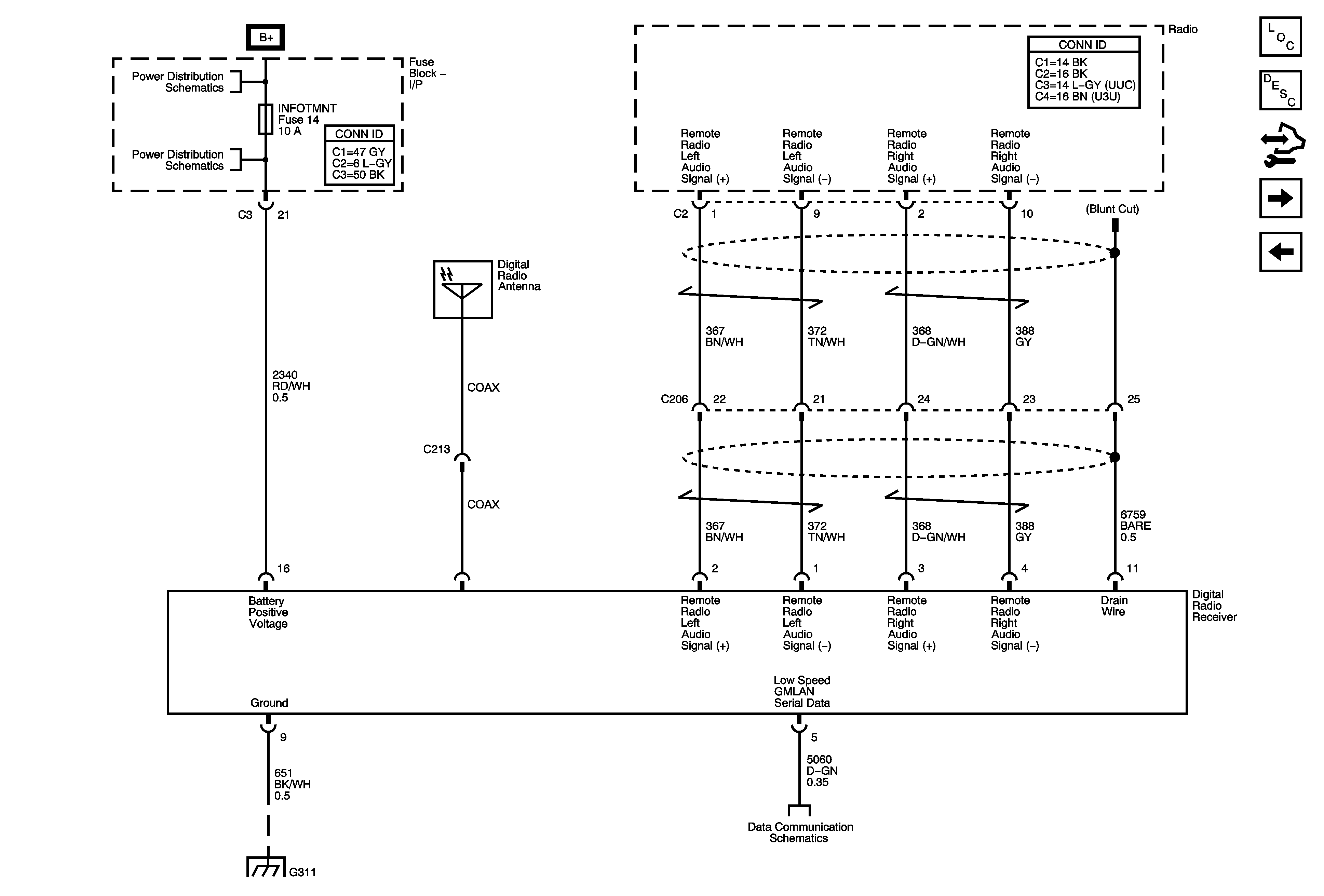
🢒 Digital Radio Receiver (U2K)
Digital Radio Receiver (U2K)
Digital Radio Receiver (U2K)
Master Electrical Component List
Radio/Audio System Description and Operation
Control Module References
Steering Wheel Controls (UK3)
Radio w/U65 - 2 of 2
BATT 1, CNSTR VENT, CLSTR, HVAC BLWR, INFOTMNT, INT LAMP, ONSTAR, REAR DEFOG and RVC Fuses
BATT 1, CNSTR VENT, CLSTR, HVAC BLWR, INFOTMNT, INT LAMP, ONSTAR, REAR DEFOG and RVC Fuses
G311
Low Speed GMLAN