GM Service Manual Online
For 1990-2009 cars only
Figure 1:

Air Pump, Headlamps, Alt S, EFI, Hazard Fuses


Object Number: 1234310  Size: FS
Master Electrical Component List
S 100
Figure 2:

S 100


Object Number: 1234314  Size: FS
Master Electrical Component List
Horn, Dome, Main, Amp Fuses
Air Pump, Headlamps, Alt S, EFI, Hazard Fuses
Figure 3:

Horn, Dome, Main, Amp Fuses


Object Number: 1234328  Size: FS
Master Electrical Component List
Alt, ABS 2, RDI Fan, ABS 1, Fog Fuses
S 100
Figure 4:

Alt, ABS 2, RDI, ABS 1, Fog Fuses


Object Number: 1234329  Size: FS
Master Electrical Component List
Power, AM 1, Door, Tail, P/Point, ECU-B, Stop, OBD, INV Fuses
Horn, Dome, Main, Amp Fuses
Figure 5:

Power, AM 1, Door, Tail, P/Point, ECU-B, Stop OBD, INV Fuses


Object Number: 1234331  Size: FS
Master Electrical Component List
Wash, RR Wip, Wiper, ECU-IG, Gauge, Heater, Def Fuses
Alt, ABS 2, RDI Fan, ABS 1, Fog Fuses
Figure 6:

Wash, RR Wip, Wiper, ECU-IG, Gauge, Def Fuses


Object Number: 1234332  Size: FS
Master Electrical Component List
SP 109
Power, AM 1, Door, Tail, P/Point, ECU-B, Stop, OBD, INV Fuses
Figure 7:

SP 109


Object Number: 1234333  Size: FS
Master Electrical Component List
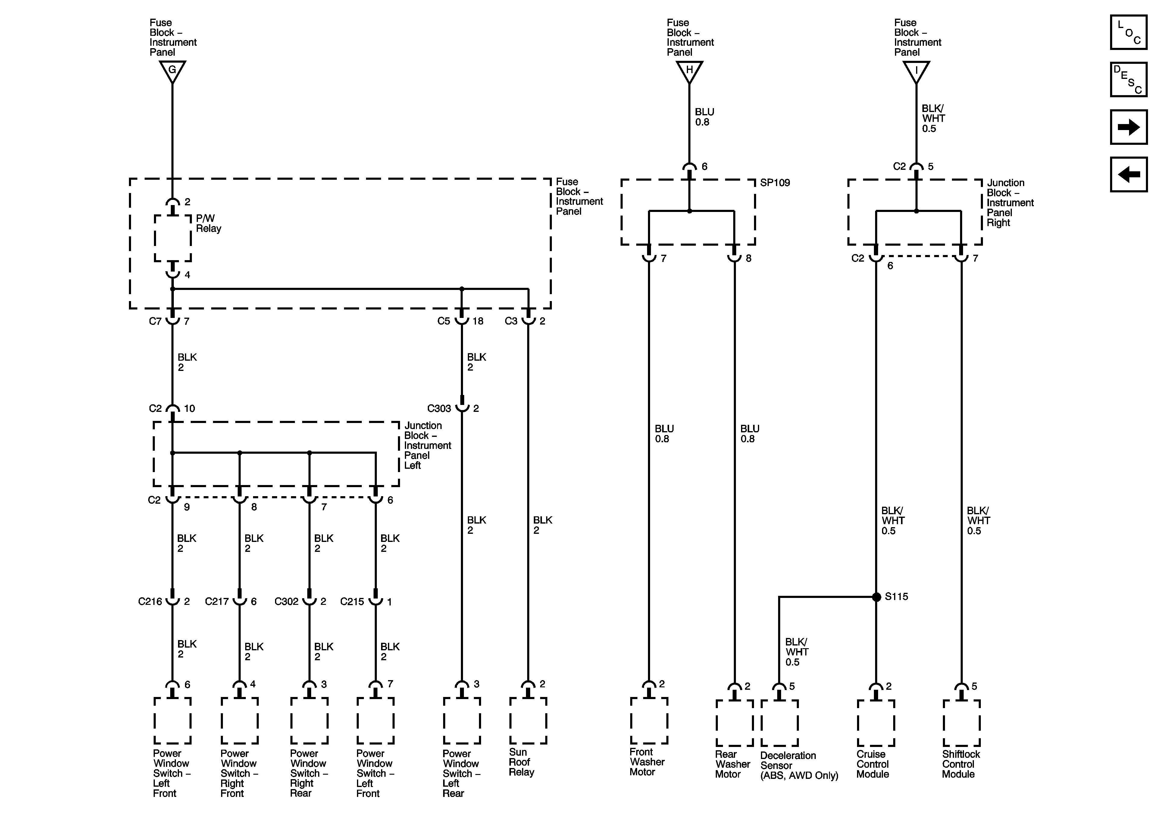
Junction Block-Instrument Panel Right
Wash, RR Wip, Wiper, ECU-IG, Gauge, Heater, Def Fuses
Figure 8:

Junction Block -- Instrument Panel Right


Object Number: 1234334  Size: FS
Master Electrical Component List
Ignition Switch (1 of 2)
SP 109
Figure 9:

Ignition Switch (1 of 2)


Object Number: 787264  Size: FS
Master Electrical Component List
Ignition Switch (2 of 2)
Junction Block-Instrument Panel Right
Figure 10:

Ignition Switch - 2 of 2


Object Number: 787268  Size: FS
Master Electrical Component List
Ignition Switch (1 of 2)
SIR Caution for Zoning