GM Service Manual Online
For 1990-2009 cars only
Figure 1:

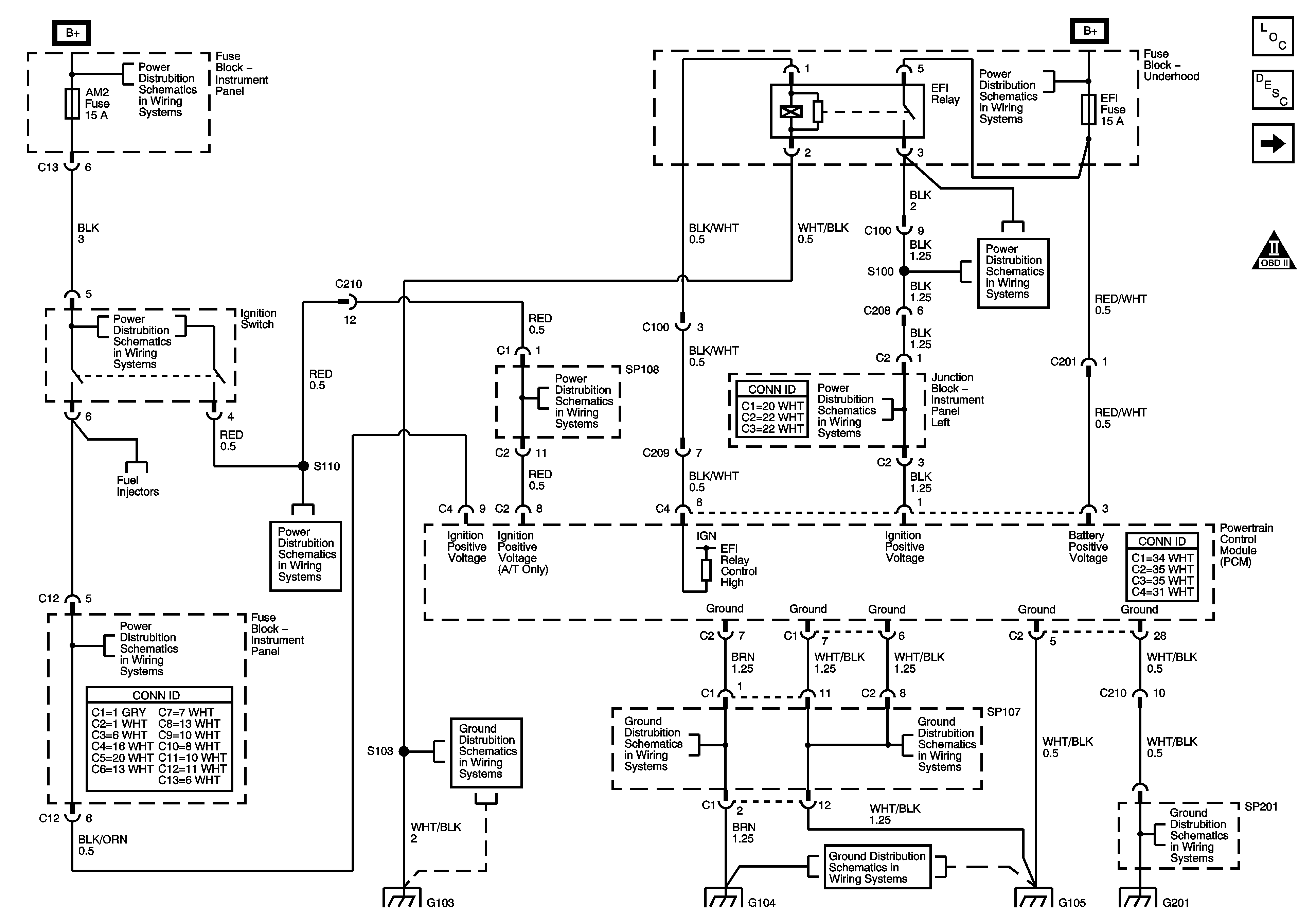
Powertrain Control Module (PCM) Power and Ground


Object Number: 1234931  Size: FS
Master Electrical Component List
S100
OBD II Symbol Description Notice
Horn, Dome, Main, Amp Fuses
Ignition Switch (1 of 2)
Ignition Switch (1 of 2)
Ignition Switch (2 of 2)
Ignition Switch (1 of 2)
G103
Air Pump, Headlamps, Alt S, EFI, Hazard Fuses
S 100
S 100
G104
G105, G106 and G107
SP201 and G201
G104
G105, G106 and G107
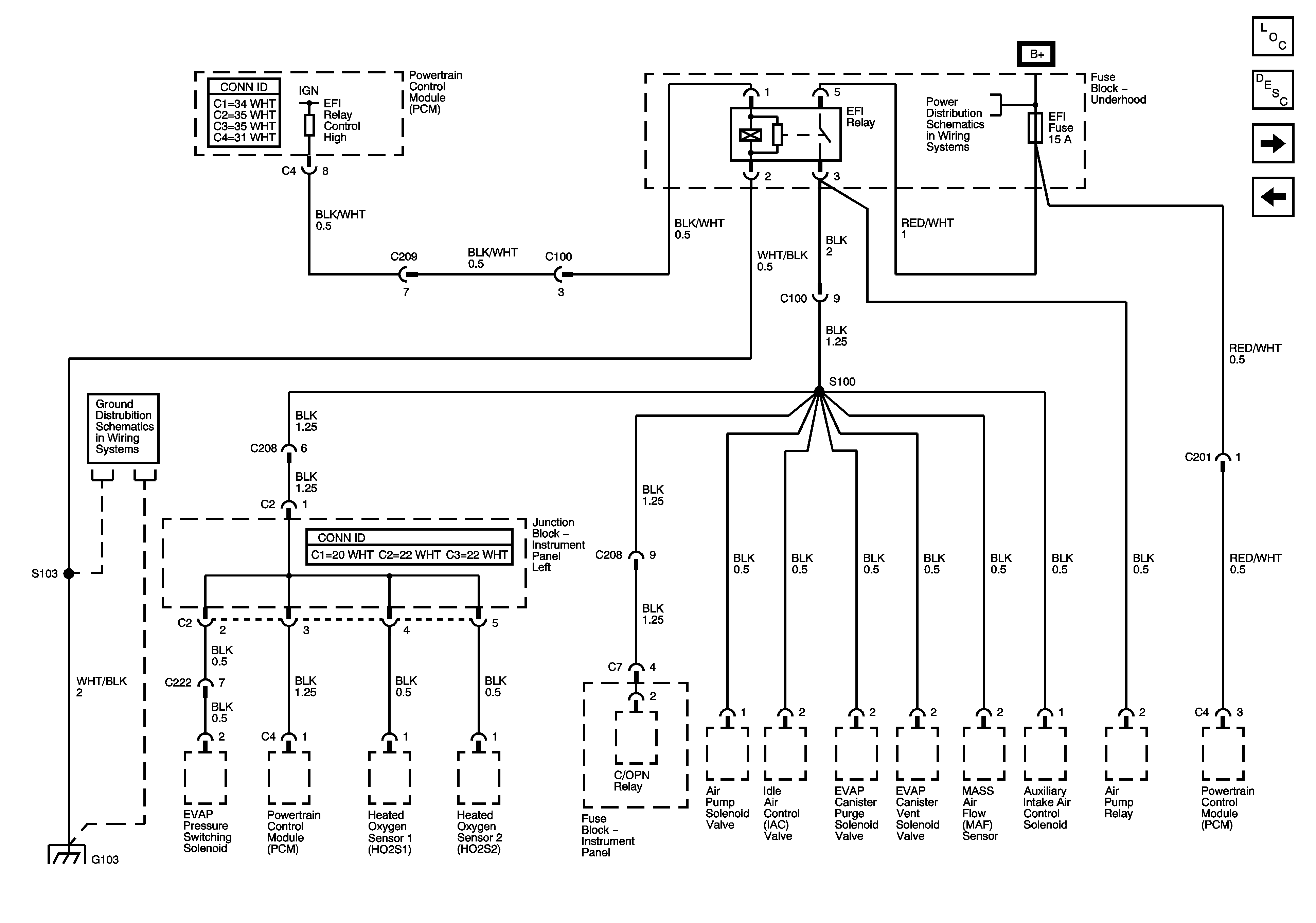
Figure 2:

S 100


Object Number: 1234932  Size: FS
Master Electrical Component List
Data Link Connector (DLC) (1 of 2)
Powertrain Control Module (PCM) Power and Ground
OBD II Symbol Description Notice
G103
Air Pump, Headlamps, Alt S, EFI, Hazard Fuses
Figure 3:

Data Link Connector - 1 of 2


Object Number: 785476  Size: FS
Master Electrical Component List
Data Link Connector (DLC) (2 of 2)
S100
OBD II Symbol Description Notice
Power, AM 1, Door, Tail, P/Point, ECU-B, Stop, OBD, INV Fuses
Junction Block-Instrument Panel Left
SP200 and G200
SIR Caution for Zoning
Figure 4:

Data Link Connector - 2 of 2


Object Number: 787259  Size: FS
Master Electrical Component List
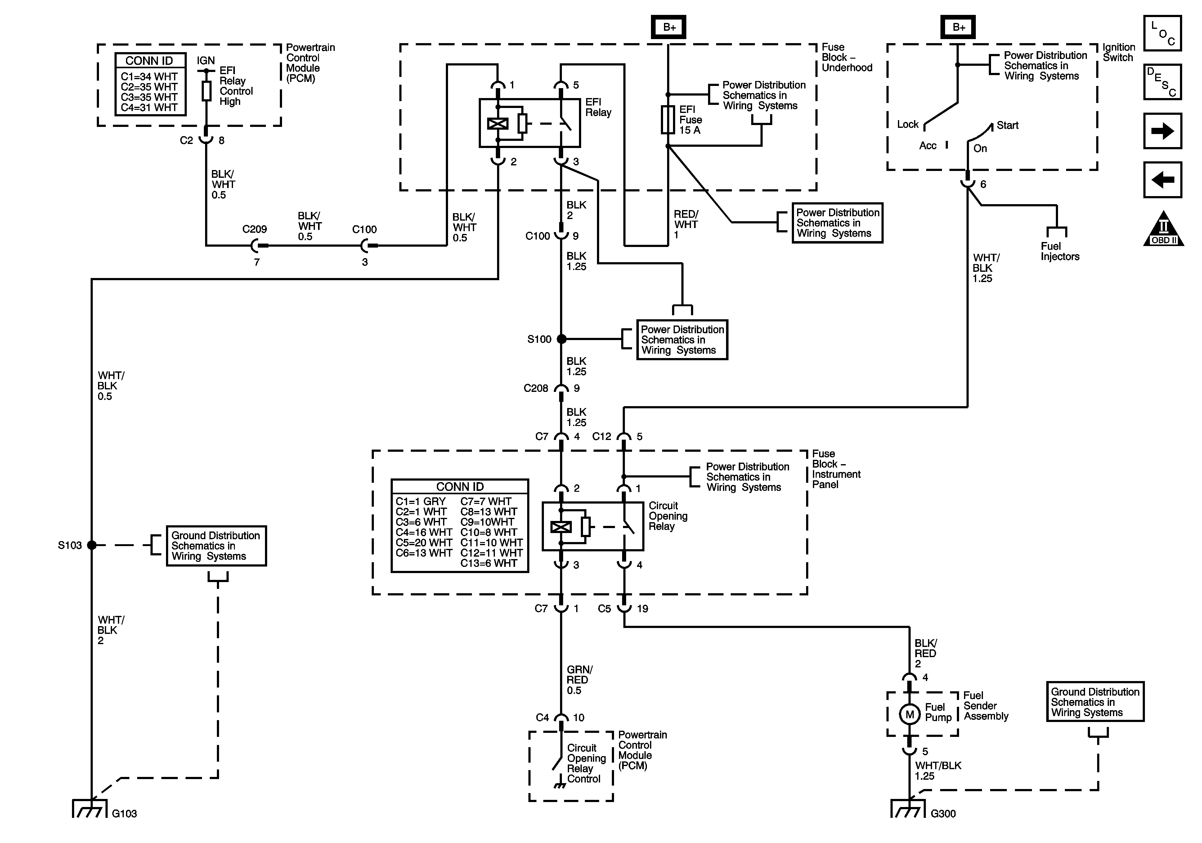
Circuit Opening Relay and Fuel Sender Assembly
Data Link Connector (DLC) (1 of 2)
OBD II Symbol Description Notice
G104
G104
Ignition Switch (1 of 2)
Ignition Switch (2 of 2)
Charge, Air Bag, Malfunction O/D Off, Cruise Indicators
SIR Caution for Zoning
Figure 5:

Circuit Opening Relay, Fuel Sender Assembly


Object Number: 1234934  Size: FS
Master Electrical Component List
Fuel Injectors
Data Link Connector (DLC) (2 of 2)
OBD II Symbol Description Notice
G103
Air Pump, Headlamps, Alt S, EFI, Hazard Fuses
Ignition Switch (1 of 2)
Air Pump, Headlamps, Alt S, EFI, Hazard Fuses
S 100
Ignition Switch (2 of 2)
G202, G300, G301 and G302
Figure 6:

Fuel Injectors


Object Number: 785486  Size: FS
Master Electrical Component List
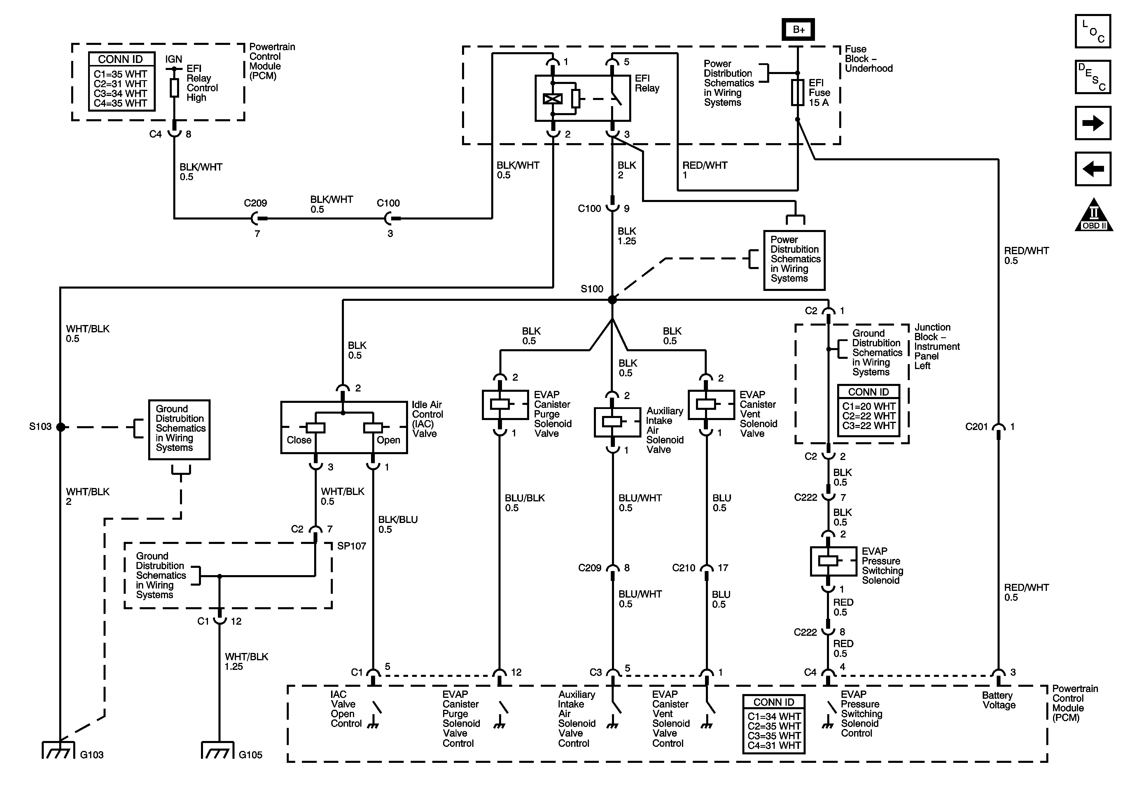
Idle Air Control (IAC) Valve and EVAP Solenoids
Circuit Opening Relay and Fuel Sender Assembly
OBD II Symbol Description Notice
Ignition Switch (1 of 2)
Ignition Switch (1 of 2)
Figure 7:

Idle Air Control (IAC) Valve, EVAP Solenoids


Object Number: 1234935  Size: FS
Master Electrical Component List
Ignition Coils
Fuel Injectors
OBD II Symbol Description Notice
Alt, ABS 2, RDI Fan, ABS 1, Fog Fuses
G105, G106 and G107
Air Pump, Headlamps, Alt S, EFI, Hazard Fuses
S 100
S 100
Figure 8:

Ignition System


Object Number: 785458  Size: FS
Master Electrical Component List
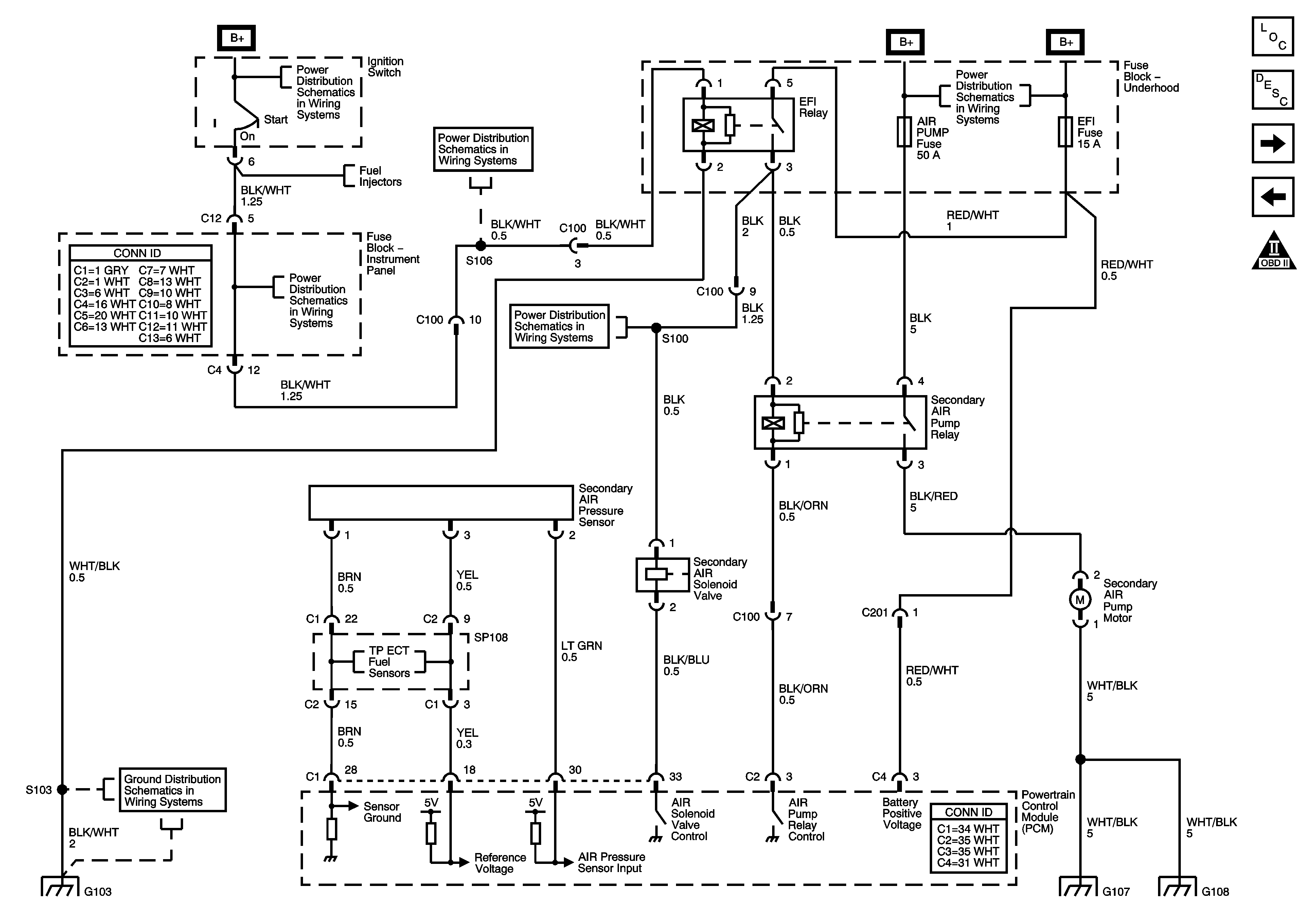
Air Pump Relay, Solenoid Valve, Pressure Sensor and Motor
Idle Air Control (IAC) Valve and EVAP Solenoids
OBD II Symbol Description Notice
Ignition Switch (1 of 2)
Ignition Switch (2 of 2)
Ignition Switch (2 of 2)
G105, G106 and G107
Figure 9:

Air Pump Relay, Solenoid Valve, Pressure Sensor and Motor


Object Number: 1234942  Size: FS
Master Electrical Component List
ECT, Evaporator Temperature, Fuel Tank Pressure, TP and Air Pump Sensors
Ignition Coils
OBD II Symbol Description Notice
Ignition Switch (1 of 2)
Ignition Switch (2 of 2)
Ignition Switch (2 of 2)
S 100
G103
Air Pump, Headlamps, Alt S, EFI, Hazard Fuses
Figure 10:

ECT, Evaporator Temperature, Fuel Tank Pressure, TP and Air Pump Sensors


Object Number: 1234941  Size: FS
Master Electrical Component List
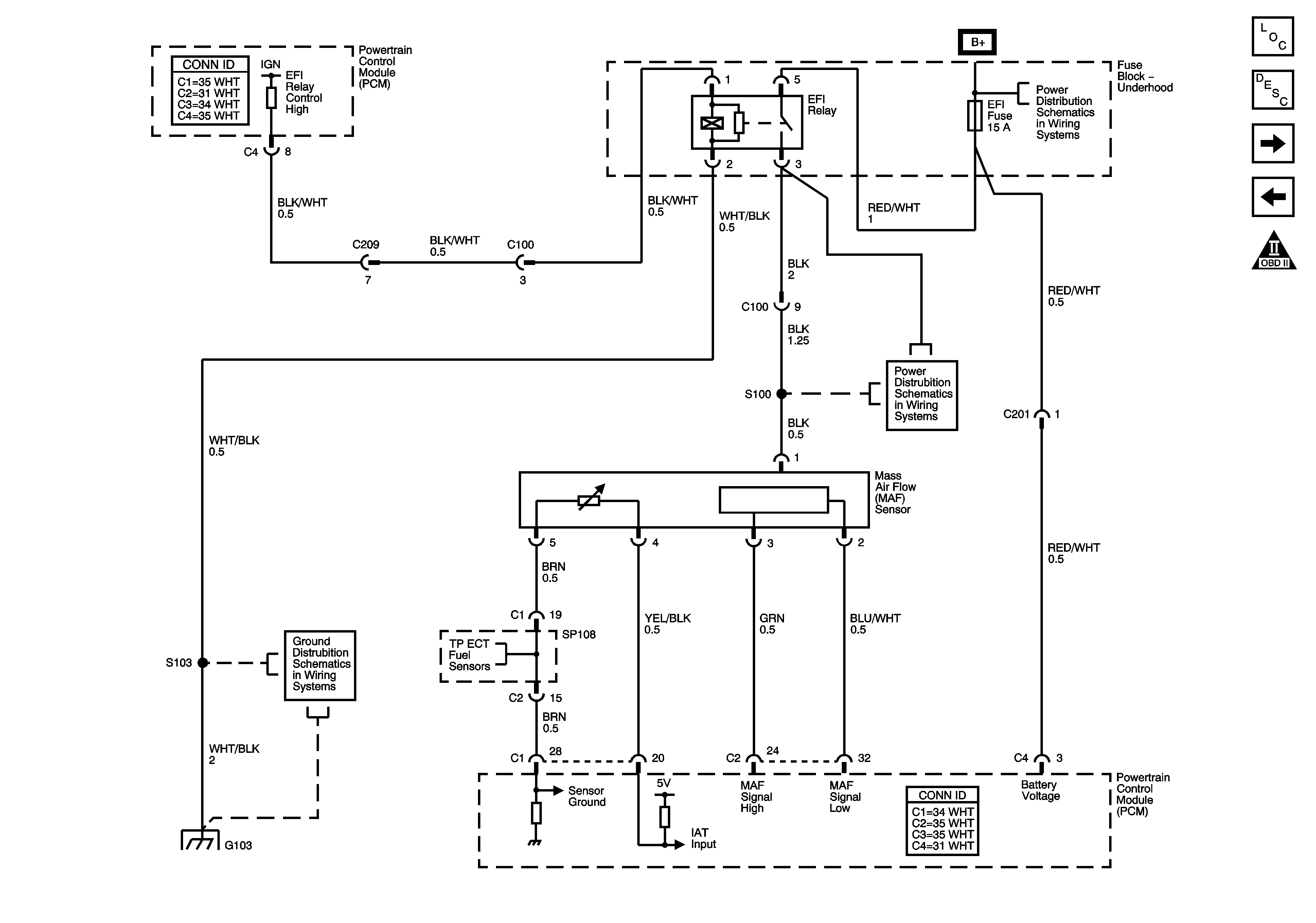
Mass Air Flow (MAF) Sensor
Air Pump Relay, Solenoid Valve, Pressure Sensor and Motor
OBD II Symbol Description Notice
Figure 11:

Mass Air Flow (MAF) Sensor


Object Number: 1234936  Size: FS
Master Electrical Component List
KS, CMP, CKP Sensors and CMP Actuator Solenoid Valve
ECT, Evaporator Temperature, Fuel Tank Pressure, TP and Air Pump Sensors
OBD II Symbol Description Notice
G103
Air Pump, Headlamps, Alt S, EFI, Hazard Fuses
S 100
Figure 12:

KS, CMP, CKP Sensors and CMP Actuator Solenoid Valve


Object Number: 785460  Size: FS
Master Electrical Component List
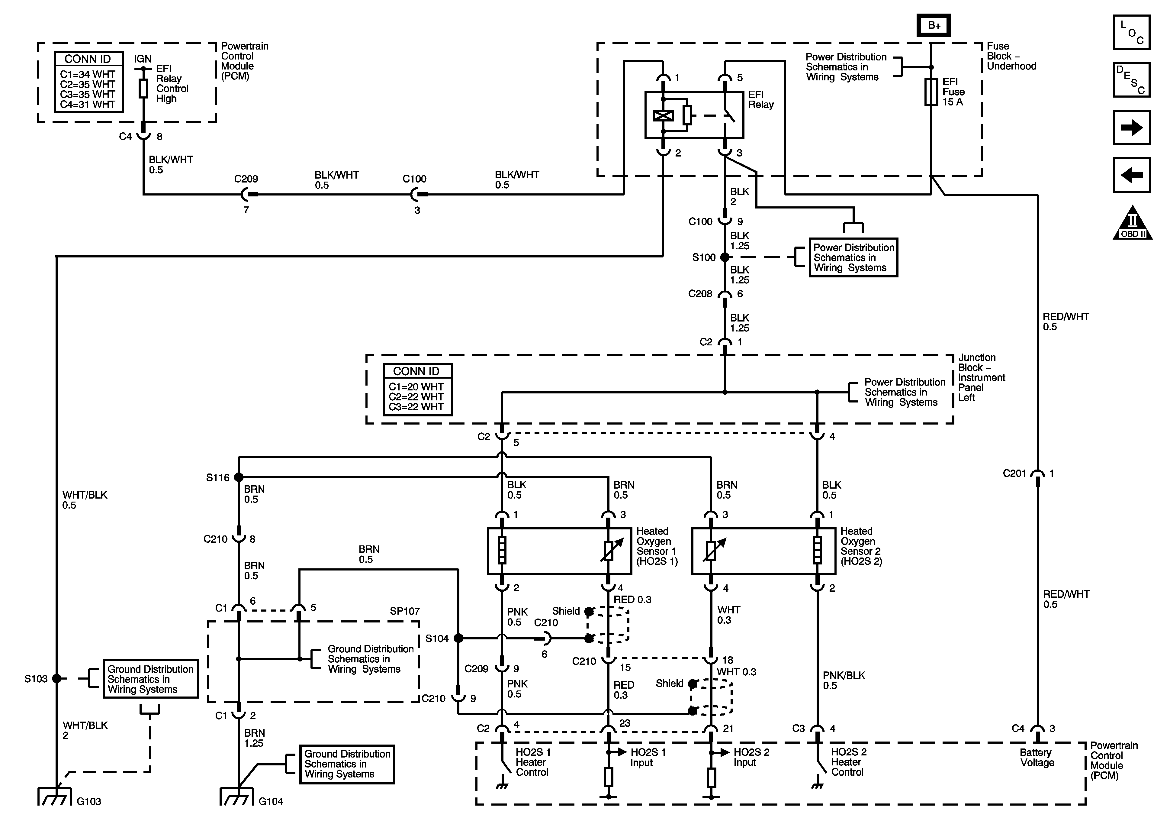
Heated Oxygen Sensors
Mass Air Flow (MAF) Sensor
OBD II Symbol Description Notice
G104
G104
Figure 13:

Heated Oxygen Sensors


Object Number: 1234939  Size: FS
Master Electrical Component List
Vehicle Speed Input and Tachometer Signal
KS, CMP, CKP Sensors and CMP Actuator Solenoid Valve
OBD II Symbol Description Notice
G103
G104
G104
Air Pump, Headlamps, Alt S, EFI, Hazard Fuses
S 100
S 100
Figure 14:

Vehicle Speed Input, Tachometer Signal


Object Number: 785539  Size: FS
Master Electrical Component List
Rocker Arm Oil Control Solenoid Valve and Oil Pressure Switch
Heated Oxygen Sensors
OBD II Symbol Description Notice
Wash, RR Wip, Wiper, ECU-IG, Gauge, Heater, Def Fuses
Junction Block-Instrument Panel Right
Fuel Gauge, Seat Belt Low Fuel Indicators and Seat Belt Buzzer
Horn, Dome, Main, Amp Fuses
Horn, Dome, Main, Amp Fuses
Horn, Dome, Main, Amp Fuses
High Beam, Door Open Indicators and Engine Coolant Temperature (ECT) Gauge
Figure 15:

Rocker Arm Oil Control Solenoid Valve and Oil Pressure Switch


Object Number: 785541  Size: FS
Master Electrical Component List
Powertrain Control Module (PCM) Idle Up Inputs
Vehicle Speed Input and Tachometer Signal
OBD II Symbol Description Notice
Wash, RR Wip, Wiper, ECU-IG, Gauge, Heater, Def Fuses
Junction Block-Instrument Panel Right
Fuel Gauge, Seat Belt Low Fuel Indicators and Seat Belt Buzzer
Figure 16:

Powertrain Control Module (PCM) Idle-Up Inputs


Object Number: 785461  Size: FS
Master Electrical Component List
Rocker Arm Oil Control Solenoid Valve and Oil Pressure Switch
OBD II Symbol Description Notice
Power, AM 1, Door, Tail, P/Point, ECU-B, Stop, OBD, INV Fuses
Tail Relay and Turn Signal/Headlamp Switch
Wash, RR Wip, Wiper, ECU-IG, Gauge, Heater, Def Fuses
Defogger Schematic
Wash, RR Wip, Wiper, ECU-IG, Gauge, Heater, Def Fuses