GM Service Manual Online
For 1990-2009 cars only
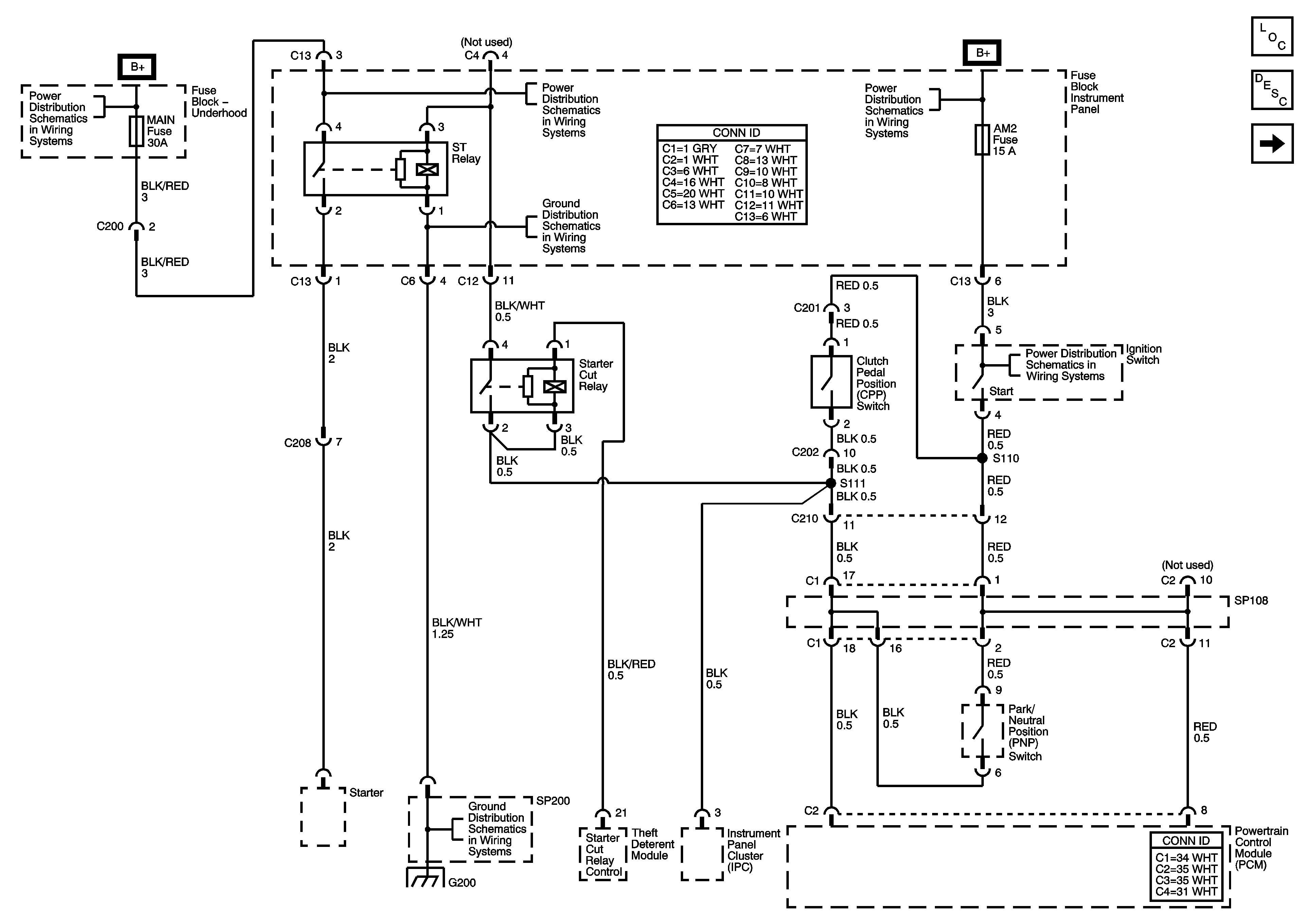
Figure 1:

Start Relay, Starter Cut Relay, Theft Deterent Module, Powertrain Control Module (PCM)


Object Number: 864880  Size: FS
Master Electrical Component List
Theft Systems Description and Operation
Theft Deterent Module, Glass Breakage Sensor, Security Indicator
Horn, Dome, Main, Amp Fuses
Horn, Dome, Main, Amp Fuses
Fuse Block-Instrument Panel
Horn, Dome, Main, Amp Fuses
Ignition Switch (1 of 2)
SP200 and G200
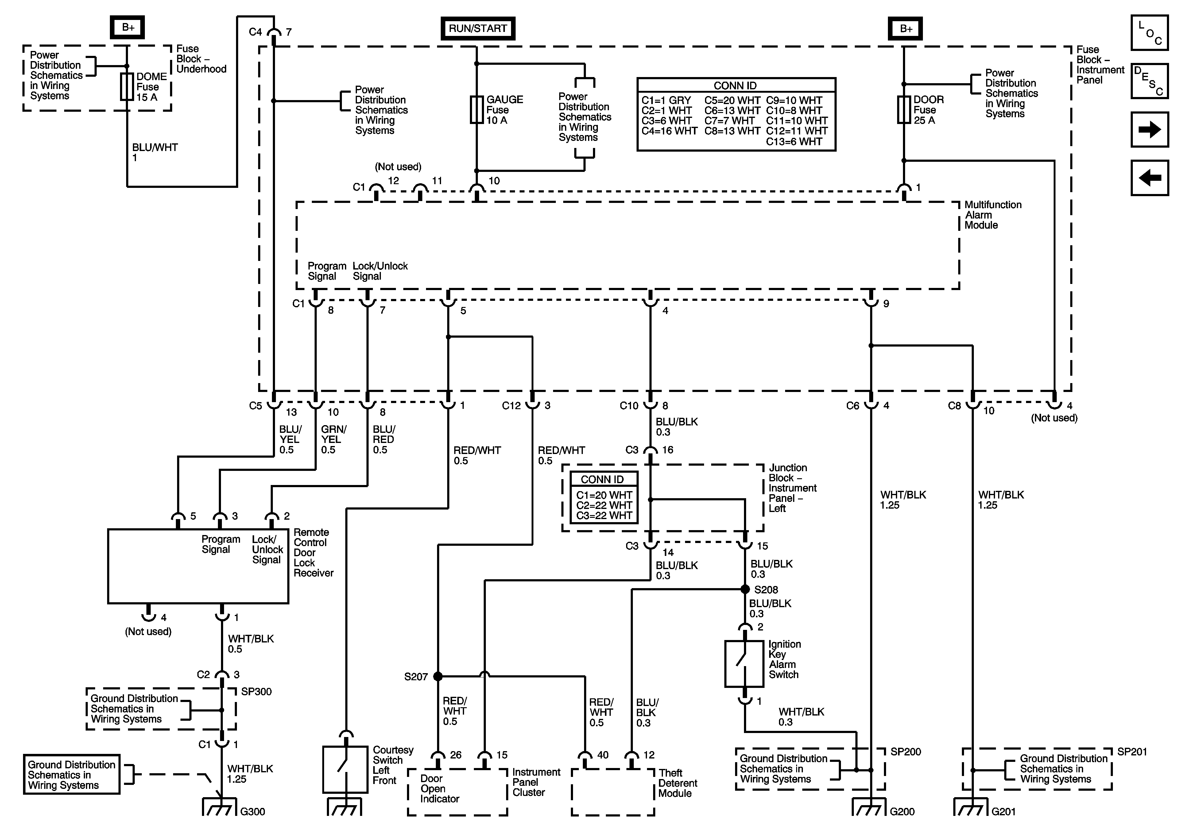
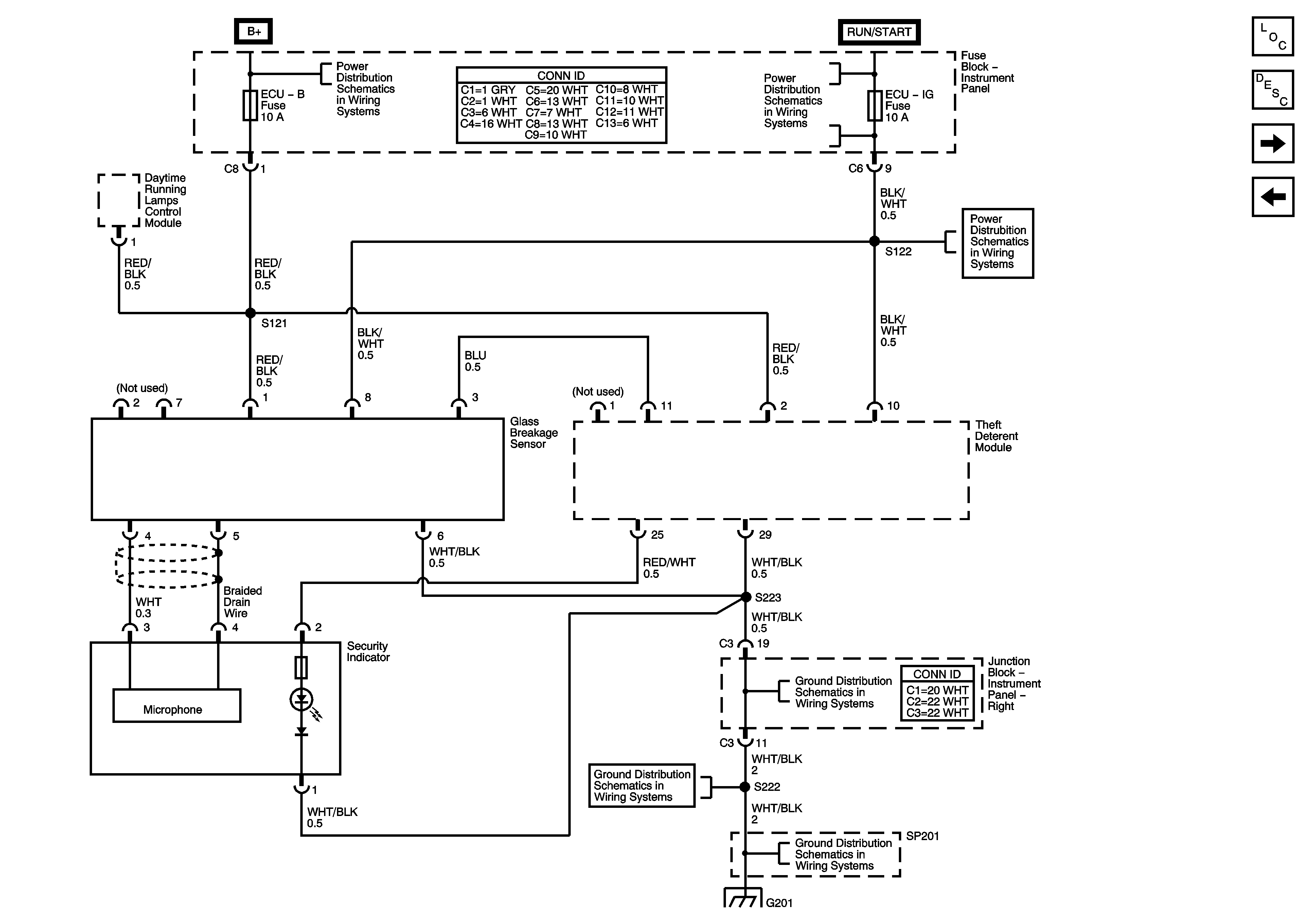
Figure 2:

Theft Deterent Module, Glass Breakage Sensor, Security Indicator


Object Number: 785627  Size: FS
Master Electrical Component List
Master Electrical Component List
Theft Systems Description and Operation
Remote Control Door Lock Receiver, Multifunction Alarm Module,
Start Relay, Starter Cut Relay, Theft Deterent Module, Powertrain Control Module
Power, AM 1, Door, Tail, P/Point, ECU-B, Stop, OBD, INV Fuses
Wash, RR Wip, Wiper, ECU-IG, Gauge, Heater, Def Fuses
Wash, RR Wip, Wiper, ECU-IG, Gauge, Heater, Def Fuses
SP201 and G201
Junction Block-Instrument Panel Right
SP201 and G201
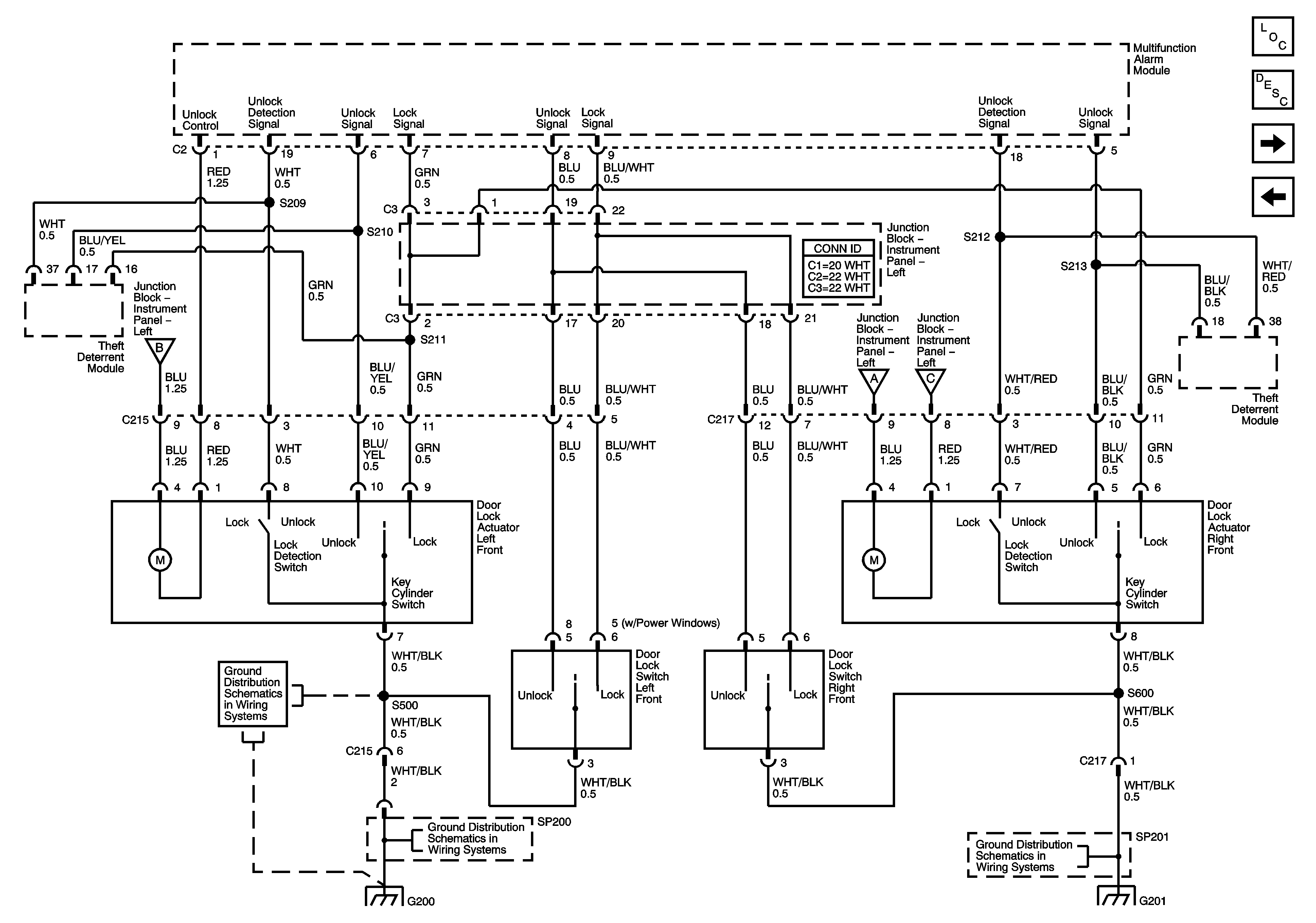
Figure 3:

Remote Control Door Lock Receiver, Multifunction Alarm Module


Object Number: 864638  Size: FS
Master Electrical Component List
Theft Systems Description and Operation
Multifunction Alarm Module, Rear Door Lock, Glass Hatch and Tailgate Actuators
Theft Deterent Module, Glass Breakage Sensor, Security Indicator
Horn, Dome, Main, Amp Fuses
Horn, Dome, Main, Amp Fuses
Wash, RR Wip, Wiper, ECU-IG, Gauge, Heater, Def Fuses
Power, AM 1, Door, Tail, P/Point, ECU-B, Stop, OBD, INV Fuses
G202, G300, G301 and G302
SP300
SP200 and G200
SP201 and G201
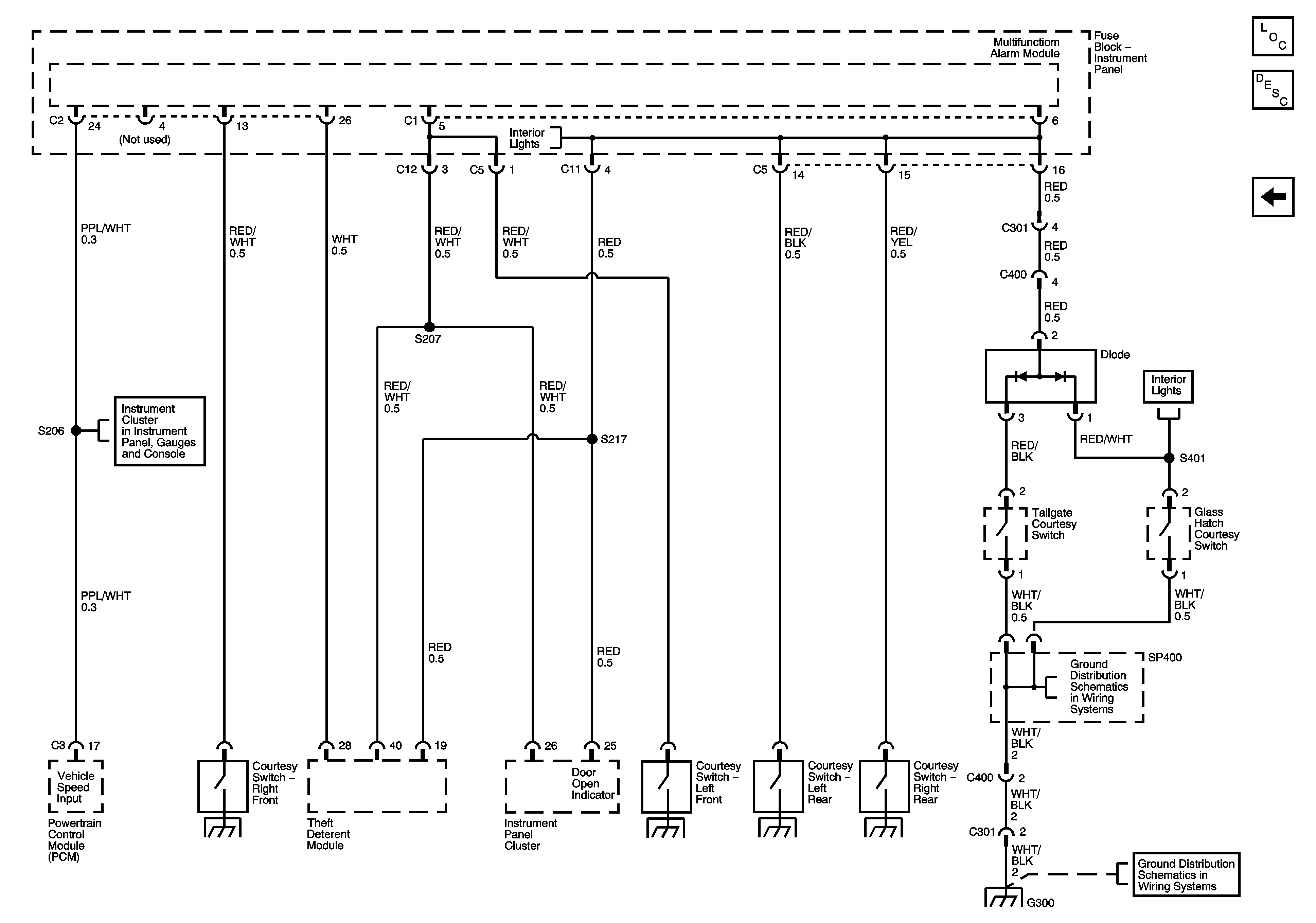
Figure 4:

Multifunction Alarm Module, Rear Door Lock, Glass Hatch and Tailgate Actuators


Object Number: 864639  Size: FS
Master Electrical Component List
Theft Systems Description and Operation
Door Lock Switches and Front Door Lock Actuators
Remote Control Door Lock Receiver, Multifunction Alarm Module,
Dome/Courtesy Lamp Switches
SP400
G202, G300, G301 and G302
SP200 and G200
Dome/Courtesy Lamp Switches
SP200 and G200
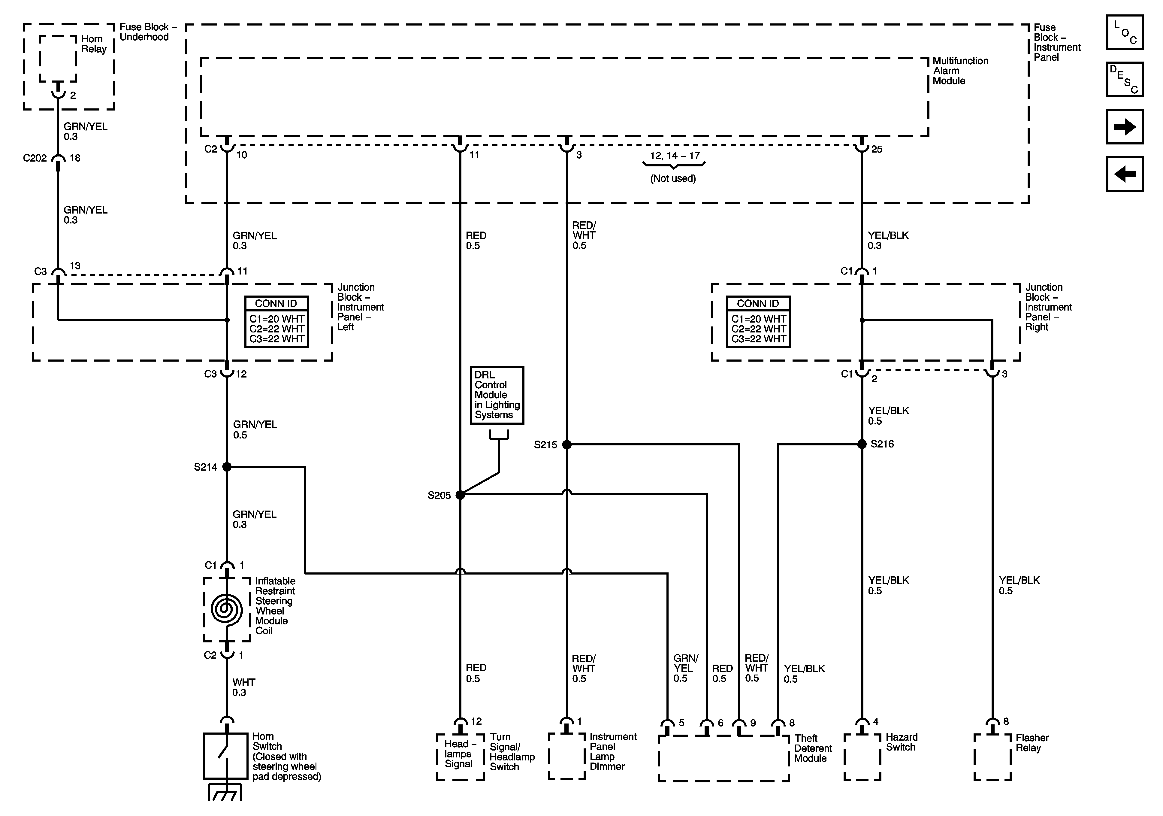
Figure 5:

Door Lock Switches and Front Door Lock Actuators


Object Number: 864640  Size: FS
Master Electrical Component List
Theft Systems Description and Operation
Multifunction Alarm Module, Horn, Hazard, Turn Signal/Headlamp Switches
Multifunction Alarm Module, Rear Door Lock, Glass Hatch and Tailgate Actuators
SP200 and G200
SP200 and G200
Figure 6:

Multifunction Alarm Module, Horn, Hazard, Turn Signal/Headlamp Switches


Object Number: 864876  Size: FS
Master Electrical Component List
Theft Systems Description and Operation
Multifunction Alarm Module, Door/Courtesy Switches
Door Lock Switches and Front Door Lock Actuators
Turn Signal/Headlamp Switch
Figure 7:

Multifunction Alarm Module, Door/Courtesy Switches


Object Number: 864641  Size: FS
Master Electrical Component List
Theft Systems Description and Operation
Multifunction Alarm Module, Horn, Hazard, Turn Signal/Headlamp Switches
Tachometer, Speedometer and Headlamps ON Indicator
Dome/Courtesy Lamp Switches
SP400
G202, G300, G301 and G302