GM Service Manual Online
For 1990-2009 cars only
Makes
🢒
Pontiac
🢒
2004
🢒
Vibe - AWD
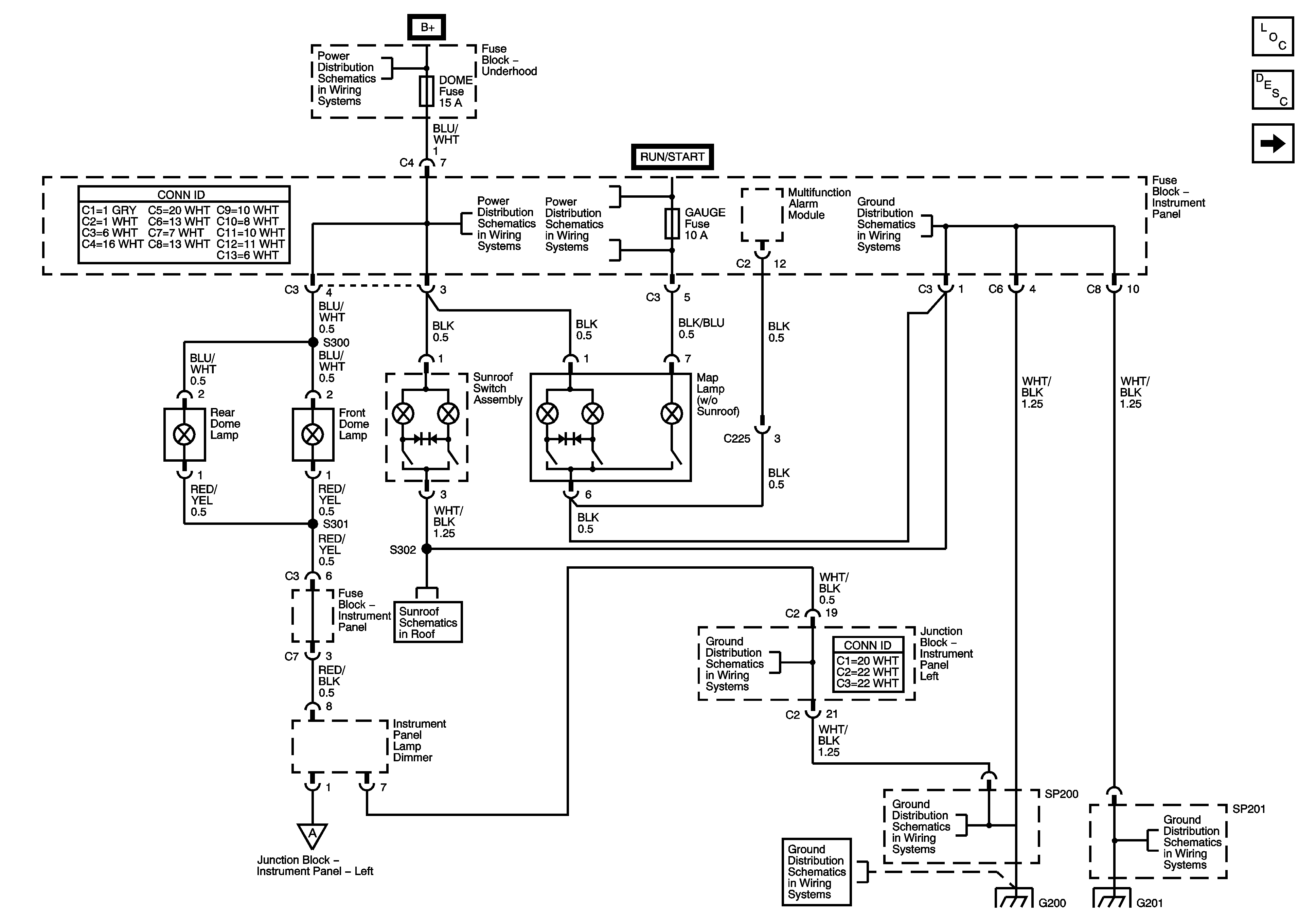
🢒 Dome/Courtesy Lamps
Dome/Courtesy Lamps
Dome/Courtesy Lamps
Master Electrical Component List
Interior Lighting Systems Description and Operation
Dome/Courtesy Lamp Switches
Horn, Dome, Main, Amp Fuses
Horn, Dome, Main, Amp Fuses
Wash, RR Wip, Wiper, ECU-IG, Gauge, Heater, Def Fuses
Fuse Block-Instrument Panel
Sunroof Schematic
Junction Block-Instrument Panel Left
SP200 and G200
SP200 and G200
SP201 and G201