GM Service Manual Online
For 1990-2009 cars only
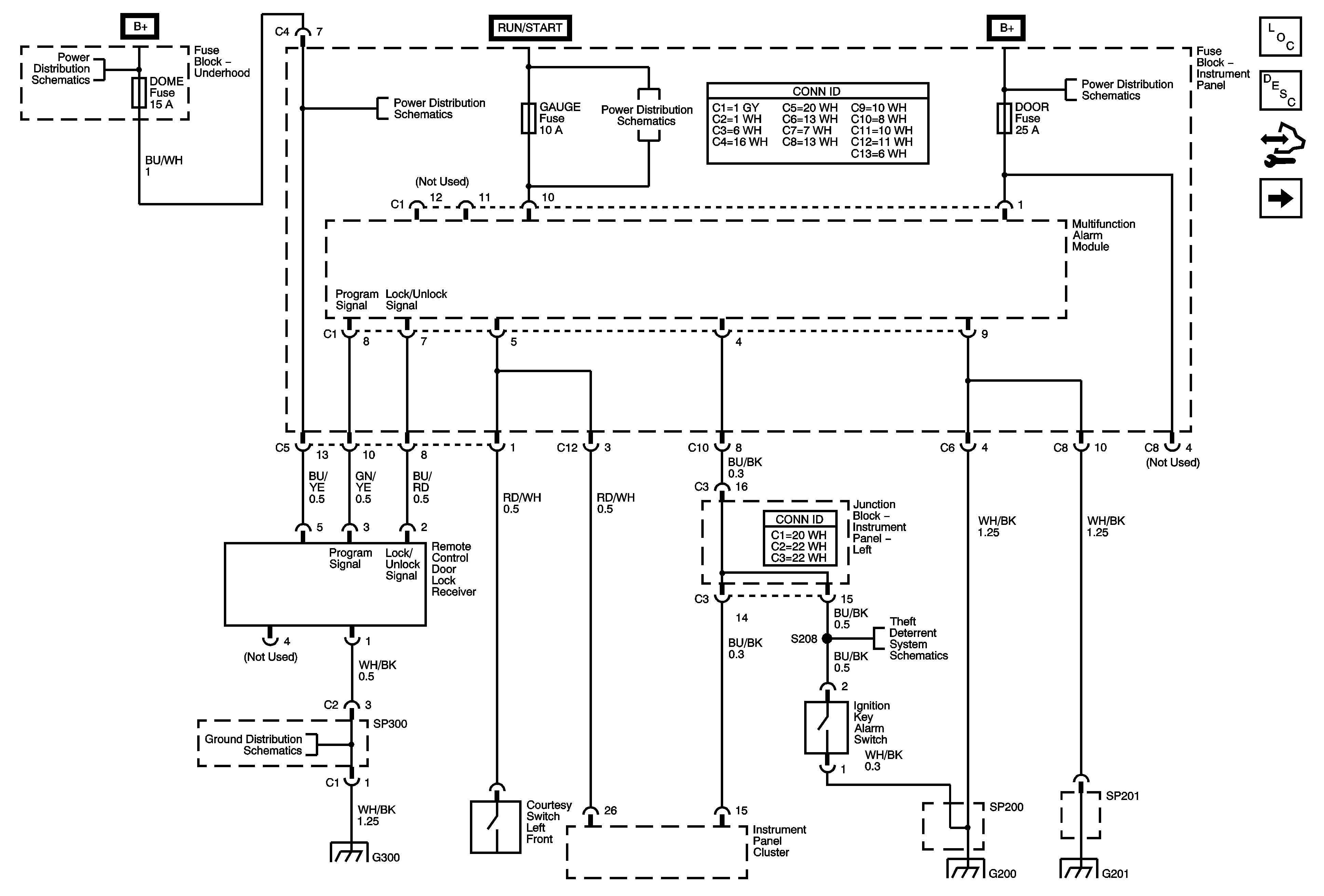
Figure 1:

Multifunction Alarm Module, Remote Control Door Lock Receiver


Object Number: 1426710  Size: FS
Master Electrical Component List
Keyless Entry System Description and Operation
Control Module References
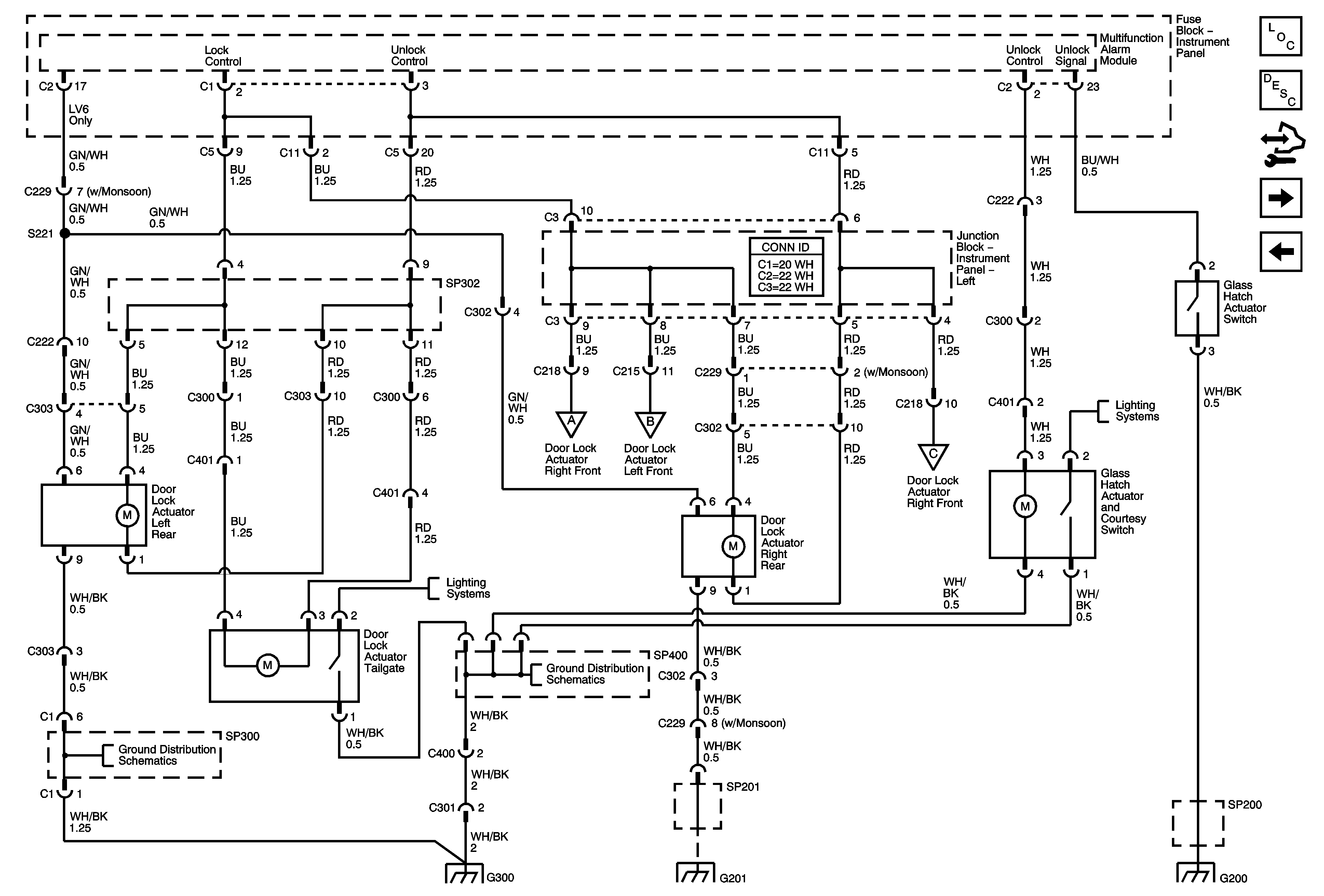
Multifunction Alarm Module, Rear Door Lock, Glass Hatch and Tailgate Actuators
Wash, RR Wip, Wiper, ECU-IG, Gauge, Heater, DEF Fuses
Power, AM 1, Door, Tail, P/Point, ECU-B, Stop, OBD, INV, Fuses
SP201 and G201
SP201 and G201
G202, G300, G301, G302
SP300
Horn, Dome, Main, Amp, Onstar Fuses
Horn, Dome, Main, Amp, Onstar Fuses
Figure 2:

Multifunction Alarm Module, Rear Door Lock, Glass Hatch and Tailgate Actuators


Object Number: 1426678  Size: FS
Master Electrical Component List
Keyless Entry System Description and Operation
Control Module References
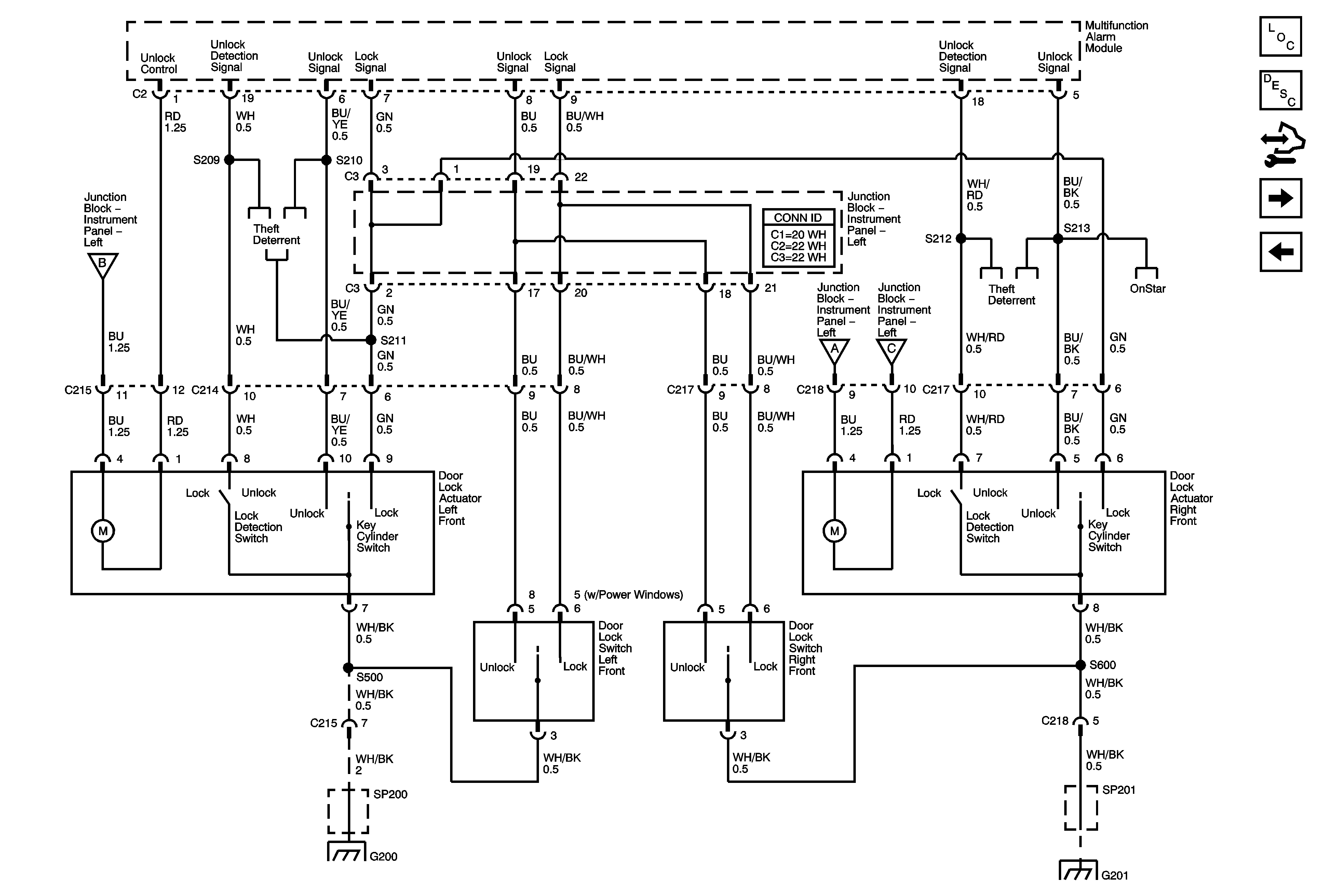
Door Lock Switches, Front Door Lock Actuators
Multifunction Alarm Module, Remote Control Door Lock Receiver
SP300
Dome/Courtesy Lamp Switches
G202, G300, G301, G302
SP201 and G201
SP400
Dome/Courtesy Lamp Switches
SP201 and G201
Figure 3:

Door Lock Switches and Front Door Lock Actuators


Object Number: 1426679  Size: FS
Master Electrical Component List
Keyless Entry System Description and Operation
Control Module References
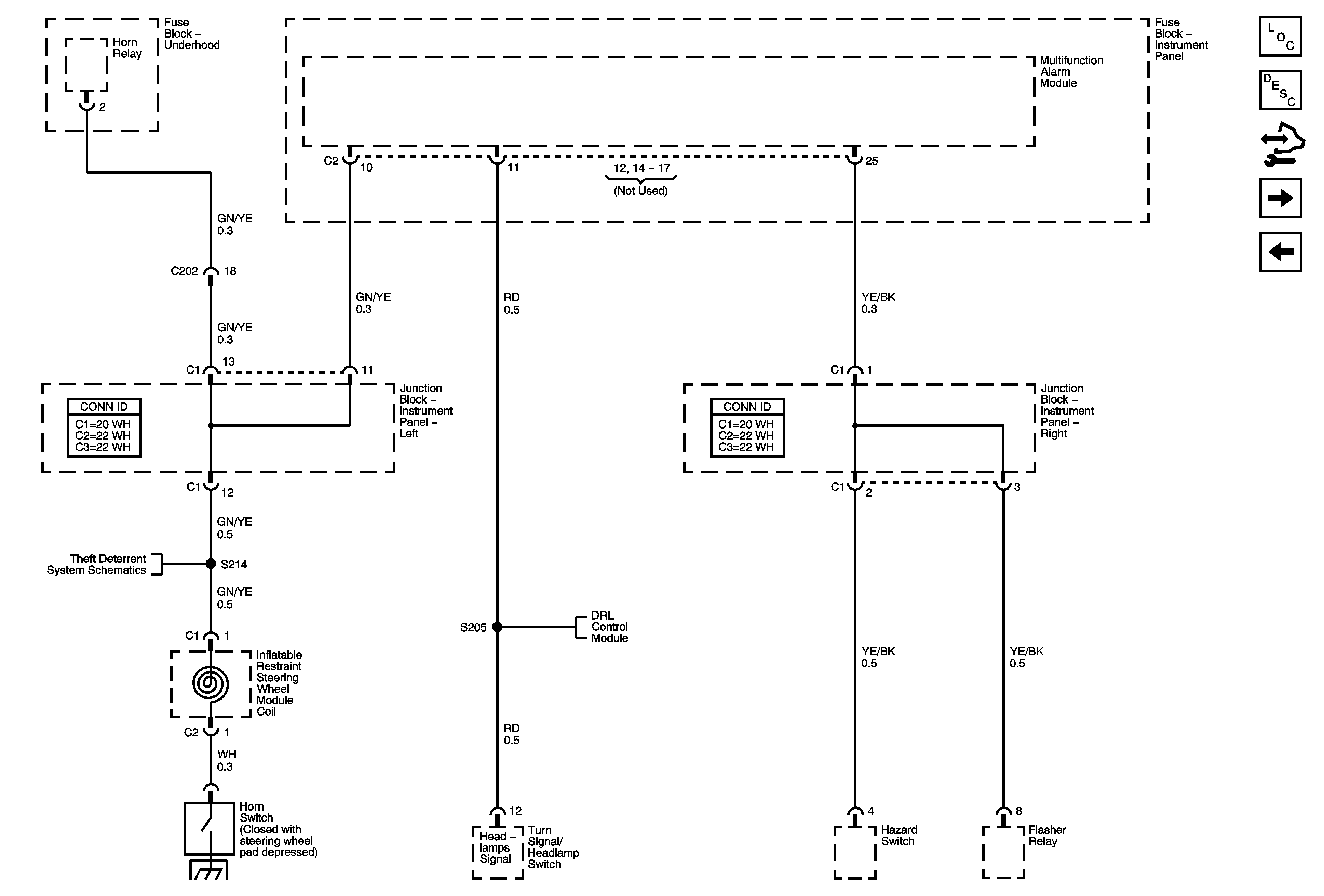
Park/Neutral Position Switch, Brake Pressure Modulator Valve (BPMV), Multifunction Alarm Module
Multifunction Alarm Module, Rear Door Lock, Glass Hatch and Tailgate Actuators
SP201 and G201
SP201 and G201
Multifunction Alarm Module, Rear Door Lock, Glass Hatch, Tailgate Actuators
Multifunction Alarm Module, Rear Door Lock, Glass Hatch, Tailgate Actuators
Vehicle Interface Unit (VIU)
Figure 4:

Park/Neutral Position Switch, Brake Pressure Modulator Valve (BPMV), Multifunction Alarm Module


Object Number: 1481319  Size: FS
Master Electrical Component List
Keyless Entry System Description and Operation
Control Module References
Multifunction Alarm Module, Horn, Hazard, Turn Signal/Headlamp Switch
Door Lock Switches, Front Door Lock Actuators
OBD II Symbol Description Notice
Figure 5:

Multifunction Alarm Module, Horn, Hazard, Turn Signal/Headlamp Switches


Object Number: 1426712  Size: FS
Master Electrical Component List
Keyless Entry System Description and Operation
Control Module References
Multifunction Alarm Module, Courtesy Switches
Park/Neutral Position Switch, Brake Pressure Modulator Valve (BPMV), Multifunction Alarm Module
Door Lock Switches, Front Door Lock Actuators
Turn Signal/Headlamp Switch
Figure 6:

Multifunction Alarm Module and Courtesy Switches


Object Number: 1426680  Size: FS
Master Electrical Component List
Keyless Entry System Description and Operation
Control Module References
Multifunction Alarm Module, Horn, Hazard, Turn Signal/Headlamp Switch
Dome/Courtesy Lamp Switches
SP400
G202, G300, G301, G302