GM Service Manual Online
For 1990-2009 cars only
Makes
🢒
Pontiac
🢒
2005
🢒
Vibe - AWD
🢒
Body
🢒
Doors
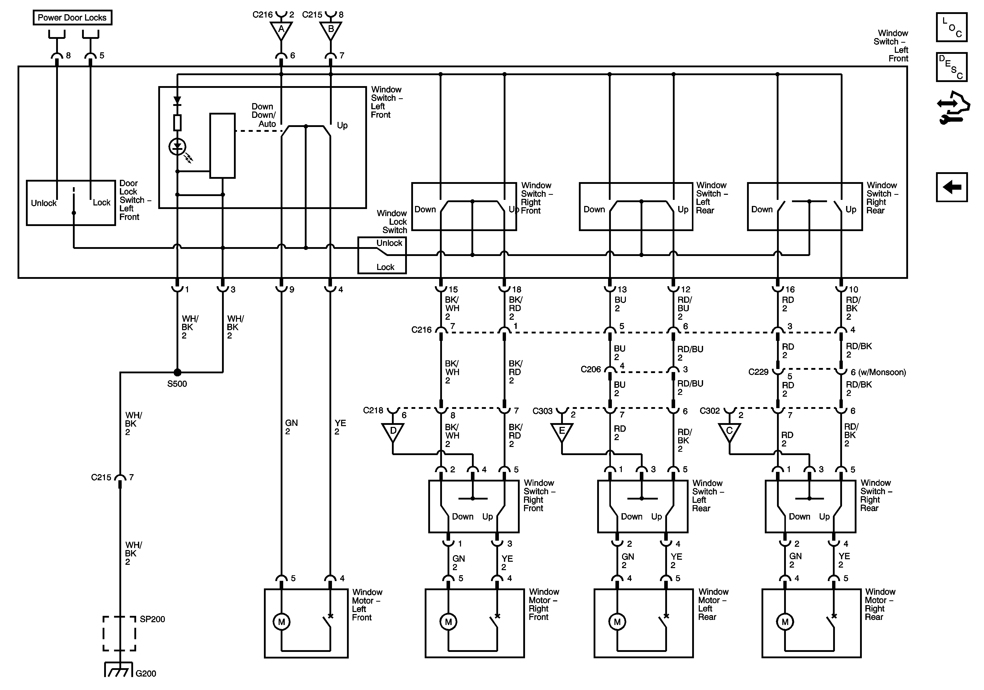
🢒 Power Window Schematics
Figure
1:
1 of 2
Master Electrical Component List
Power Windows Description and Operation
Control Module References
Power Window Schematics (2 of 2)
Wash, RR Wip, Wiper, ECU-IG, Gauge, Heater, DEF Fuses
Fuse Block - Instrument Panel
Power, AM 1, Door, Tail, P/Point, ECU-B, Stop, OBD, INV, Fuses
Sunroof Schematics
SP201 and G201
SP201 and G201
Figure
2:
2 of 2
Master Electrical Component List
Power Windows Description and Operation
Control Module References
Power Window Schematics (1 of 2)
Door Lock Switches, Front Door Lock Actuators
SP201 and G201