GM Service Manual Online
For 1990-2009 cars only
Makes
🢒
Pontiac
🢒
2005
🢒
Vibe - AWD
🢒
Body
🢒
Lighting Systems
🢒 Headlights/Daytime Running Lights (DRL) Schematics
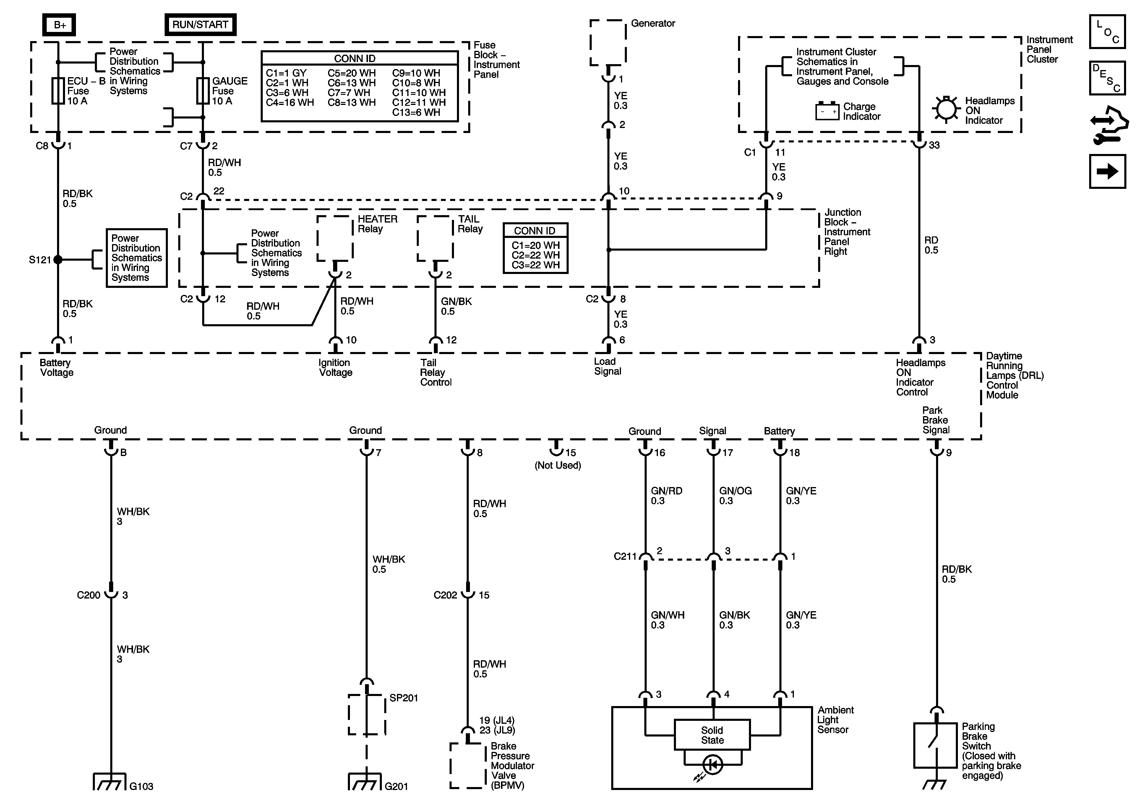
Figure
1:
Daytime Running Lamps (DRL) Control Module Power and Ground, Ambient Light Sensor
Master Electrical Component List
Exterior Lighting Systems Description and Operation
Control Module References
Turn Signal/Headlamp Switch
Power, AM 1, Door, Tail, P/Point, ECU-B, Stop, OBD, INV, Fuses
Power, AM 1, Door, Tail, P/Point, ECU-B, Stop, OBD, INV, Fuses
S103 and G103
SP201 and G201
Junction Block - Instrument Panel Right
Charge, Air Bag, Malfunction, O/D OFF, Cruise Indicators
Figure
2:
Turn Signal/Headlamp Switch
Master Electrical Component List
Exterior Lighting Systems Description and Operation
Control Module References
Headlamps
Daytime Running Lamp (DRL) Control Module Power and Ground
Multifunction Alarm Module, Horn, Hazard, Turn Signal/Headlamp Switch
Junction Block - Instrument Panel Left
SP201 and G201
Figure
3:
Headlamps
Master Electrical Component List
Exterior Lighting Systems Description and Operation
Control Module References
Turn Signal/Headlamp Switch
Air Pump, ETCS, Head, Alt S, EFI, EFI 2, Hazard Fuses
S103 and G103