GM Service Manual Online
For 1990-2009 cars only
Makes
🢒
Pontiac
🢒
2005
🢒
Vibe - AWD
🢒
Restraints
🢒
Seat Belts
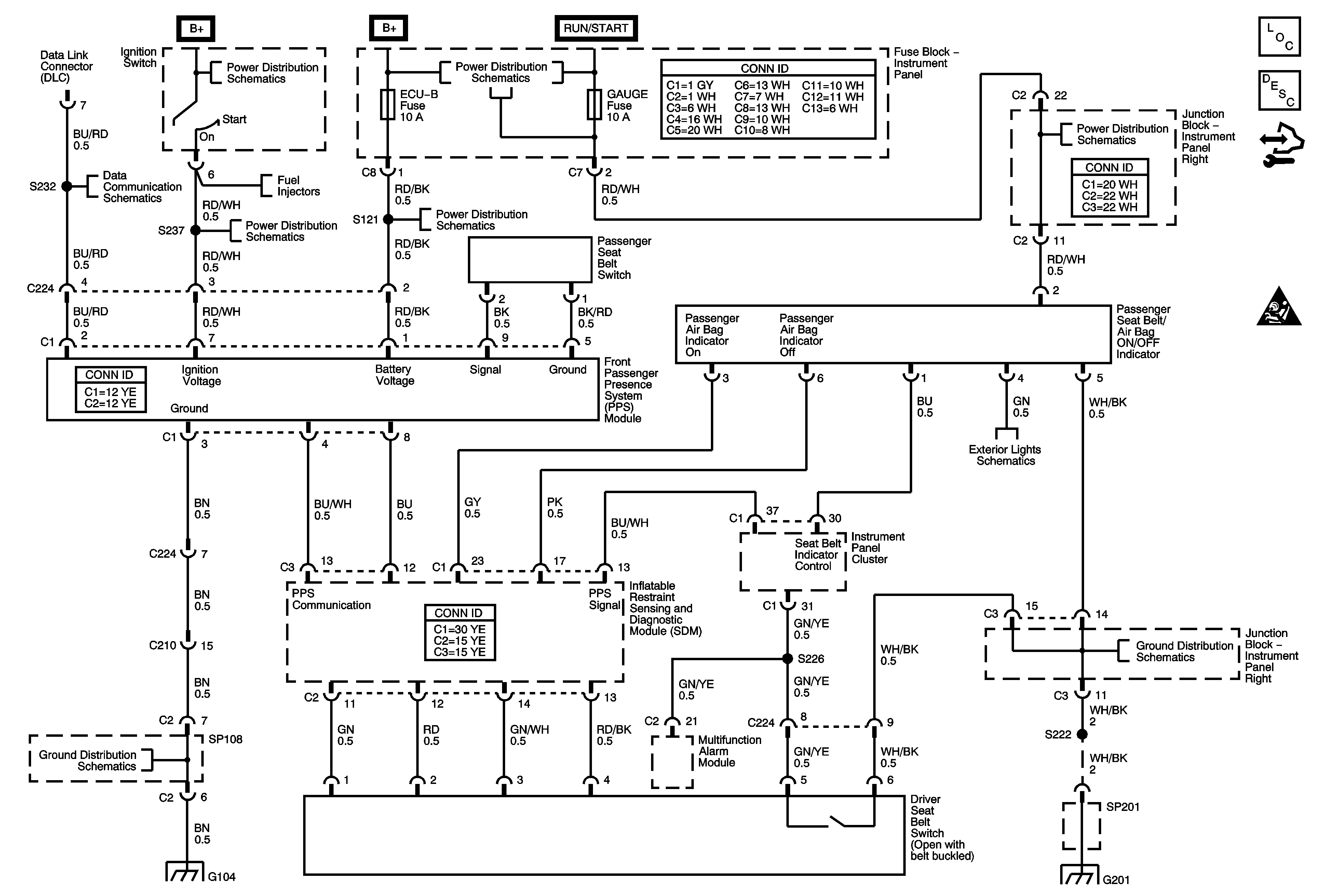
🢒 Seat Belt Schematics
Master Electrical Component List
Seat Belt System Description and Operation
Control Module References
SIR Caution for Zoning
Power, AM 1, Door, Tail, P/Point, ECU-B, Stop, OBD, INV, Fuses
Wash, RR Wip, Wiper, ECU-IG, Gauge, Heater, DEF Fuses
Data Link Connector - 1 of 3
Power, AM 1, Door, Tail, P/Point, ECU-B, Stop, OBD, INV, Fuses
Ignition Switch (2 of 2)
Ignition Switch (2 of 2)
Junction Block - Instrument Panel Right
SP107, SP108, G104
SP107, SP108, G104
Illumination Lamps
Junction Block - Instrument Panel Right
SP201 and G201