GM Service Manual Online
For 1990-2009 cars only
Makes
🢒
Pontiac
🢒
2005
🢒
Vibe - AWD
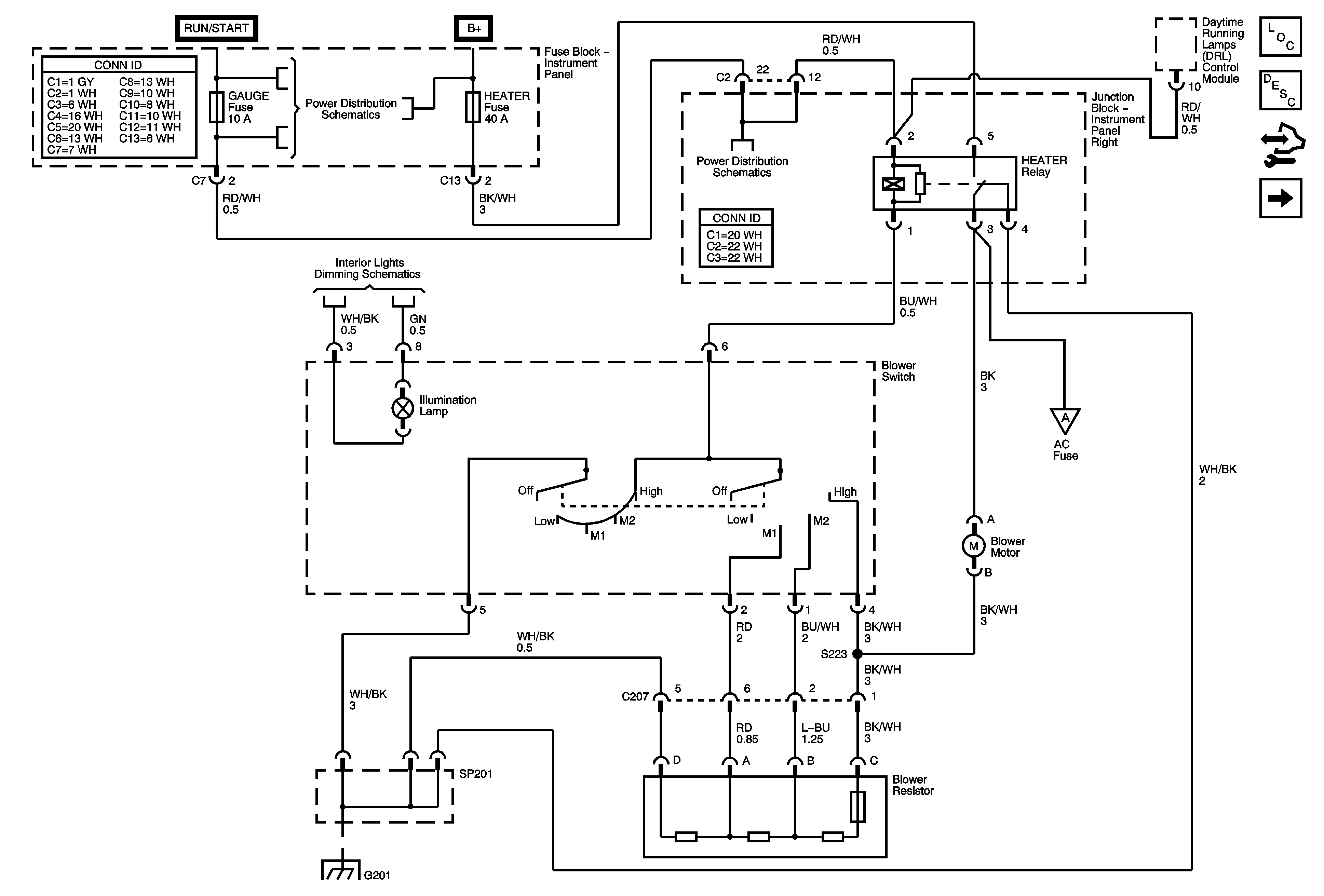
🢒 Blower Controls
Blower Controls
Blower Controls
Master Electrical Component List
Air Delivery Description and Operation
Control Module References
A/C Compressor Controls
Wash, RR Wip, Wiper, ECU-IG, Gauge, Heater, DEF Fuses
Illumination Lamps
SP201 and G201
Junction Block - Instrument Panel Right