GM Service Manual Online
For 1990-2009 cars only
Figure 1:

TAIL Relay and Turn Signal/Headlamp Switch


Object Number: 785616  Size: FS
Master Electrical Component List
Exterior Lighting Systems Description and Operation
Park Lamps
POWER, AM-1, DOOR, TAIL, P/POINT, ECU-B, STOP, OBD and INV Fuses
Left Instrument Panel Junction Block
SP200 and G200
Figure 2:

Park Lamps


Object Number: 785617  Size: FS
Master Electrical Component List
Exterior Lighting Systems Description and Operation
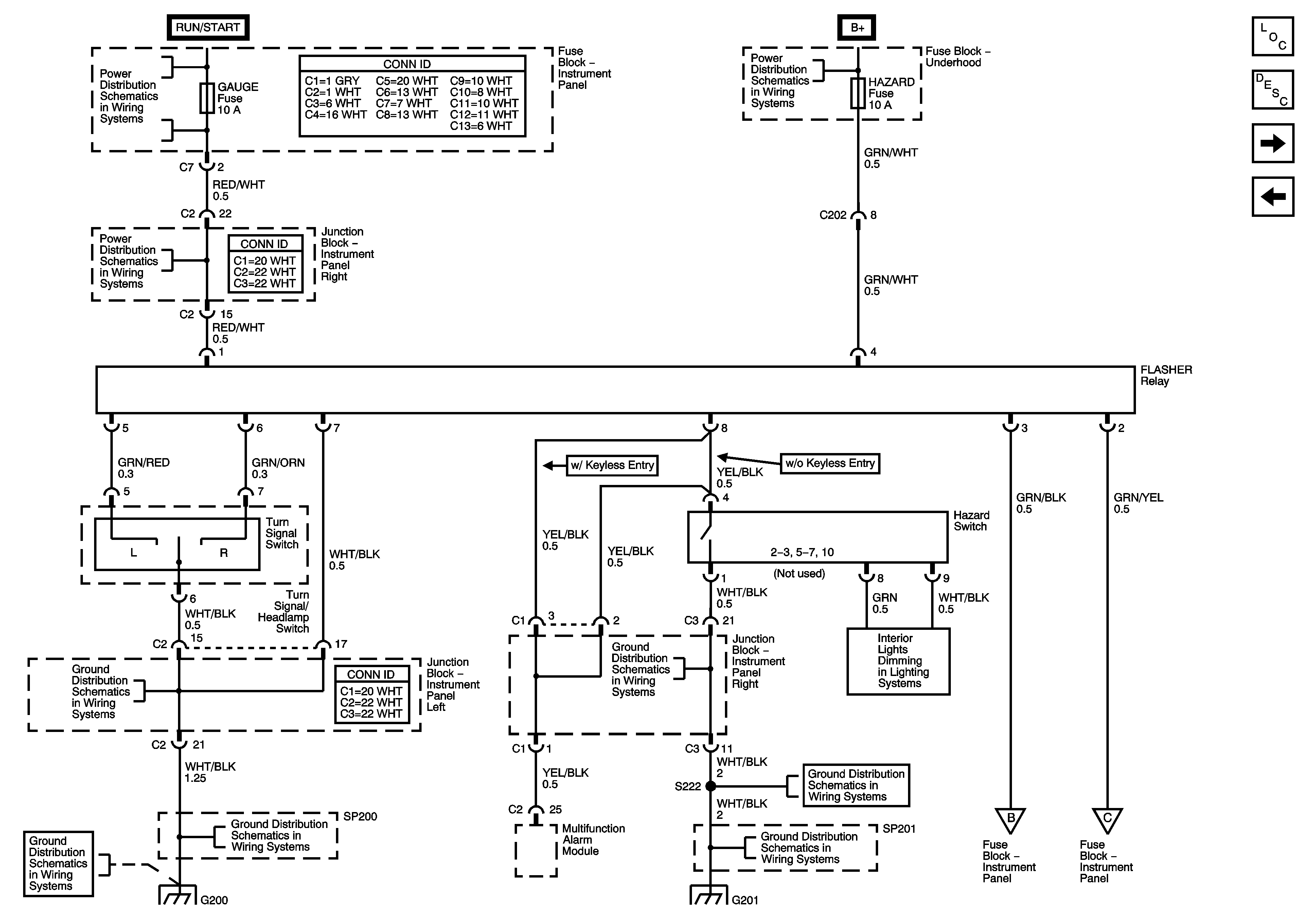
Turn Signal/Headlamp Switch, Hazard Switch and Flasher Relay
TAIL Relay and Turn Signal/Headlamp Switch
G100, G101, G102 and G103
S103 and G103
SP300
G202, G300 and G301
SP400
G202, G300 and G301
Figure 3:

Turn Signal/Headlamp Switch, Hazard Switch and Flasher Relay


Object Number: 855836  Size: FS
Master Electrical Component List
Exterior Lighting Systems Description and Operation
Turn Indicators and Turn Lamps
Park Lamps
WASH, RR WIP, WIPER, ECU-IG, GAUGE, HEATER, and DEF Fuses
Heater Relay, Right Instrument Panel Junction Block
H-MAIN, ALT-S, EFI and HAZ Fuses
Left Instrument Panel Junction Block
SP200 and G200
Right Instrument Panel Junction Block
SP201 and G201
IP Lamp Dimmer
Figure 4:

Turn Indicators and Turn Lamps


Object Number: 785618  Size: FS
Master Electrical Component List
Exterior Lighting Systems Description and Operation
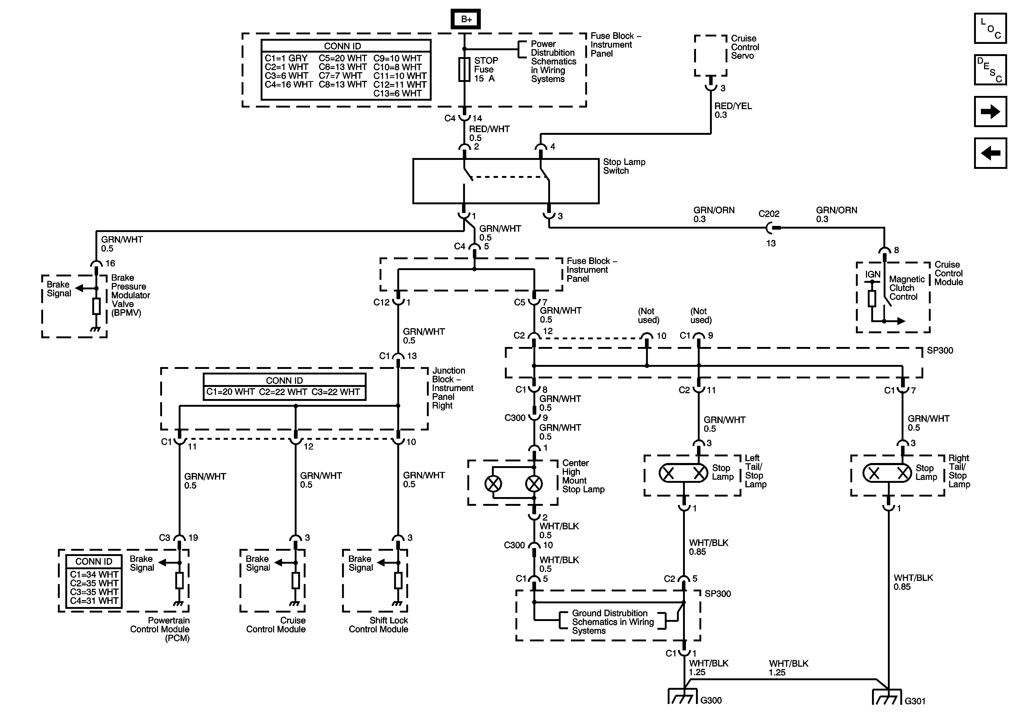
Stoplamps
Turn Signal/Headlamp Switch, Hazard Switch and Flasher Relay
Left Instrument Panel Junction Block
SP200 and G200
SP300
S103 and G103
G202, G300 and G301
G100, G101, G102 and G103
Figure 5:

Stop Lamps


Object Number: 785619  Size: FS
Master Electrical Component List
Exterior Lighting Systems Description and Operation
Back Up Lamps
Turn Indicators and Turn Lamps
SP300
Figure 6:

Back Up Lamps


Object Number: 785620  Size: FS
Master Electrical Component List
Exterior Lighting Systems Description and Operation
Stoplamps
WASH, RR WIP, WIPER, ECU-IG, GAUGE, HEATER, and DEF Fuses
Heater Relay, Right Instrument Panel Junction Block
Heater Relay, Right Instrument Panel Junction Block
SP300
G202, G300 and G301