GM Service Manual Online
For 1990-2009 cars only
Figure 1:

Radio -- U1P and UC6


Object Number: 785644  Size: FS
Master Electrical Component List
Radio/Audio System Description and Operation
Radio U1P and UC6 with UZ6 Amplifier
HORN, DOME, MAIN and AMP Fuses
HORN, DOME, MAIN and AMP Fuses
HORN, DOME, MAIN and AMP Fuses
Ignition Switch, CIG and IG 1 Fuses
Illumination Lamps
Park Lamps
Figure 2:

Radio -- U1P and UC6 with UZ6 Amplifier


Object Number: 864548  Size: FS
Master Electrical Component List
Radio/Audio System Description and Operation
Navigation Radio U1A
Radio U1P and UV6
HORN, DOME, MAIN and AMP Fuses
SP200 and G200
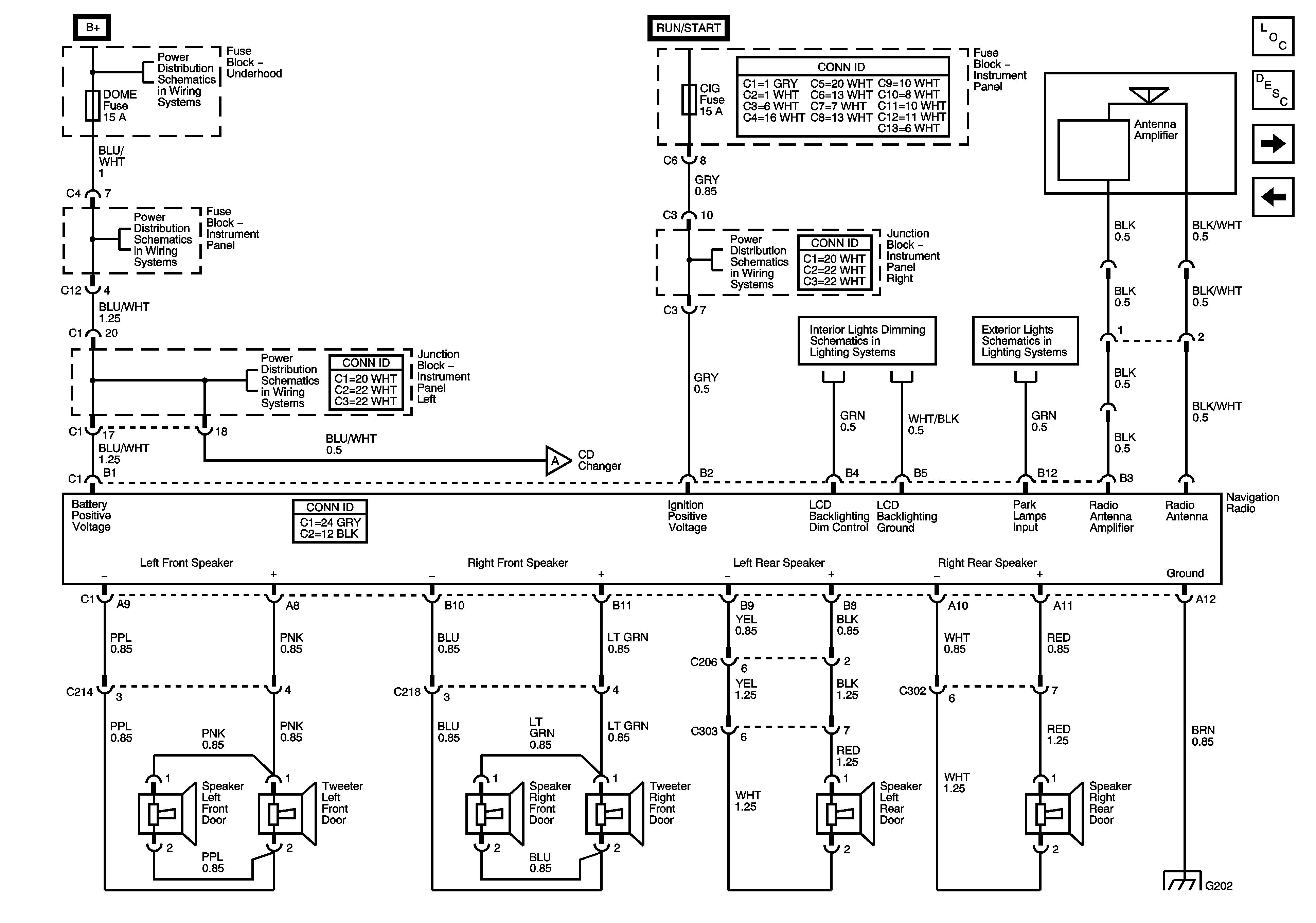
Figure 3:

Navigation Radio -- U1A


Object Number: 785587  Size: FS
Master Electrical Component List
Radio/Audio System Description and Operation
Navigation Radio U1A and Remote CD Player
Radio U1P and UC6 with UZ6 Amplifier
HORN, DOME, MAIN and AMP Fuses
HORN, DOME, MAIN and AMP Fuses
HORN, DOME, MAIN and AMP Fuses
Ignition Switch, CIG and IG 1 Fuses
Illumination Lamps
Park Lamps
Figure 4:

Navigation Radio -- U1A and Remote CD Player


Object Number: 785645  Size: FS
Master Electrical Component List
Radio/Audio System Description and Operation
Navigation Radio U1A
Tachometer, Speedometer and Headlamps ON Indicator
Back Up Lamps
SP201 and G201
SP201 and G201