GM Service Manual Online
For 1990-2009 cars only
Makes
🢒
Pontiac
🢒
2003
🢒
Vibe - FWD
🢒
Body and Accessories
🢒
Navigation Systems
🢒 Navigation System Schematics
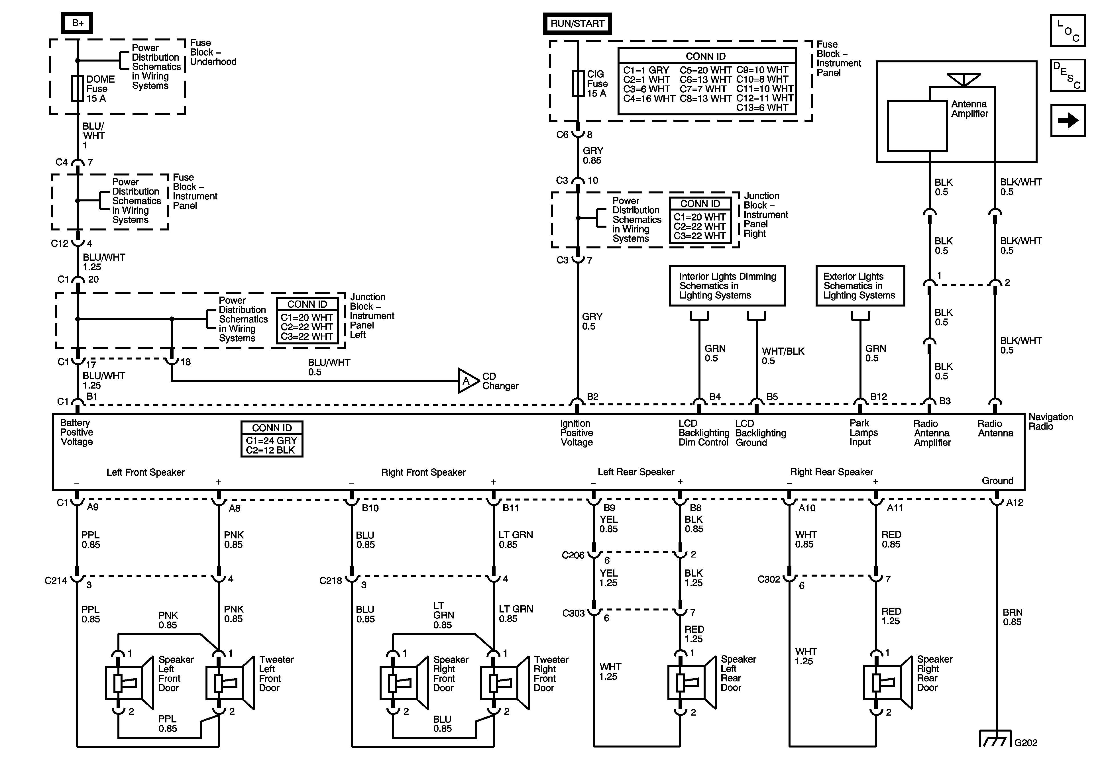
Figure
1:
Navigation Radio -- U1A
Master Electrical Component List
Navigation System Description and Operation
Navigation Radio U1A and Remote CD Player
Radio U1P and UC6 with UZ6 Amplifier
HORN, DOME, MAIN and AMP Fuses
HORN, DOME, MAIN and AMP Fuses
HORN, DOME, MAIN and AMP Fuses
Ignition Switch, CIG and IG 1 Fuses
Illumination Lamps
Park Lamps
Figure
2:
Navigation Radio -- U1A and Remote CD Player
Master Electrical Component List
Navigation System Description and Operation
Navigation Radio U1A
Tachometer, Speedometer and Headlamps ON Indicator
Back Up Lamps
SP201 and G201
SP201 and G201