GM Service Manual Online
For 1990-2009 cars only
Figure 1:

High Beam, Door Open Indicators and Engine Coolant Temperature (ECT) Gauge


Object Number: 785608  Size: FS
Master Electrical Component List
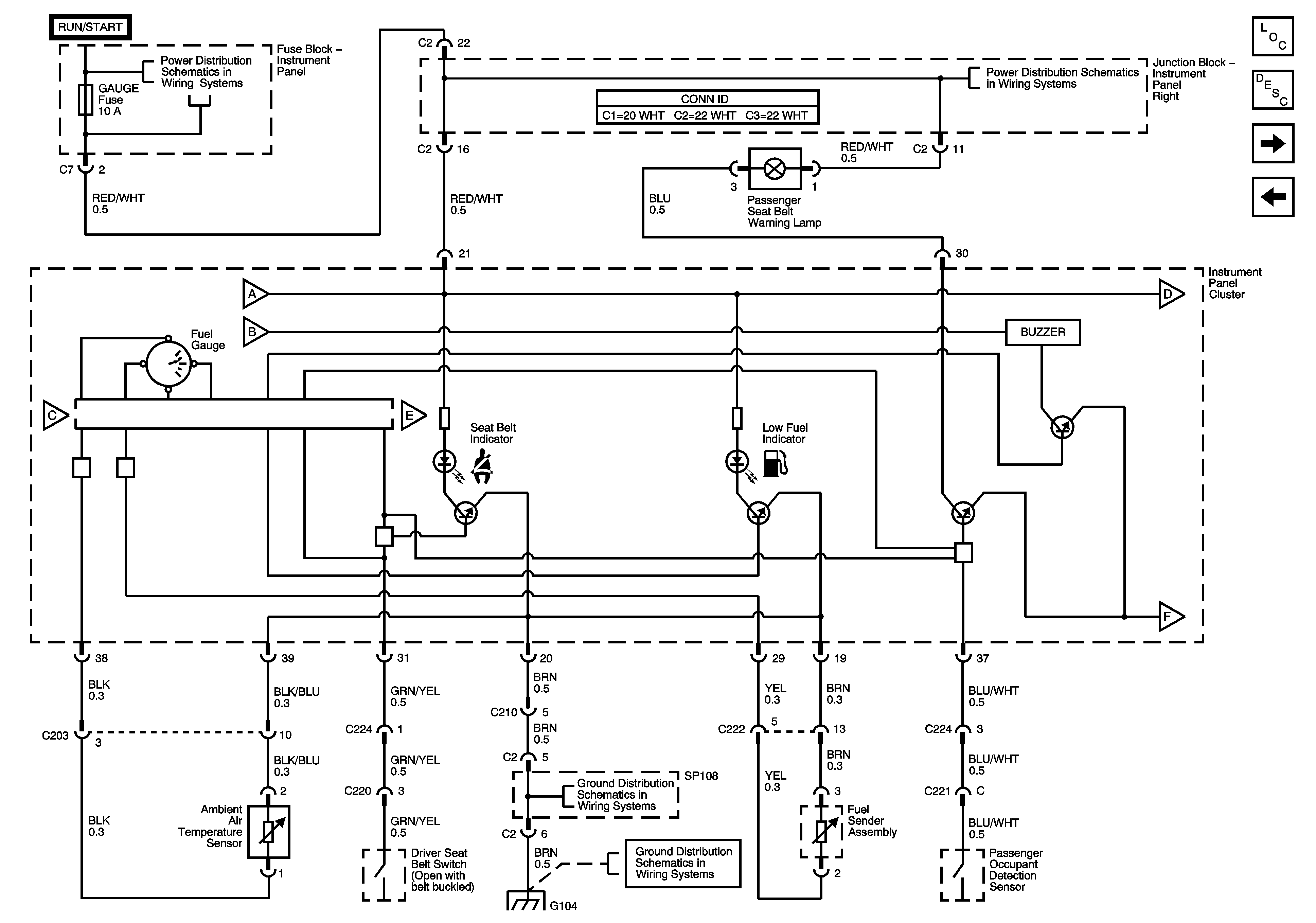
Fuel Gauge, Seat Belt, Low Fuel Indicators and Seat Belt Buzzer
H-MAIN, ALT-S, EFI and HAZ Fuses
HORN, DOME, MAIN and AMP Fuses
HORN, DOME, MAIN and AMP Fuses
HORN, DOME, MAIN and AMP Fuses
Figure 2:

Fuel Gauge, Seat Belt, Low Fuel Indicators and Seat Belt Buzzer


Object Number: 785609  Size: FS
Master Electrical Component List
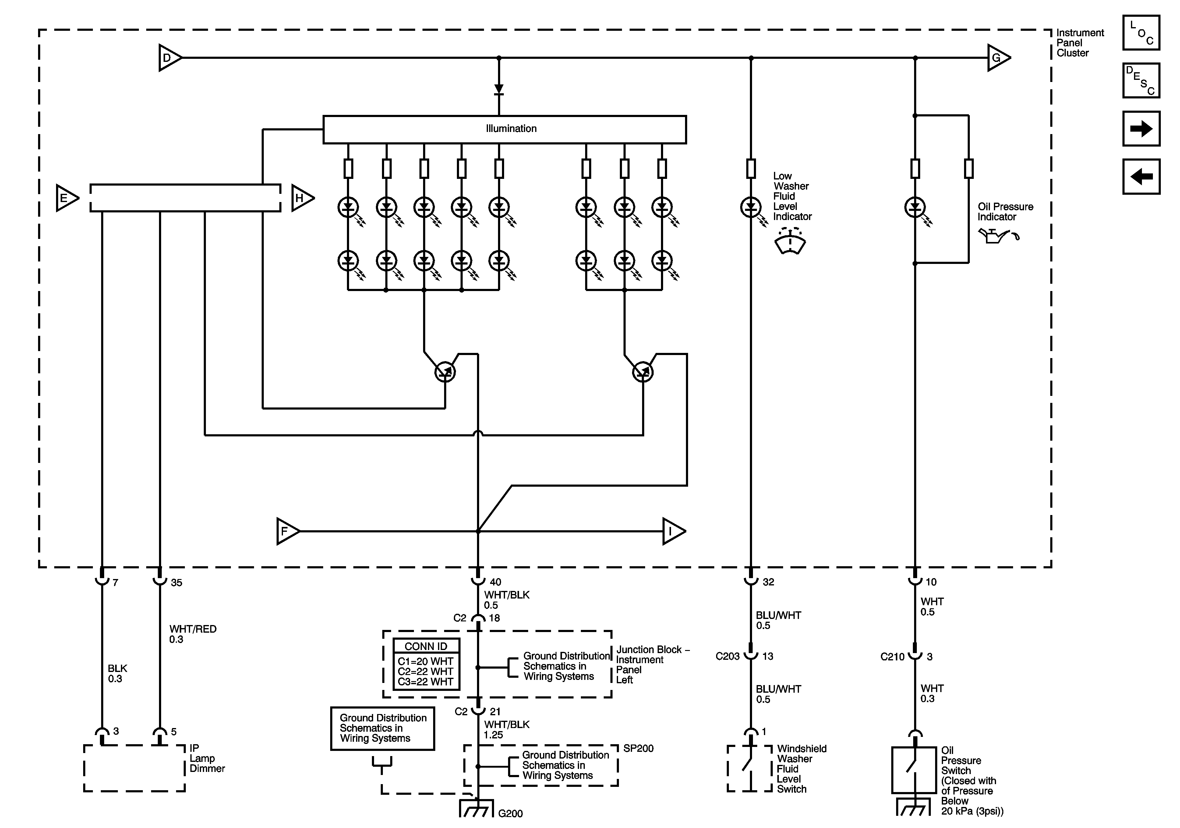
IP Illumination, Low Washer Fluid, Oil Pressure Indicators
High Beam, Door Open Indicators and ECT Gauge
WASH, RR WIP, WIPER, ECU-IG, GAUGE, HEATER, and DEF Fuses
Heater Relay, Right Instrument Panel Junction Block
SP107, SP108 and G104
Figure 3:

IP Illumination, Low Washer Fluid, Oil Pressure Indicators


Object Number: 785610  Size: FS
Master Electrical Component List
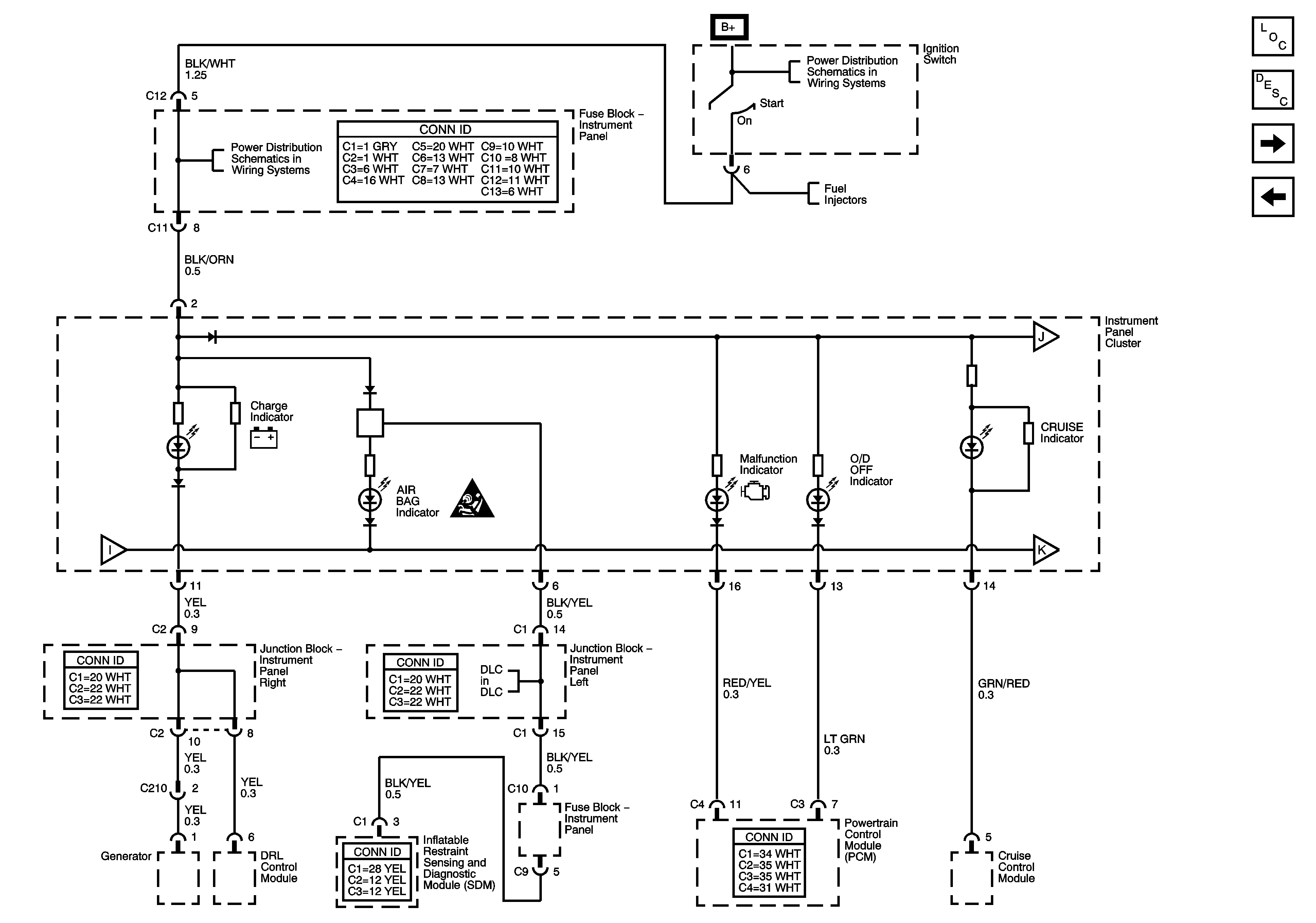
Charge, Air Bag, Malfunction, O/D Off, Cruise Indicators
Fuel Gauge, Seat Belt, Low Fuel Indicators and Seat Belt Buzzer
Left Instrument Panel Junction Block
SP200 and G200
Figure 4:

Charge, Air Bag, Malfunction, O/D Off, Cruise Indicators


Object Number: 785611  Size: FS
Master Electrical Component List
Brake, ABS Indicators, Turn Indicators
IP Illumination, Low Washer Fluid, Oil Pressure Indicators
Ignition Switch and C/OPN Relay
Ignition Switch and C/OPN Relay
Figure 5:

Brake, ABS Indicators, Turn Indicators


Object Number: 787243  Size: FS
Master Electrical Component List
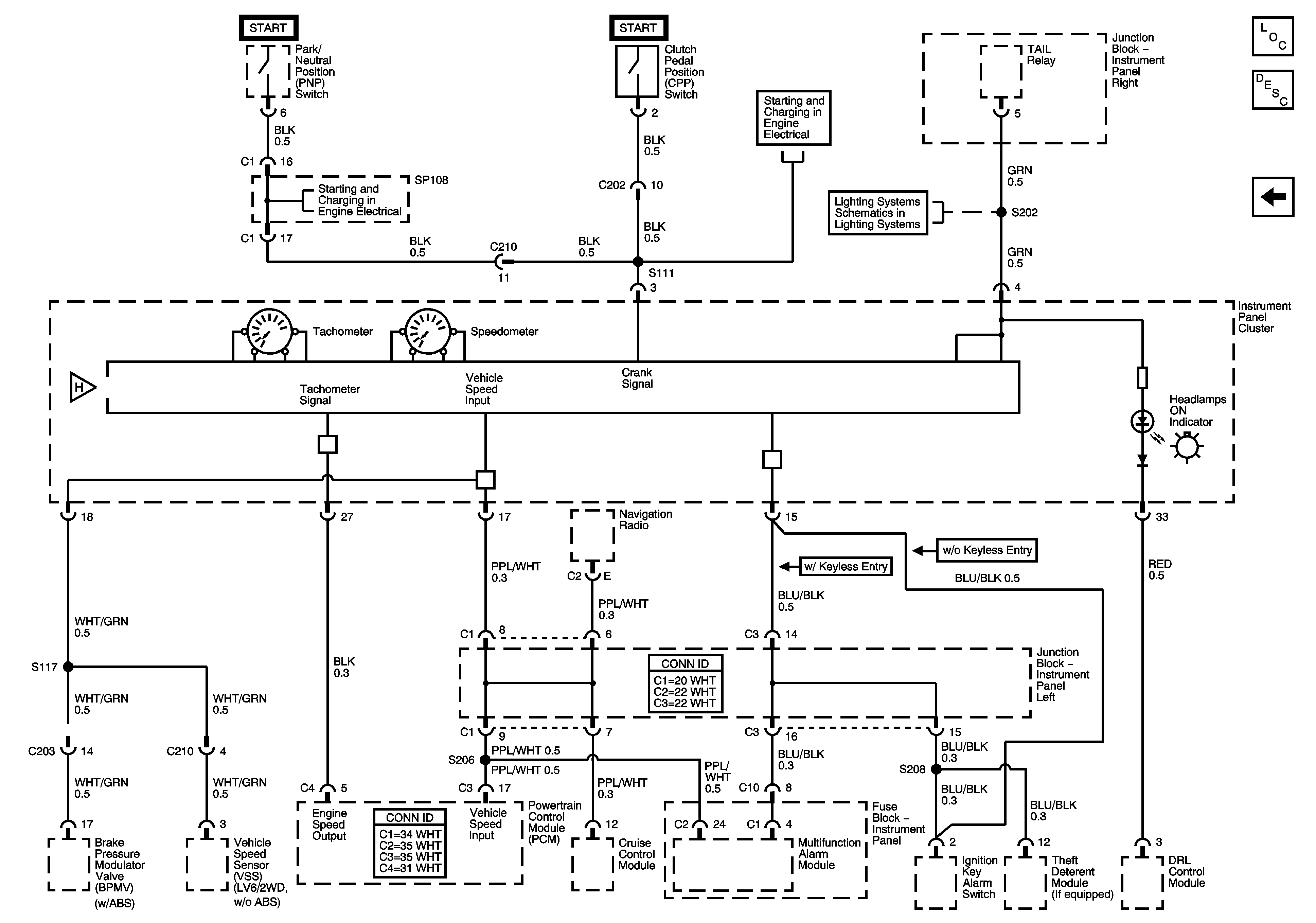
Tachometer, Speedometer and Headlamps ON Indicator
Charge, Air Bag, Malfunction, O/D Off, Cruise Indicators
G100, G101, G102 and G103
Turn Indicators and Turn Lamps
Figure 6:

Tachometer, Speedometer and Headlamps ON Indicator


Object Number: 787245  Size: FS
Brake, ABS Indicators, Turn Indicators
Starting System
Starting System
Park Lamps