GM Service Manual Online
For 1990-2009 cars only
Figure 1:

Power, Ground, Serial Data, and Digital Radio Receiver


Object Number: 1533283  Size: FS
Master Electrical Component List
Radio/Audio System Description and Operation
Control Module References
Bose Radio
B+ Bus - Rear Fuse Block
Video
Video
Video
SP 205
Gages
G102
Entertainment Schematic Icons
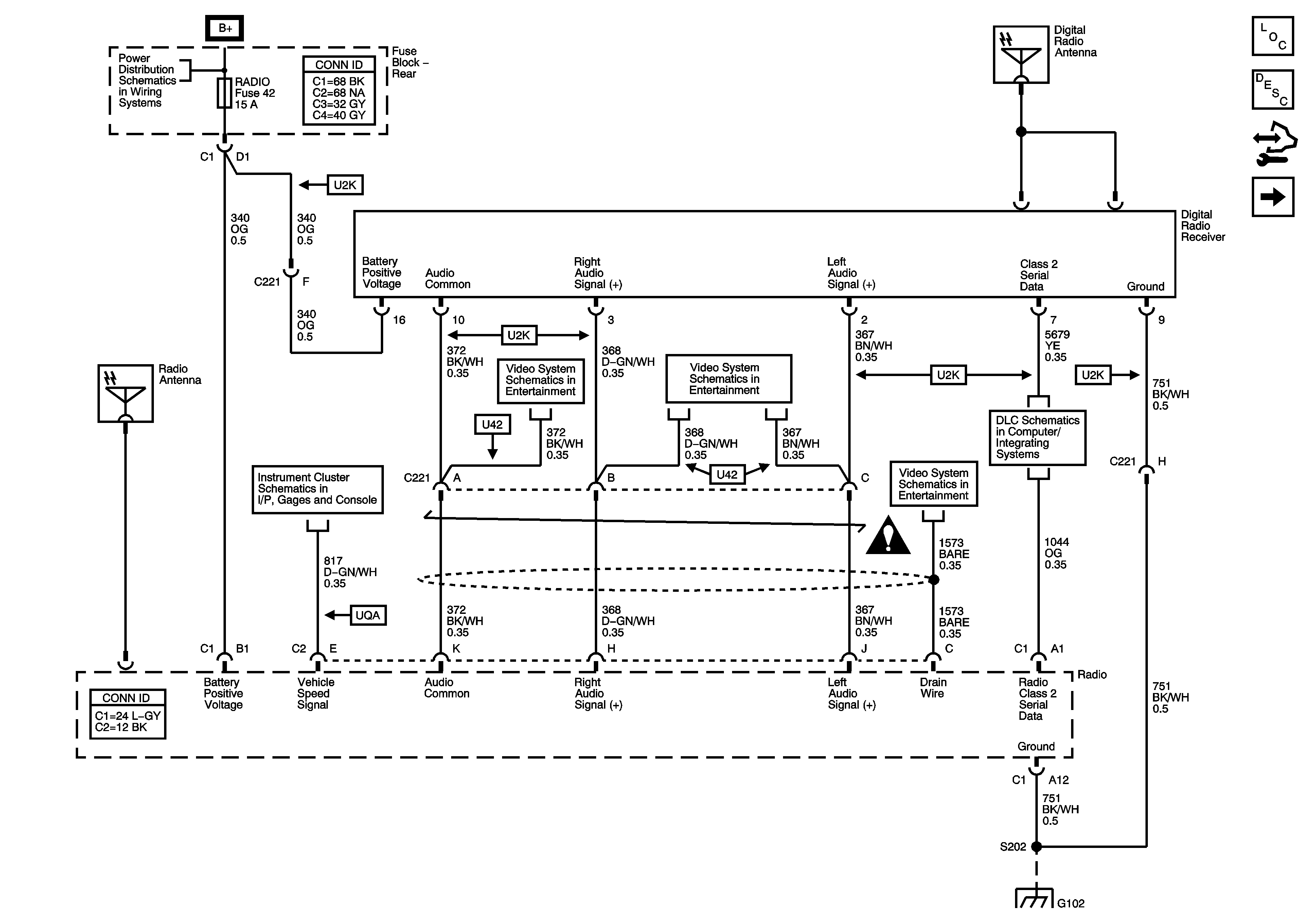
Figure 2:

Bose® Radio


Object Number: 1533284  Size: FS
Master Electrical Component List
Radio/Audio System Description and Operation
Control Module References
Audio Amplifier, Power, Ground, and Premium Radio Low Level Audio Outputs\
Power, Ground, Serial Data, and Digital Radio Receiver
B+ Bus - Rear Fuse Block
HVAC B, LGM/DSM, OH BATT/ONSTAR, and RADIO Fuses
SP 205
G201 - 1 of 2
Entertainment Schematic Icons
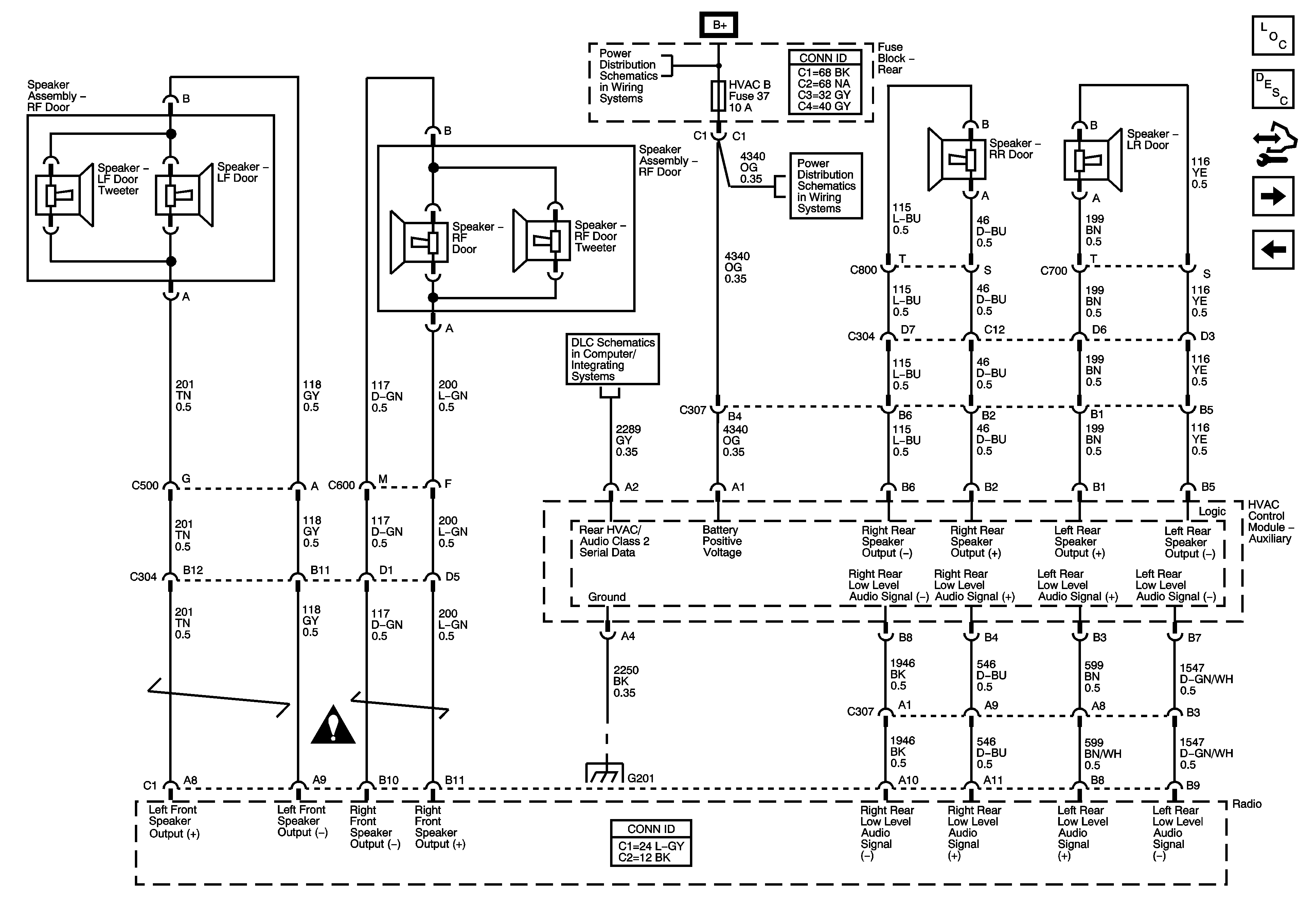
Figure 3:

Audio Amplifier, Power, Ground, and Premium Radio Low Level Audio Outputs


Object Number: 1533285  Size: FS
Master Electrical Component List
Radio/Audio System Description and Operation
Control Module References
Premium Radio Amplifier Outputs
Bose Radio
B+ Bus - Rear Fuse Block
HVAC B, LGM/DSM, OH BATT/ONSTAR, and RADIO Fuses
SP 205
G201 - 1 of 2
G401, G402, and G403
Entertainment Schematic Icons
Entertainment Schematic Icons
Entertainment Schematic Icons
Entertainment Schematic Icons
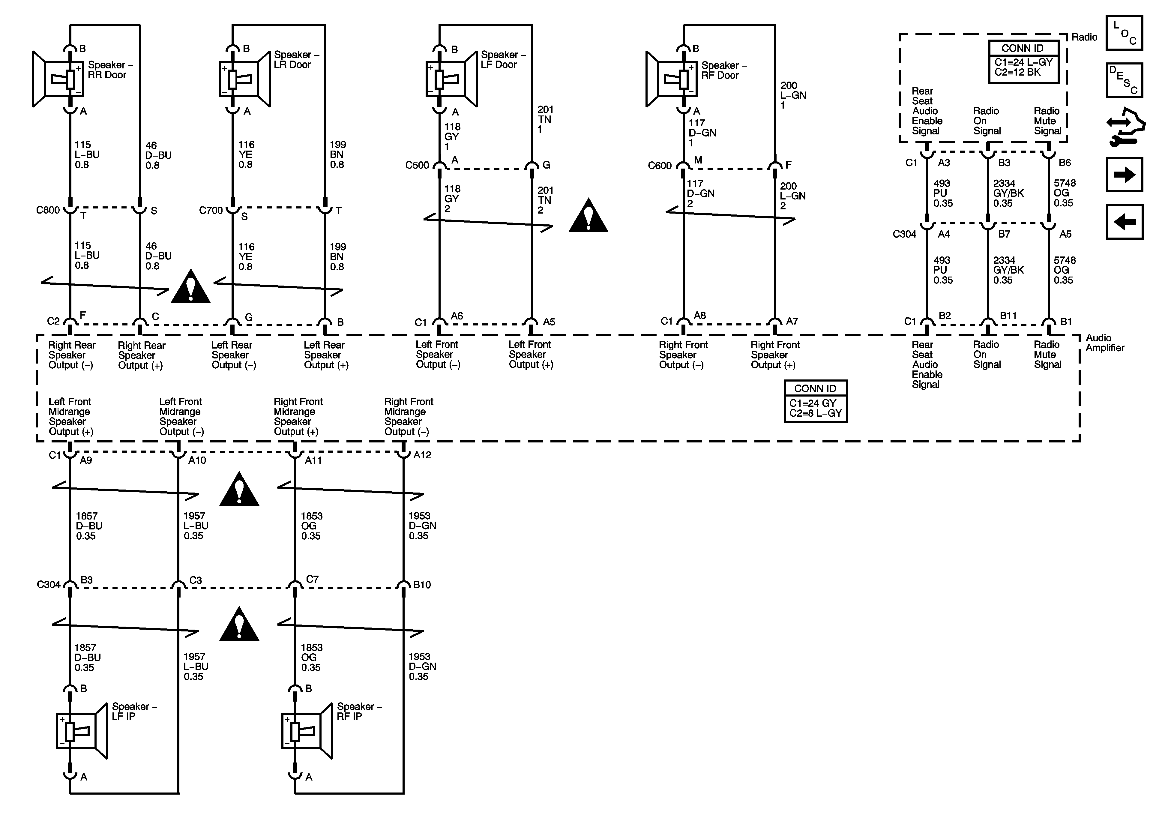
Figure 4:

Premium Radio Amplifier Outputs


Object Number: 1533286  Size: FS
Master Electrical Component List
Radio/Audio System Description and Operation
Control Module References
Steering Wheel Controls
Audio Amplifier, Power, Ground, and Premium Radio Low Level Audio Outputs\
Entertainment Schematic Icons
Entertainment Schematic Icons
Entertainment Schematic Icons
Entertainment Schematic Icons
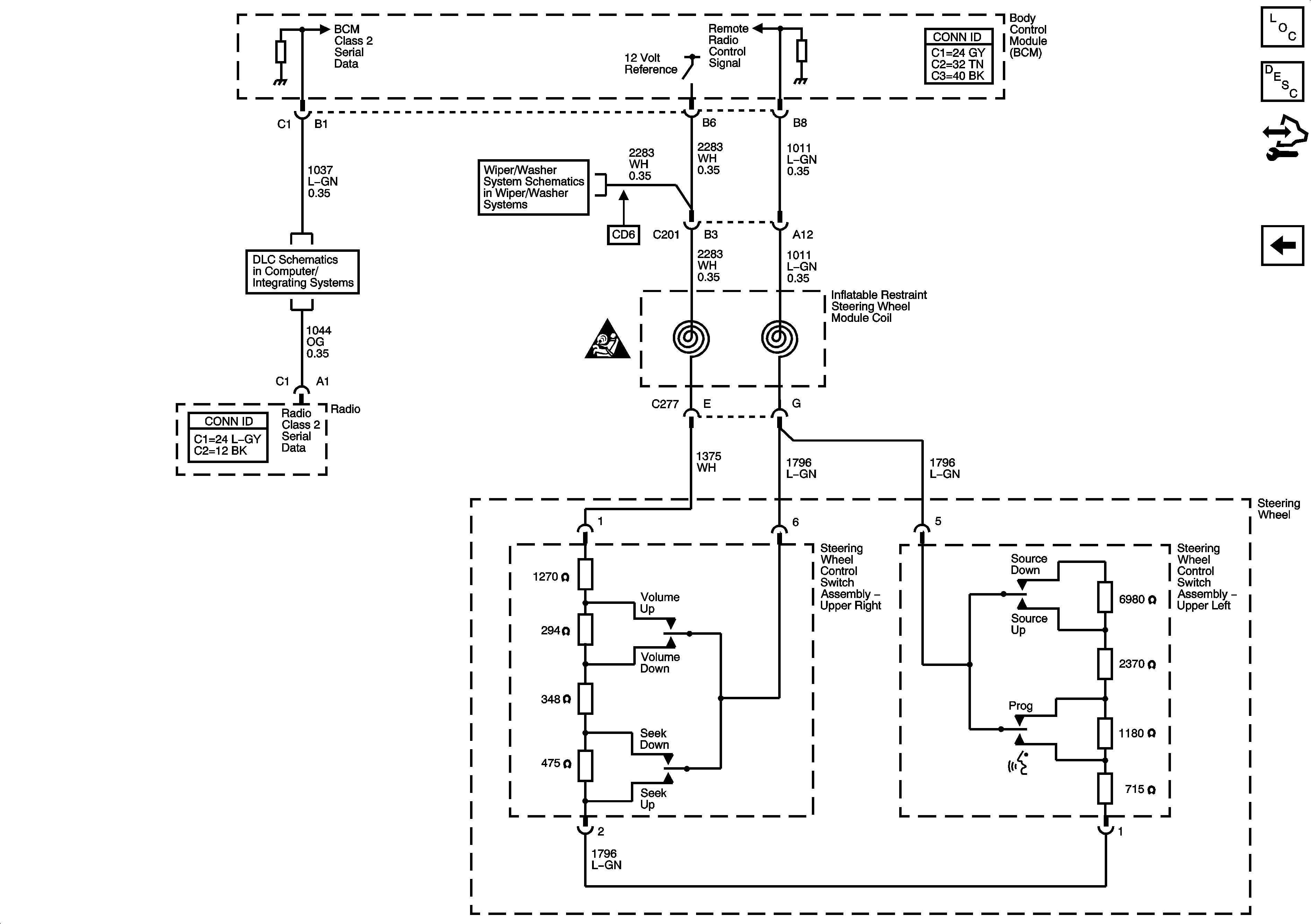
Figure 5:

Steering Wheel Controls


Object Number: 1533287  Size: FS
Master Electrical Component List
Radio/Audio System Description and Operation
Control Module References
Premium Radio Amplifier Outputs
Rear Wiper/Washer Controls (CD6)
SP 205
SIR Caution for Zoning