GM Service Manual Online
For 1990-2009 cars only
Makes
🢒
Saab
🢒
2006
🢒
9-7x
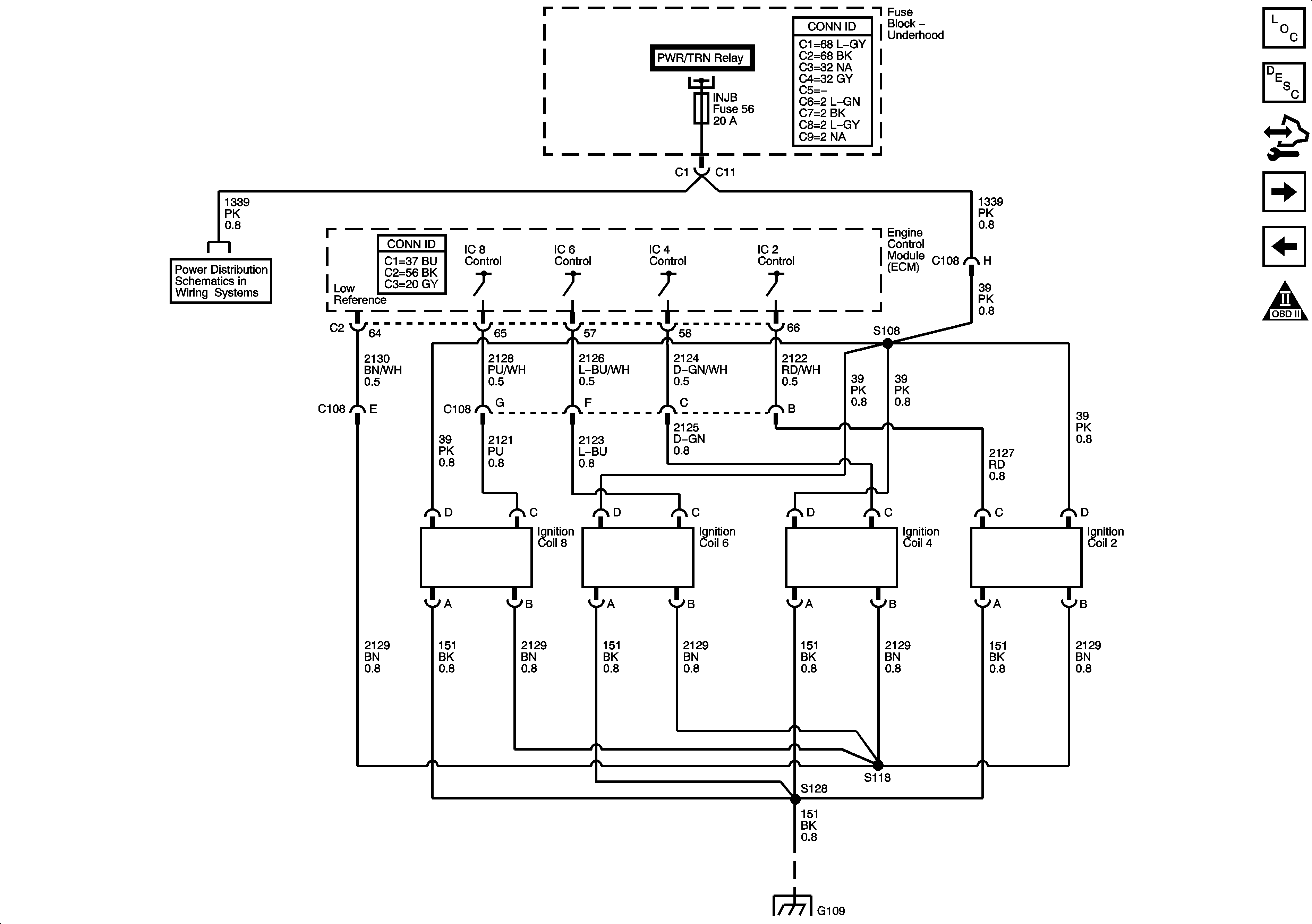
🢒 Ignition Controls - Ignition System Coils 2, 4, 6, 8
Ignition Controls - Ignition System Coils 2, 4, 6, 8
Ignition Controls - Ignition System Coils 2, 4, 6, 8
Master Electrical Component List
Engine Control Module Description
Control Module References
Ignition Controls - Sensors and DOD Controls
Ignition Controls - Ignition System Coils 1, 3, 5, 7
Engine Controls Schematic Icons
Fuse Block Underhood - PWR/TRN Relay - 1 of 2
ENG I, INJA, INJB, O2 SNSR A, and O2 SNSR B Fuses - 5.3L
G109