GM Service Manual Online
For 1990-2009 cars only
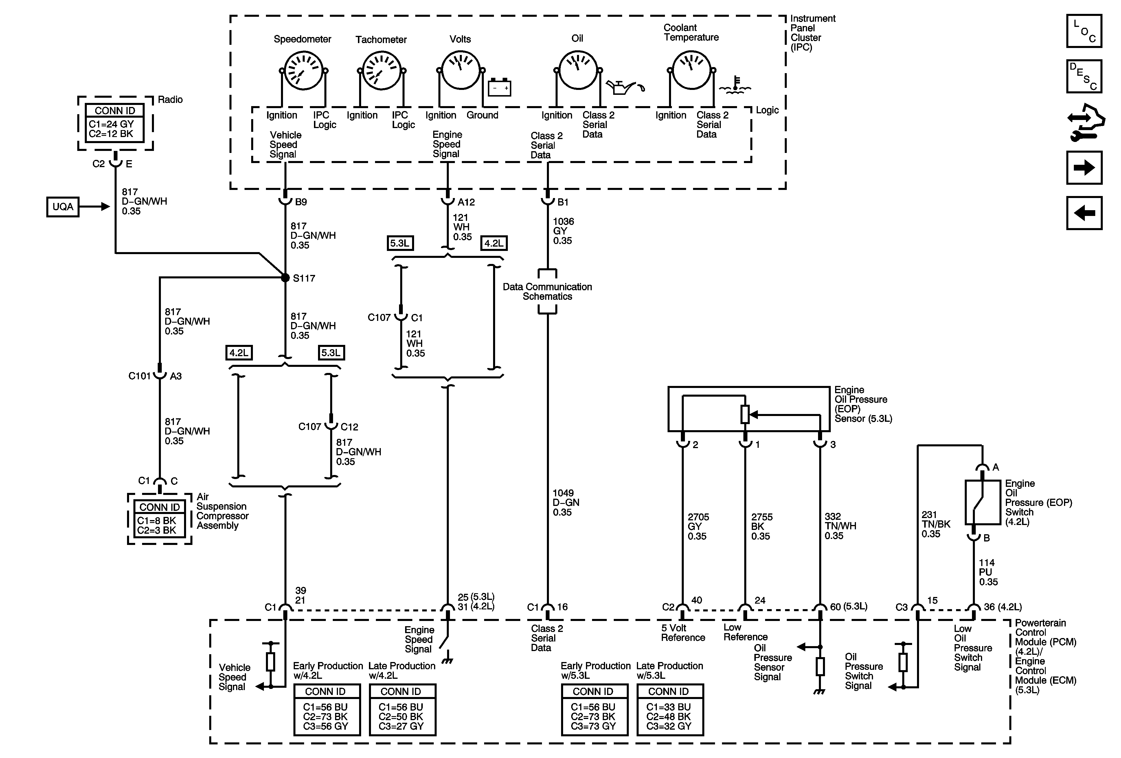
Figure 1:

Power, Ground, Serial Data, and MIL


Object Number: 1749003  Size: FS
Master Electrical Component List
Instrument Cluster Description and Operation
Control Module References
Gages
B+ BUS - Underhood Fuse Block - 1 of 2
B+ BUS - Underhood Fuse Block - 2 of 2
G104, G105, and G107
BCK/UP, BTSI, IGN E, and TRLR BCK/UP Fuses
BCK/UP, BTSI, IGN E, and TRLR BCK/UP Fuses
G104, G105, and G107
BCK/UP, BTSI, IGN E, and TRLR BCK/UP Fuses
G102
SP205
Wiper/Washer Switch and Washer Fluid Level Switch
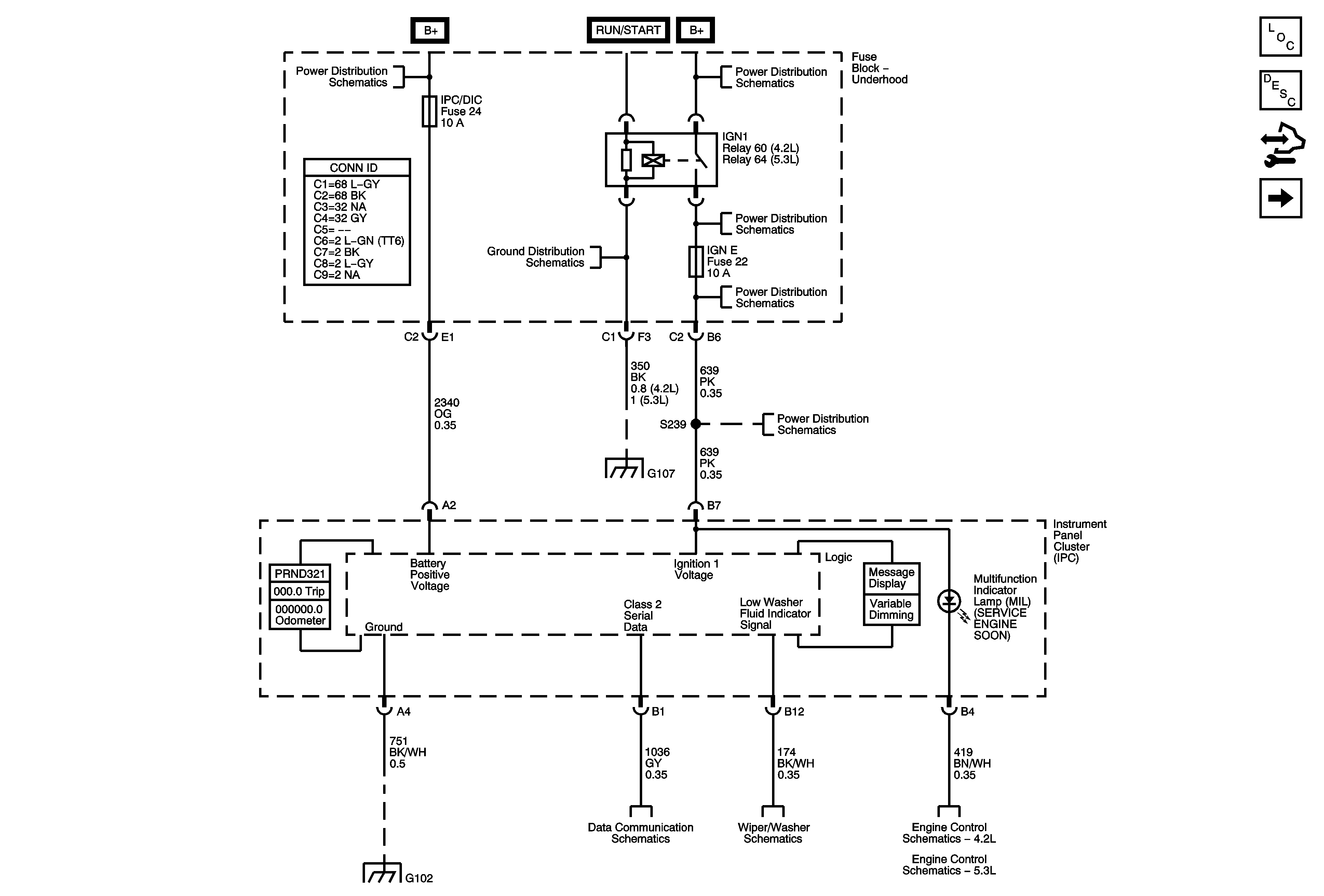
Module Power, Grounds, Serial Data, and MIL
Module Power, Ground, Serial Data, and MIL
Figure 2:

Gages


Object Number: 1749004  Size: FS
Master Electrical Component List
Indicator/Warning Message Description and Operation
Control Module References
Indicators
Power, Ground, Serial Data, and MIL
SP205
Figure 3:

Indicators


Object Number: 1749007  Size: FS
Master Electrical Component List
Indicator/Warning Message Description and Operation
Control Module References
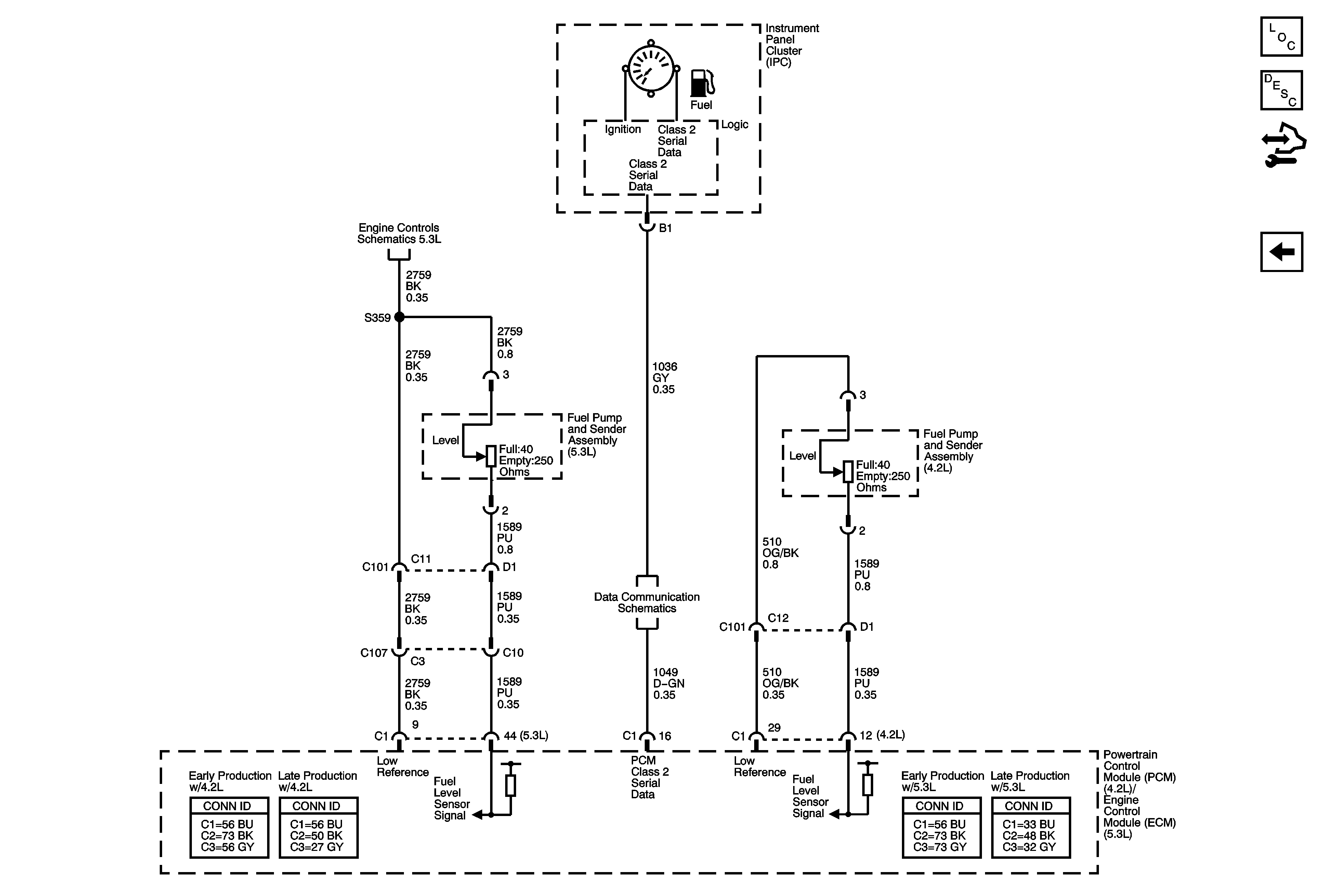
Fuel Gage
Gages
Driver Information Center (DIC) Switch
Left Turn Signals
Right Turn Signals
SP205
Figure 4:

Fuel Gage


Object Number: 1749008  Size: FS
Master Electrical Component List
Indicator/Warning Message Description and Operation
Control Module References
Indicators
Engine Data Sensors - 5-Volt and Low Reference
SP205