GM Service Manual Online
For 1990-2009 cars only
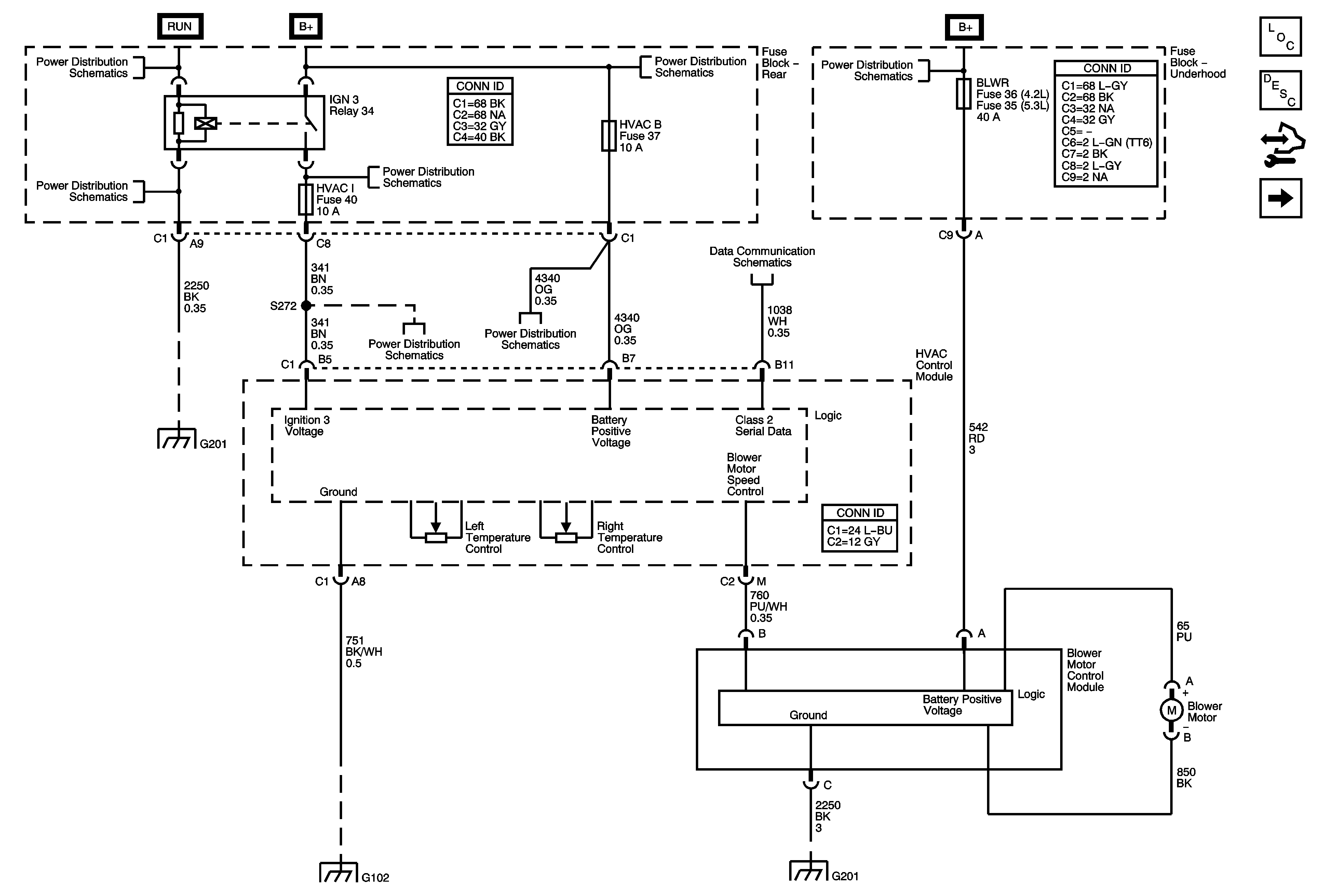
Figure 1:

Module Power, Ground, Serial Data, and Blower Motor


Object Number: 1749132  Size: FS
Master Electrical Component List
Air Delivery Description and Operation
Control Module References
Compressor Controls
Ignition Switch - ACCY/RUN/START, RUN, START Bus Bars, and IGNA1 Fuse
B+ BUS - Rear Fuse Block
B+ BUS - Underhood Fuse Block - 1 of 2
G201 - 1 of 2
4WD, BRK, FRT WPR, HVAC I, IGN 0, and TCM Fuses
4WD, BRK, FRT WPR, HVAC I, IGN 0, and TCM Fuses
HVAC B, LGM/DSM, OH BATT/ONSTAR, and RADIO Fuses
SP205
G201 - 1 of 2
G102
G201 - 1 of 2
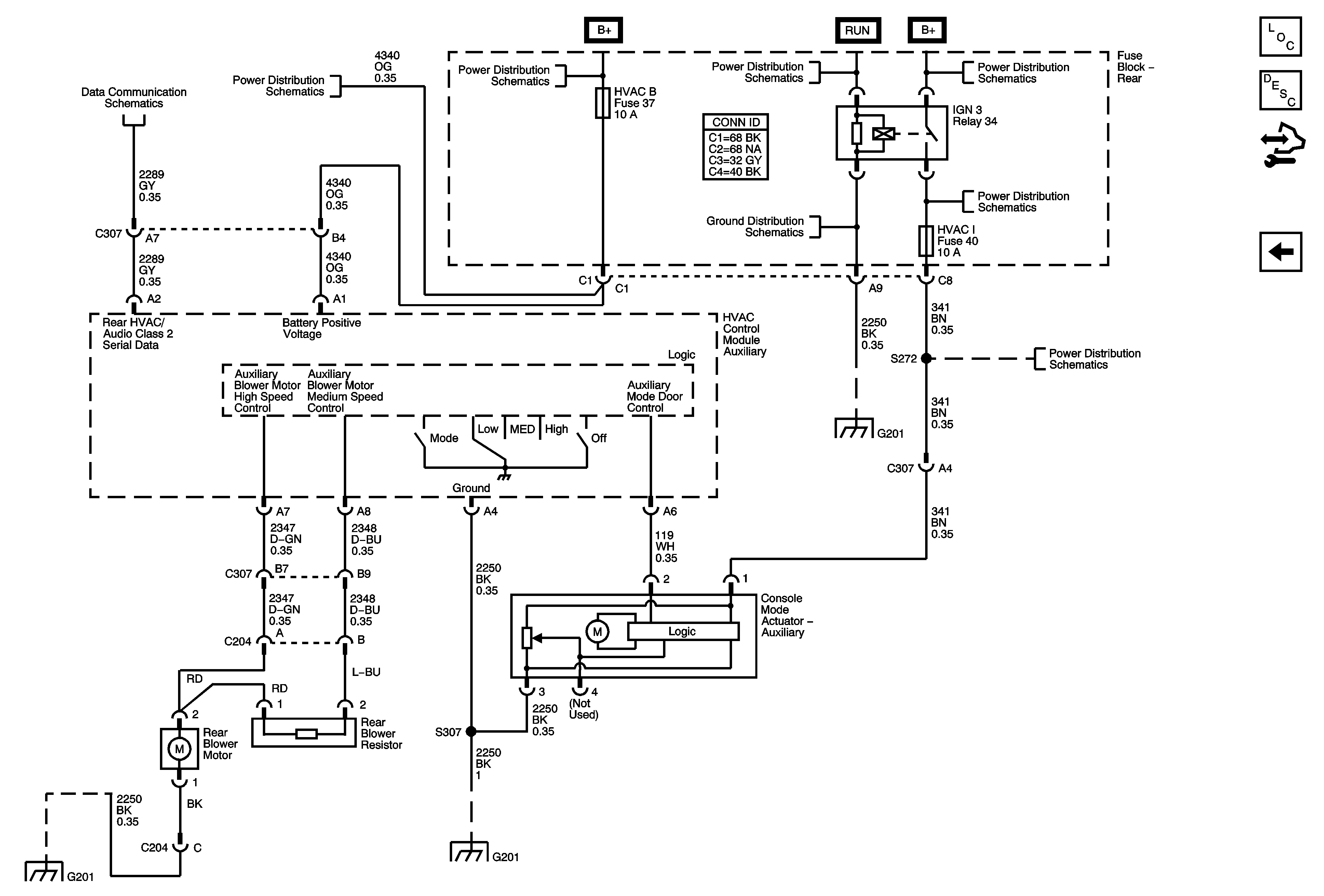
Figure 2:

Compressor Controls


Object Number: 1749134  Size: FS
Master Electrical Component List
Air Temperature Description and Operation
Control Module References
Air Delivery/Temperature Actuators
Module Power, Ground, Serial Data, and Blower Motor
B+ BUS - Underhood Fuse Block - 2 of 2
G104, G105, and G107
B+ BUS - Underhood Fuse Block - 2 of 2
BCK/UP, BTSI, IGN E, and TRLR BCK/UP Fuses
SP205
G104, G105, and G107
G104, G105, and G107
G101, G103, G106, and G110
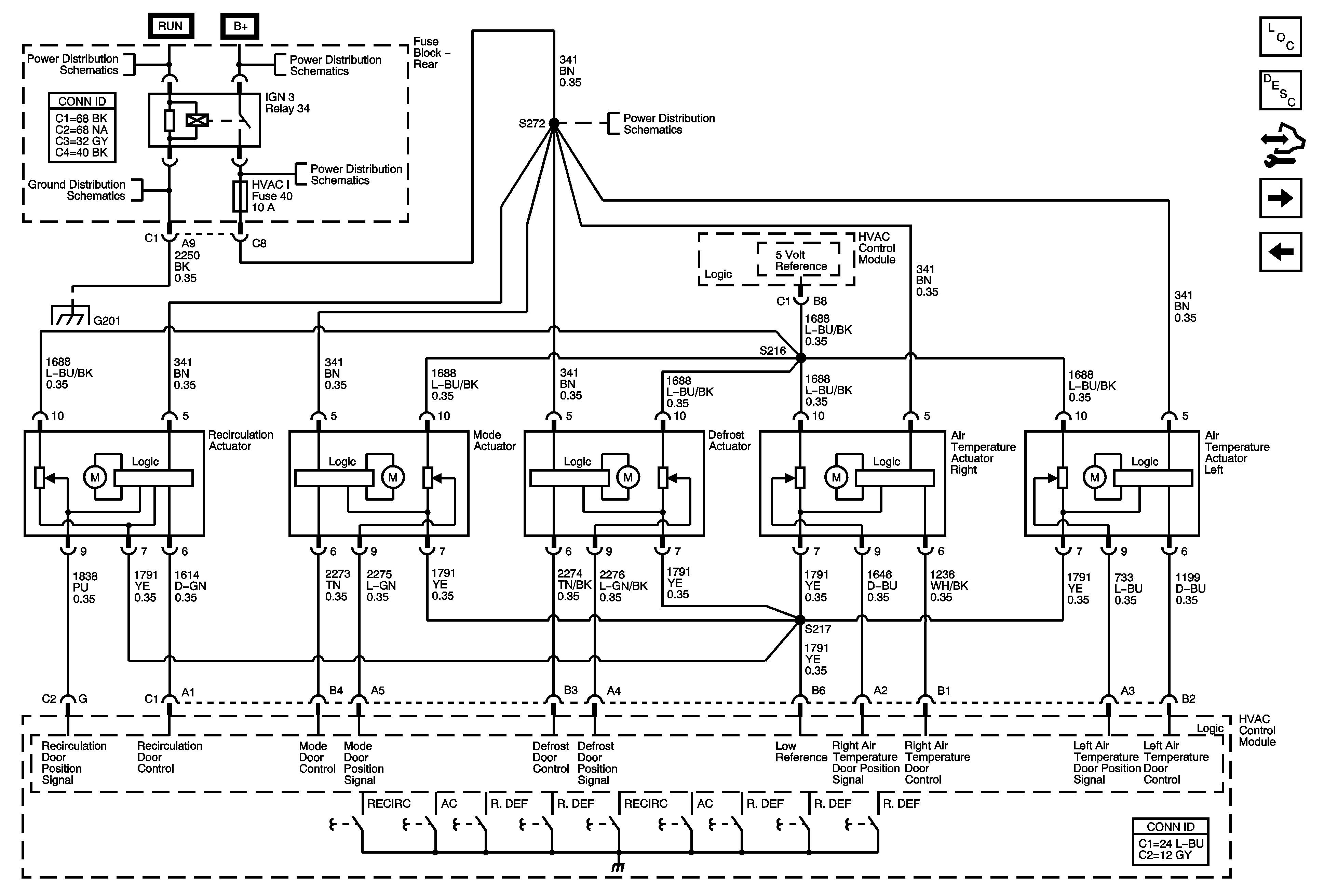
Figure 3:

Air Delivery/Temperature Actuators


Object Number: 1749136  Size: FS
Master Electrical Component List
Air Delivery Description and Operation
Control Module References
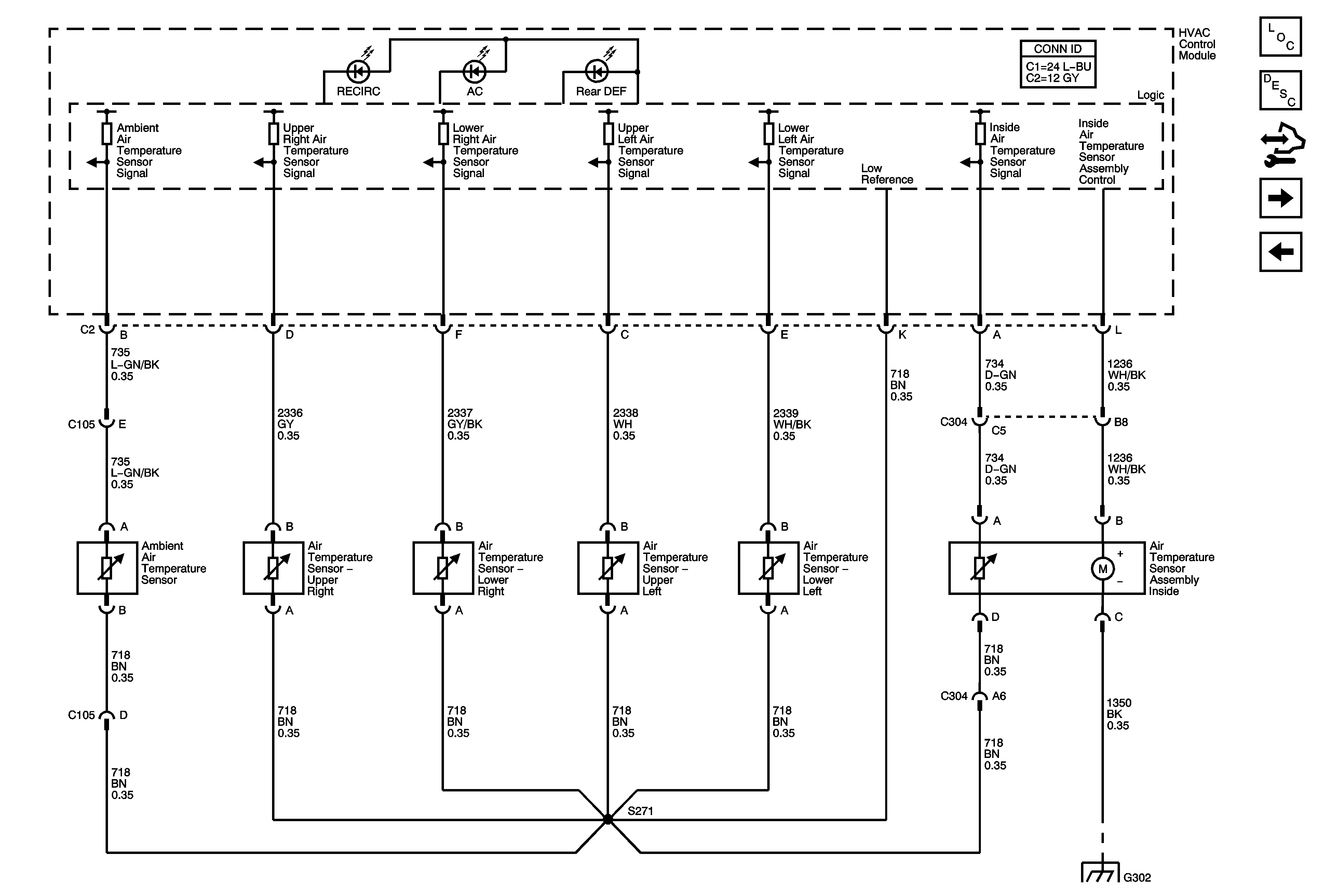
Air Temperature Sensors
Compressor Controls
Ignition Switch - ACCY/RUN/START, RUN, START Bus Bars, and IGNA1 Fuse
B+ BUS - Rear Fuse Block
G201 - 1 of 2
4WD, BRK, FRT WPR, HVAC I, IGN 0, and TCM Fuses
4WD, BRK, FRT WPR, HVAC I, IGN 0, and TCM Fuses
G201 - 1 of 2
Figure 4:

Air Temperature Sensors


Object Number: 1749137  Size: FS
Master Electrical Component List
Air Temperature Description and Operation
Control Module References
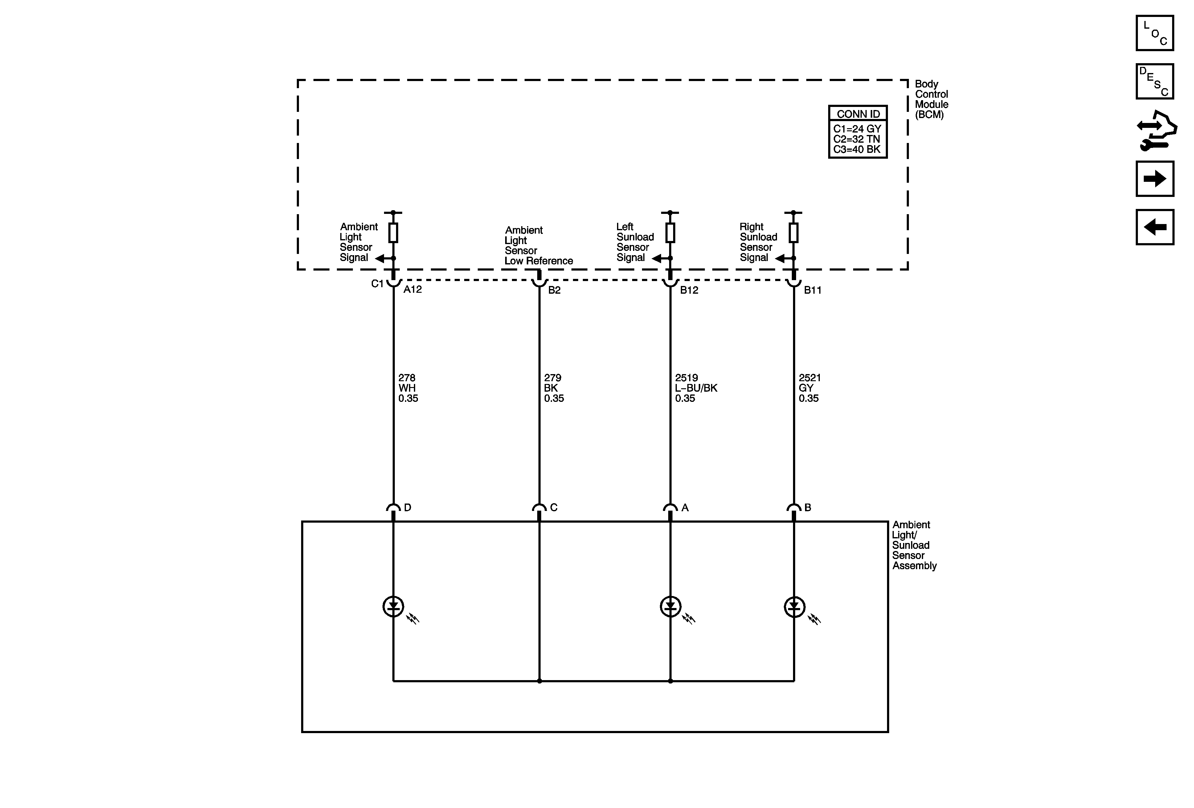
Ambient Light/Sunload Sensor
Air Delivery/Temperature Actuators
G302 - 1 of 2, G303, and G304
Figure 5:

Ambient Light/Sunload Sensor


Object Number: 1749140  Size: FS
Master Electrical Component List
Air Temperature Description and Operation
Control Module References
Rear Auxiliary Controls
Air Temperature Sensors
Figure 6:

Rear Auxiliary Controls


Object Number: 1749141  Size: FS
Master Electrical Component List
Air Delivery Description and Operation
Control Module References
Ambient Light/Sunload Sensor
SP205
HVAC B, LGM/DSM, OH BATT/ONSTAR, and RADIO Fuses
B+ BUS - Rear Fuse Block
B+ BUS - Rear Fuse Block
G201 - 1 of 2
4WD, BRK, FRT WPR, HVAC I, IGN 0, and TCM Fuses
G201 - 1 of 2
4WD, BRK, FRT WPR, HVAC I, IGN 0, and TCM Fuses
G201 - 1 of 2
G201 - 1 of 2