GM Service Manual Online
For 1990-2009 cars only
Makes
🢒
Saturn
🢒
2007
🢒
AURA
🢒
Diagnostic Navigation
🢒
Vehicle Diagnostic Information
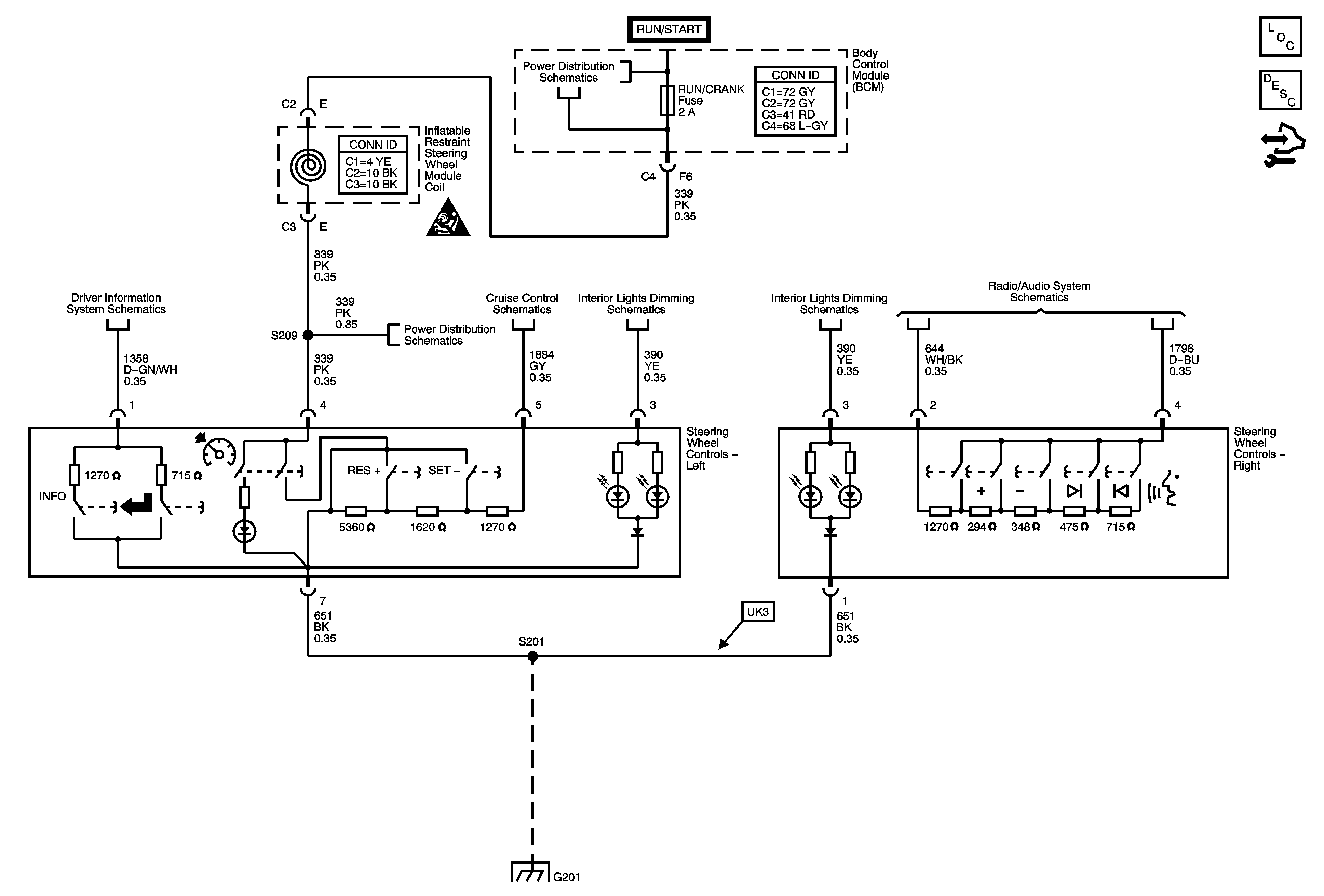
🢒 Steering Wheel Secondary/Configurable Control Schematics
Master Electrical Component List
Steering Wheel Controls Description and Operation
Control Module References
Underhood Fuse Block IBCM (RUN/CRANK) Fuse, Body Control Module (BCM) Air Bag (IGN), EPS and RUN/CRANK Fuses
Secondary/Configurable Control Schematic Icons
Underhood Fuse Block IBCM (RUN/CRANK) Fuse, Body Control Module (BCM) Air Bag (IGN), EPS and RUN/CRANK Fuses
Steering Wheel Controls
Switches
Switches
Redundant Radio Controls
G201
Secondary/Configurable Control Schematic Icons
G201