GM Service Manual Online
For 1990-2009 cars only
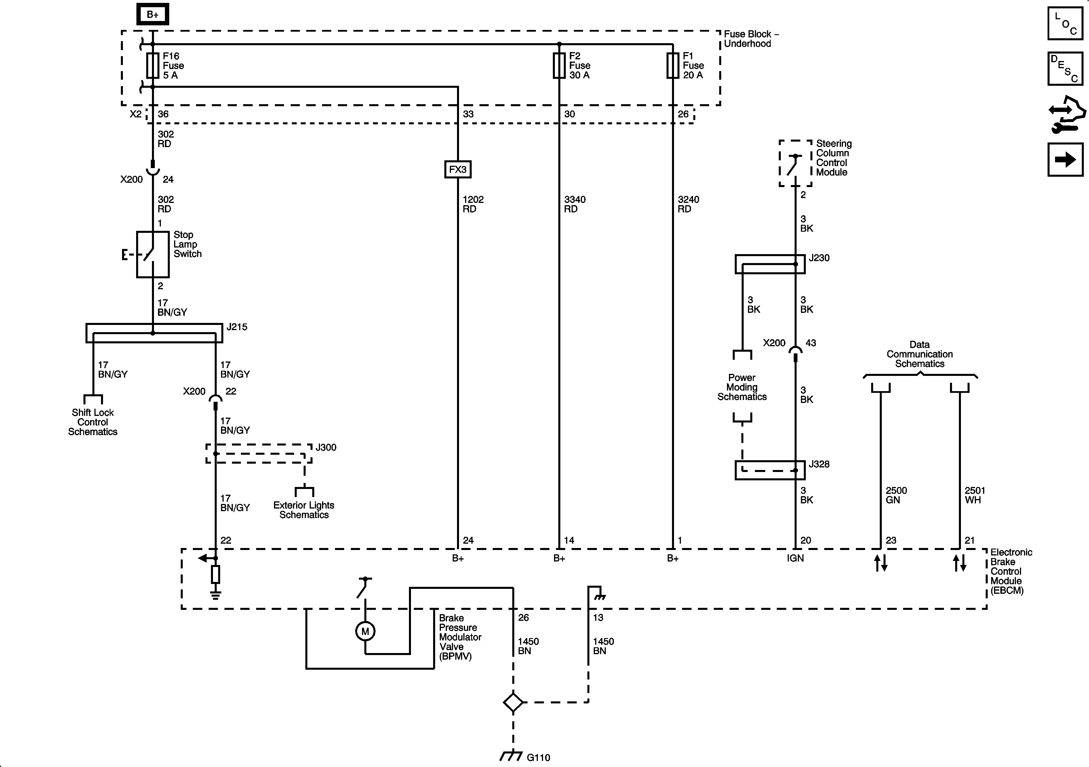
Figure 1:

Power, Ground, Stop Lamp Switch, and Data Communications


Object Number: 2033496  Size: FS
Master Electrical Component List
ABS Description and Operation
Control Module References
Wheel Speed Sensors
B+ Bus 2 of 2
Fuse Block - Underhood F35 and F16 Fuses
Shift Lock Control
Brake, Hazard, and Turn Signal Switching
Power Moding
GM High Speed Serial Data (CAN C)
G109 and G110
Figure 2:

Wheel Speed Sensors


Object Number: 2033500  Size: FS
Master Electrical Component List
ABS Description and Operation
Control Module References
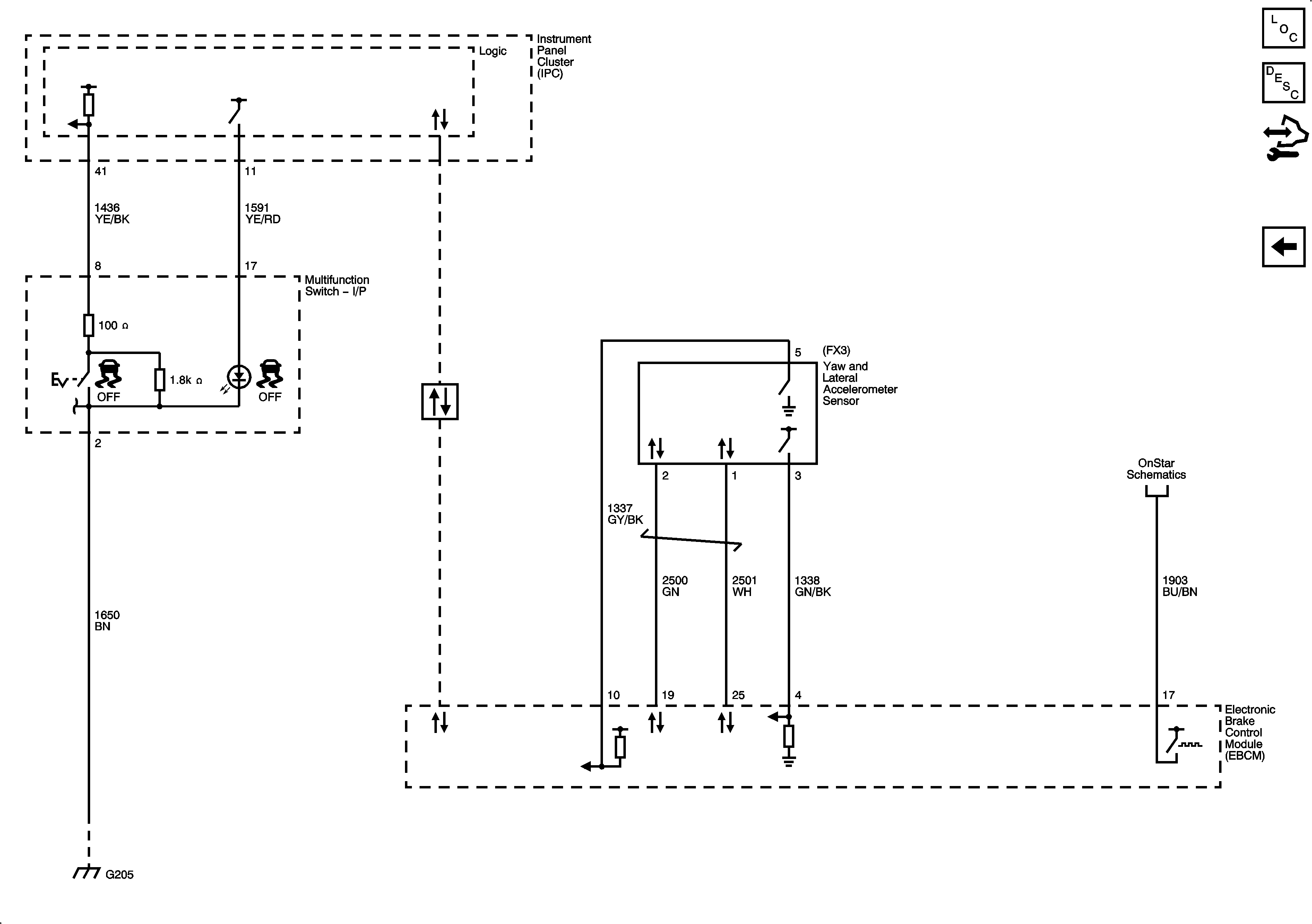
Stability Off Switch and Yaw and Lateral Accelerometer Sensor
Power, Ground, Stop Lamp Switch, and Data Communications
Figure 3:

Stability Off Switch and Yaw and Lateral Accelerometer Sensor


Object Number: 2033501  Size: FS
Master Electrical Component List
ABS Description and Operation
Control Module References
Wheel Speed Sensors
Power, Ground, Class 2, and GM Low Speed Serial Data (CAN A)
Vehicle Communication and Interface Module (VCIM) - Right
G203, G204, and G205
G203, G204, and G205