GM Service Manual Online
For 1990-2009 cars only
Makes
🢒
Saturn
🢒
2008
🢒
Astra
🢒
Transmission/Transaxle
🢒
Automatic Transmission - AF17-4
🢒 Automatic Transmission Controls Schematics
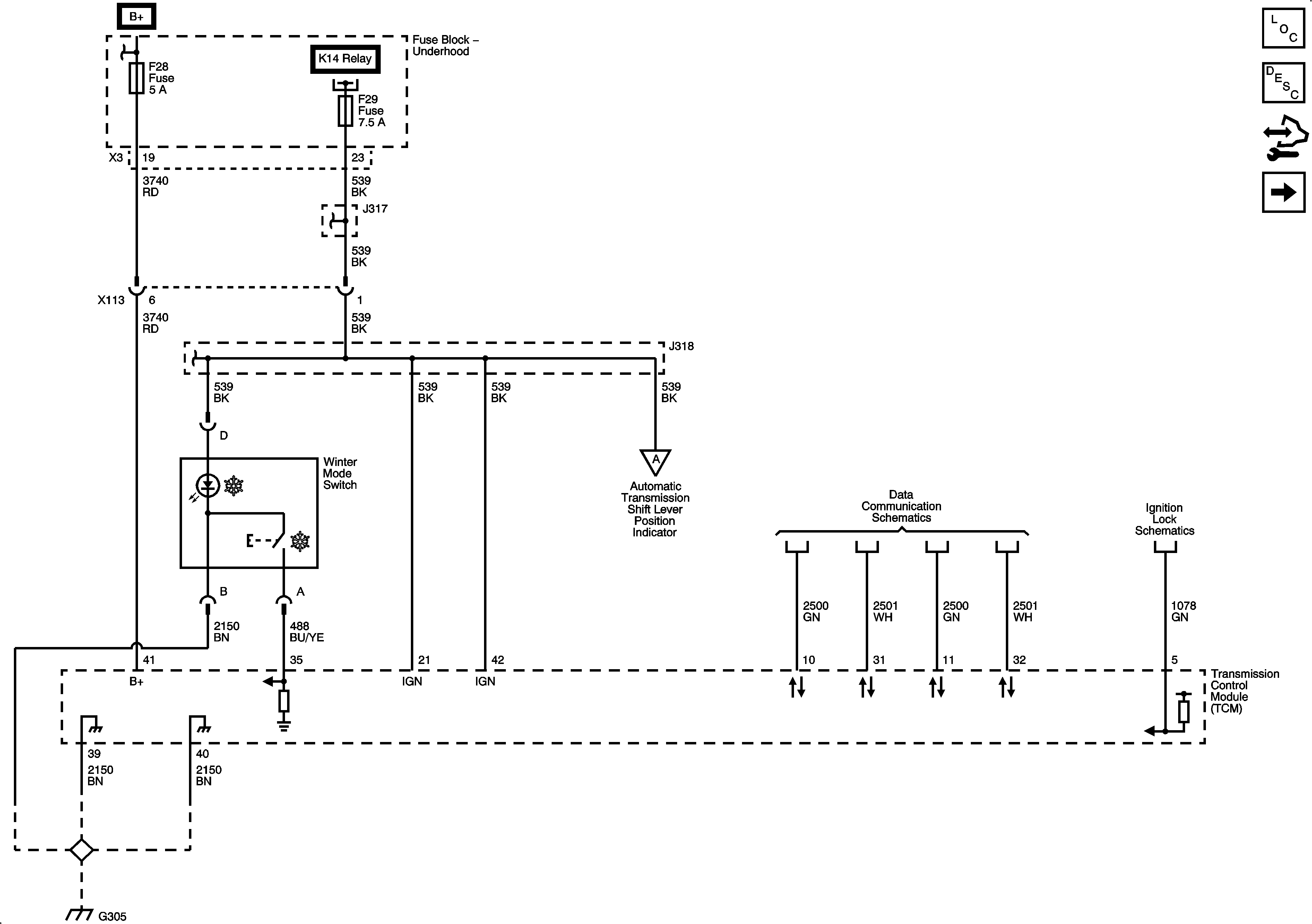
Figure
1:
Power, Ground, Serial Data, and Winter Mode Switch
Master Electrical Component List
Electronic Component Description
Control Module References
Automatic Transmission Shift Lever Position Indicator and Park/Neutral Position (PNP) Switch
B+ Bus 2 of 2
Fuse Block - Underhood F28, F10, F22, F2, F1, and F36 Fuses
B+ Bus 2 of 2
Fuse Block - Underhood F24, F30, F29, and F27 Fuses
Fuse Block - Underhood F24, F30, F29, and F27 Fuses
Automatic Transmission Shift Lever Position Indicator and Park/Neutral Position (PNP) Switch
GM High Speed Serial Data (CAN C)
Ignition Lock
G305
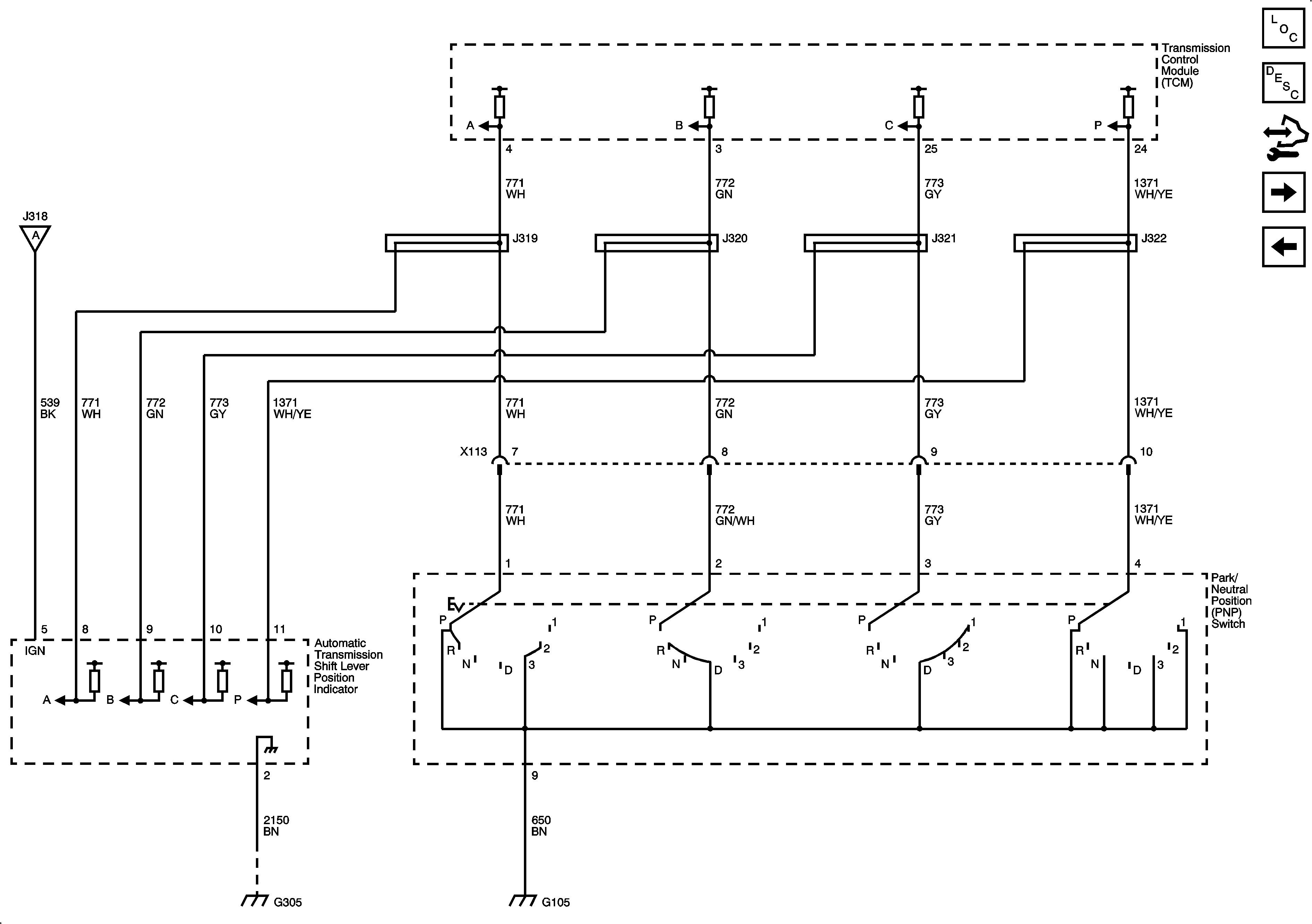
Figure
2:
Automatic Transmission Shift Lever Position Indicator, and Park/Neutral Position (PNP) Switch
Master Electrical Component List
Electronic Component Description
Control Module References
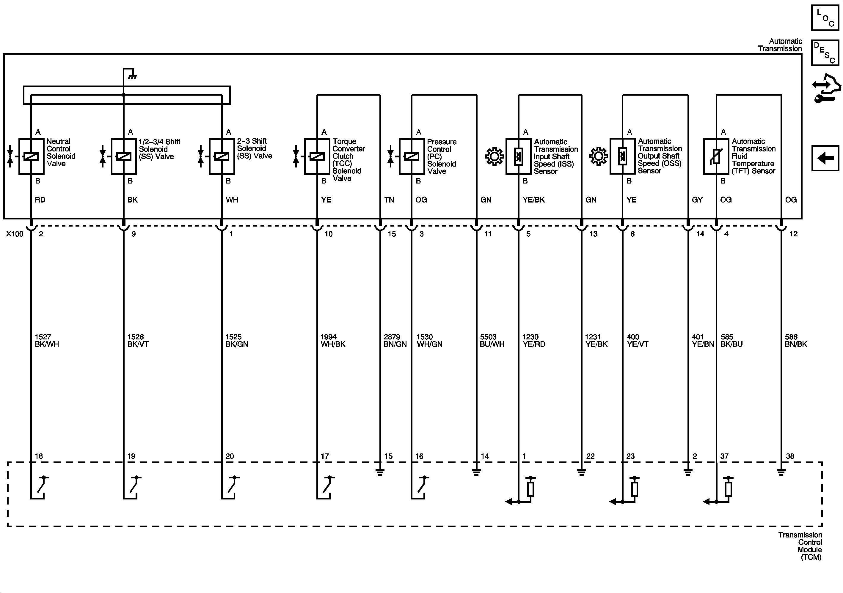
Neutral Control Solenoid Valve, Shift Solenoids, Torque Converter Clutch (TCC) Solenoid Valve, Trans Speed Input, Trans Speed Output and Automatic Trans Fluid Temperature (TFT) Sensor
Power, Ground, Serial Data, and Winter Mode Switch
Power, Ground, Serial Data, and Winter Mode Switch
G305
G100, G103, G104, G105 and G106
Figure
3:
Neutral Control Solenoid Valve, Shift Solenoids, Torque Coverter Clutch (TCC) Solenoid Valve, Transmission Speed Input, Transmission Speed Output, and Automatic Transmission Fluid Temperature (TFT) Sensor
Master Electrical Component List
Electronic Component Description
Control Module References
Automatic Transmission Shift Lever Position Indicator and Park/Neutral Position (PNP) Switch