GM Service Manual Online
For 1990-2009 cars only
Makes
🢒
Saturn
🢒
2008
🢒
Astra
🢒
Safety and Security
🢒
Theft Deterrent
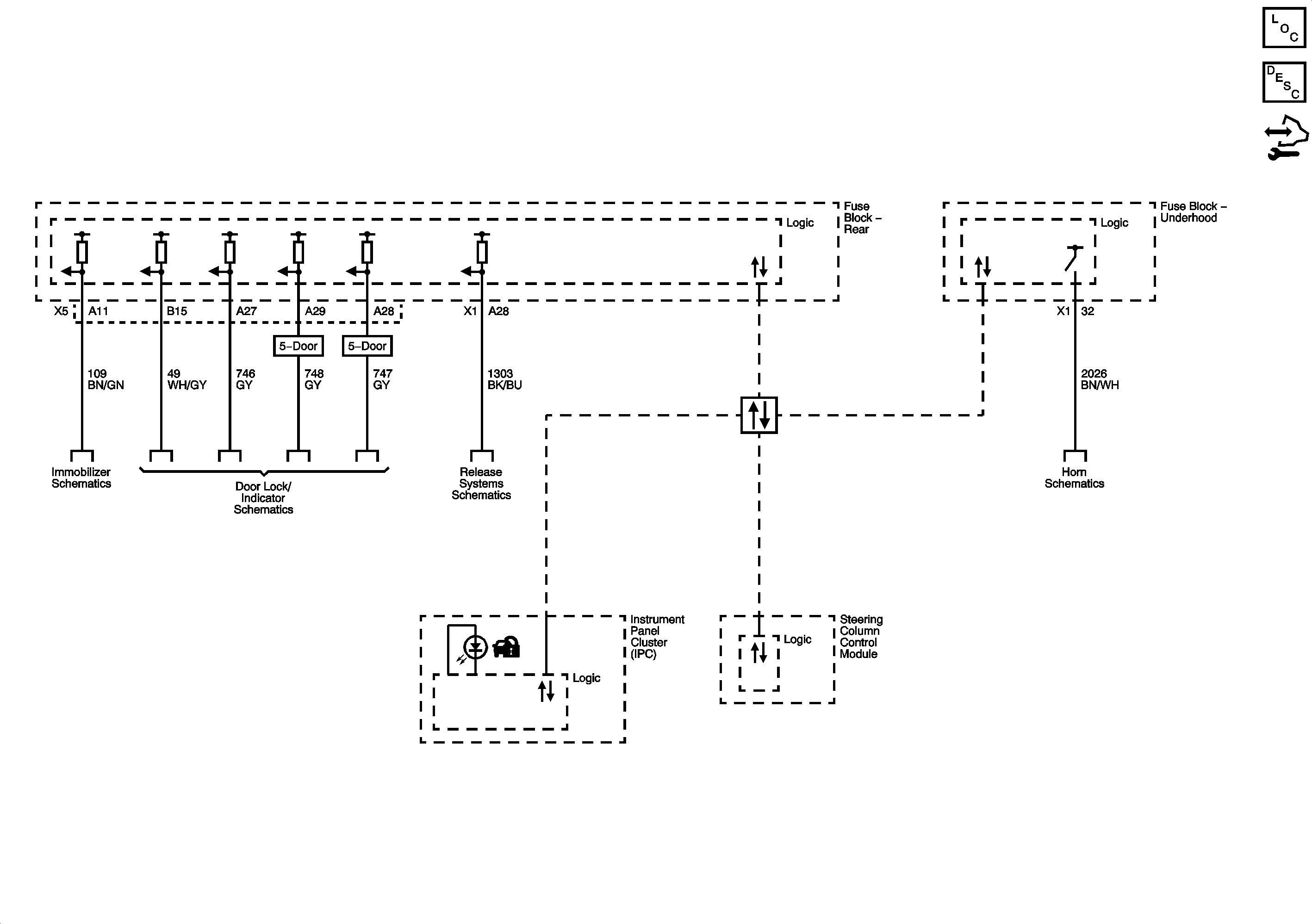
🢒 Theft Deterrent System Schematics
Master Electrical Component List
Content Theft Deterrent (CTD) Description and Operation
Control Module References
Immobilizer
Door Ajar Switches
Release System
Power, Ground, Class 2, and GM Low Speed Serial Data (CAN A)
Horns