GM Service Manual Online
For 1990-2009 cars only
Makes
🢒
Saturn
🢒
2008
🢒
Astra
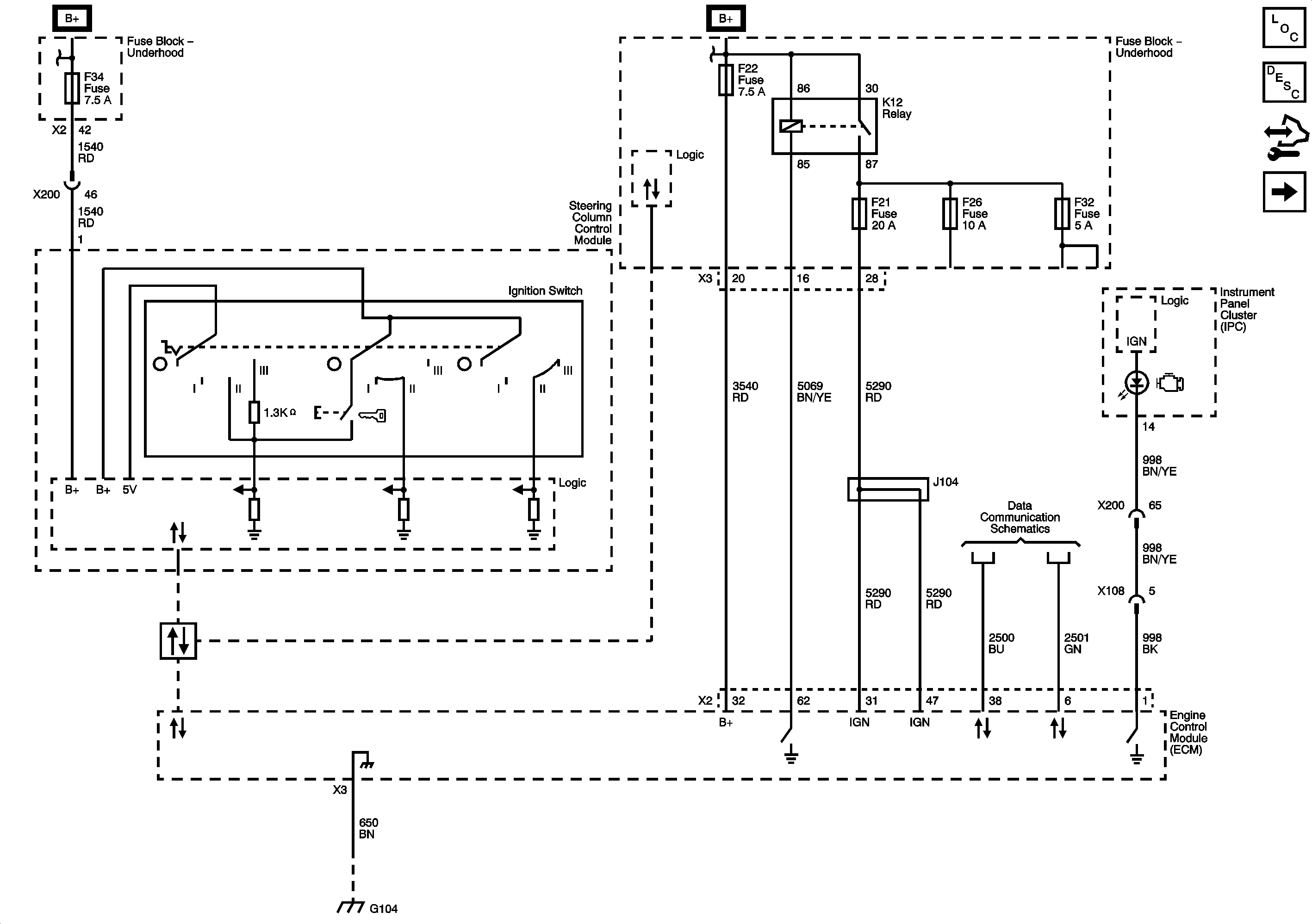
🢒 Module Power, Ground, Serial Data and MIL
Module Power, Ground, Serial Data and MIL
Module Power, Ground, Serial Data and MIL
Master Electrical Component List
Engine Control Module Description
Control Module References
5-Volt and Low References
B+ Bus 2 of 2
Fuse Block - Underhood F34 Fuse and Ignition Switch
B+ Bus 2 of 2
Fuse Block - Underhood F28, F10, F22, F2, F1, and F36 Fuses
GM High Speed Serial Data (CAN C)
GM High Speed Serial Data (CAN C)
G100, G103, G104, G105 and G106