GM Service Manual Online
For 1990-2009 cars only
Figure 1:

DLC, Gages, Ground, Indicators, and Power


Object Number: 1434124  Size: FS
Master Electrical Component List
Instrument Cluster Description and Operation
Control Module References
Fuel Level and Oil Pressure
BCM ELECT, CLUSTER, EPS (60A), FUEL PUMP, HVAC, IGN SW, IP BATT 2, RUN (IGN 3), and STOP Fuses
Controls and Lamps (1 of 2)
Turn/Hazard Lamps
Vehicle Theft Deterrent
Power, Ground, MIL, and Serial Data
Power, Ground, MIL, and Serial Data
DLC Power, Ground, Class 2, and Low Speed GM LAN
G201
Figure 2:

Fuel Level and Oil Pressure


Object Number: 1434126  Size: FS
Master Electrical Component List
Instrument Cluster Description and Operation
Control Module References
DLC, Gages, Ground, Indicators, and Power
Engine Data Sensors 5V and Reference Bussing
Engine Data Sensors - 5V and Reference Bussing
Engine Data Sensors - Pressure and Temperature
Engine Data Sensors - Pressure, Temperature, and MAF/IAT
DLC Power, Ground, Class 2, and Low Speed GM LAN
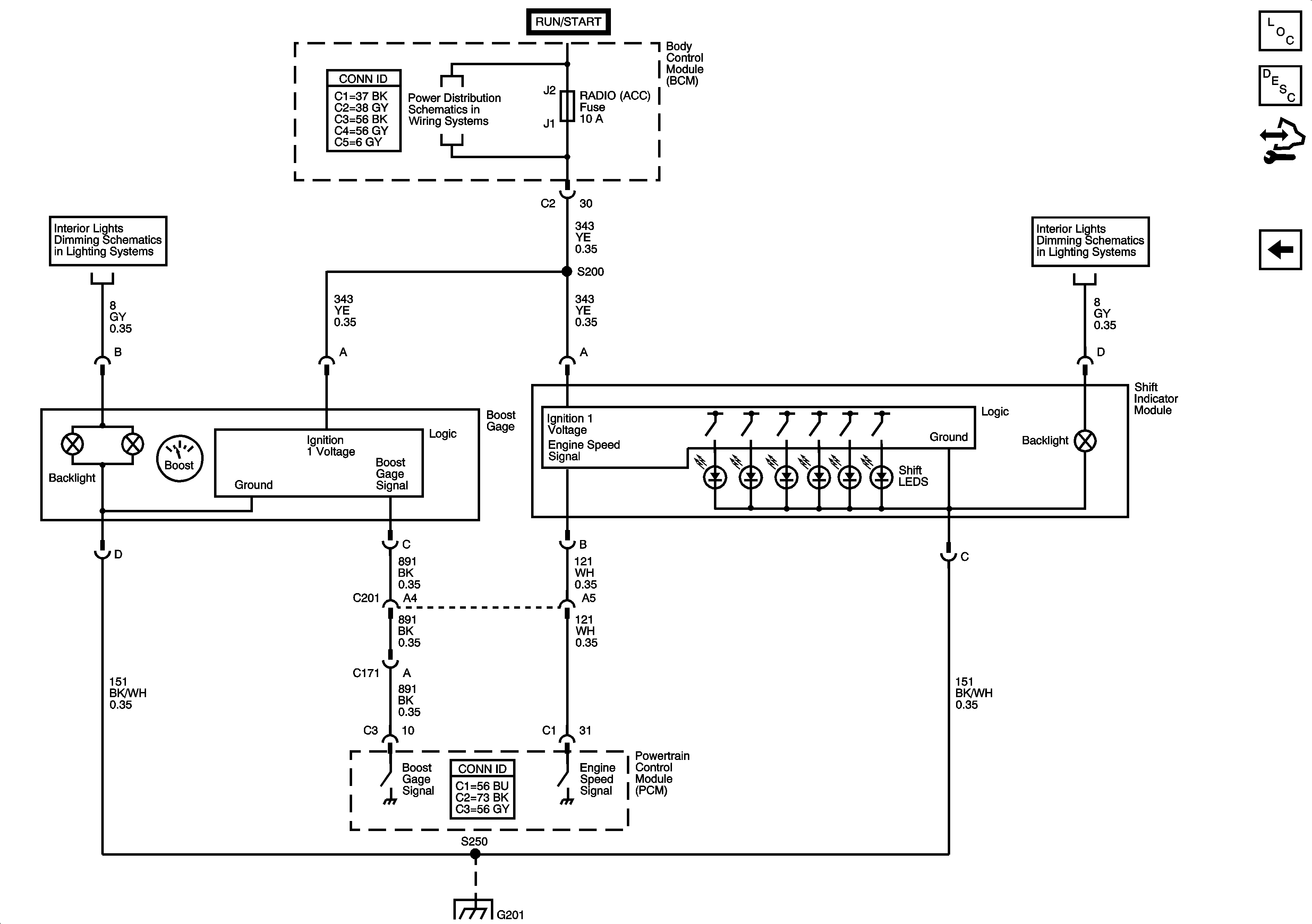
Figure 3:

Boost Gage/Shift Indicator Module (UXE)


Object Number: 1631590  Size: FS