GM Service Manual Online
For 1990-2009 cars only
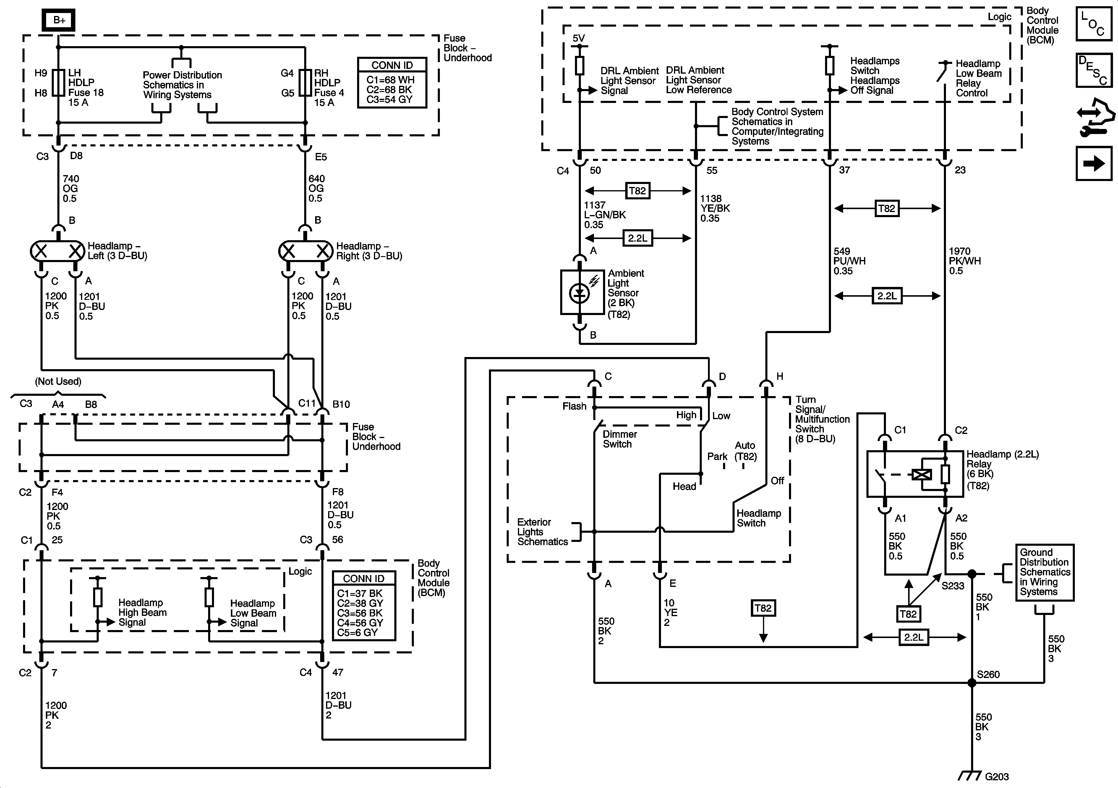
Figure 1:

Headlamps - Coupe


Object Number: 1434430  Size: FS
Master Electrical Component List
Exterior Lighting Systems Description and Operation
Control Module References
Headlamps - Sedan
ABS (40A), ABS (20A), COOLING FAN 2, ECM, LH HDLP, RADIO, RH HDLP, and TCM Fuses
References to Lighting - 1 of 2
Turn/Hazard Lamps
G203
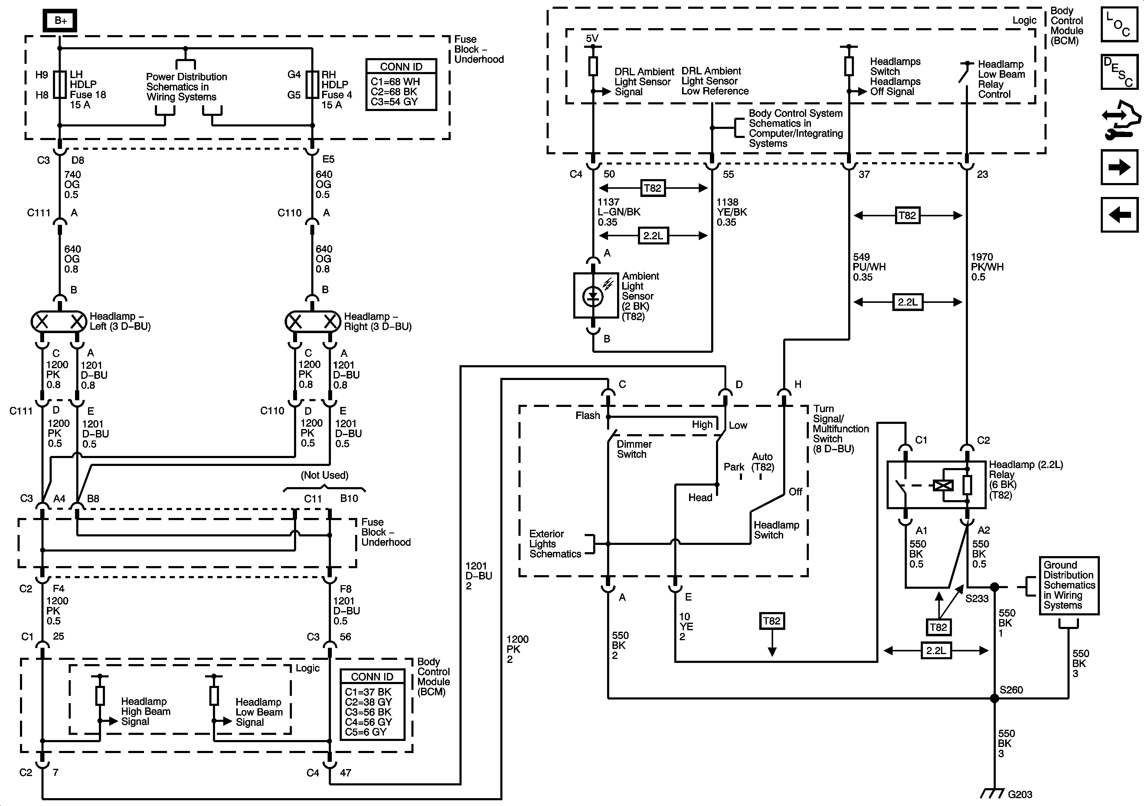
Figure 2:

Headlamps - Sedan


Object Number: 1434433  Size: FS
Master Electrical Component List
Exterior Lighting Systems Description and Operation
Control Module References
Daytime Running Lamps
Headlamps - Coupe
ABS (40A), ABS (20A), COOLING FAN 2, ECM, LH HDLP, RADIO, RH HDLP, and TCM Fuses
References to Lighting - 1 of 2
Turn/Hazard Lamps
G203
Figure 3:

Daytime Running Lamps


Object Number: 1434435  Size: FS
Master Electrical Component List
Exterior Lighting Systems Description and Operation
Control Module References
Headlamps - Sedan
G101