GM Service Manual Online
For 1990-2009 cars only
Figure 1:

Fuse Block - Underhood Bus


Object Number: 1424772  Size: FS
Master Electrical Component List
Control Module References
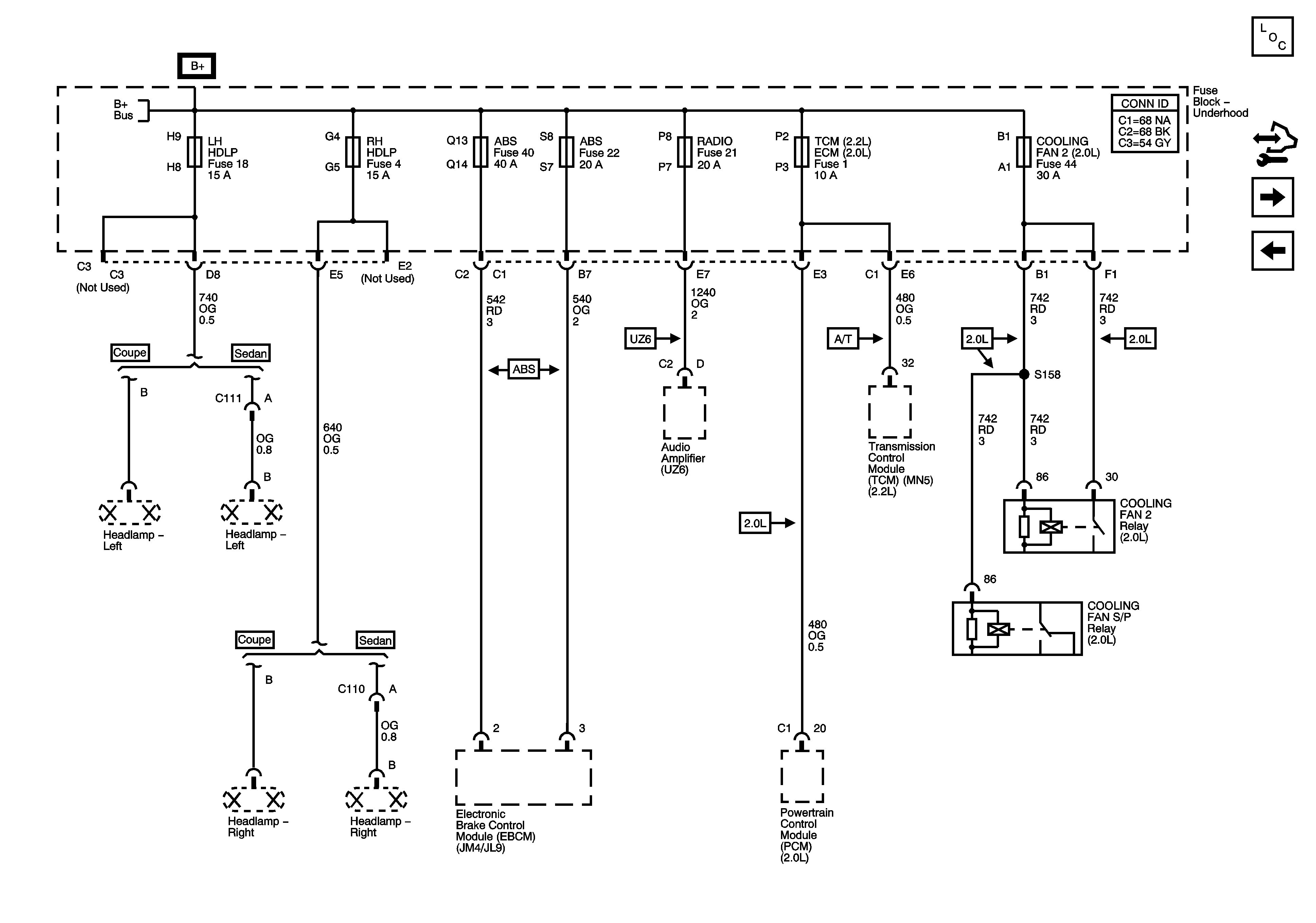
ABS (40A), ABS (20A), COOLING FAN 2, ECM, LH HDLP, RADIO, RH HDLP, and TCM Fuses
Figure 2:

ABS (40A), ABS (20A), COOLING FAN 2, ECM, LH HDLP, RADIO, RH HDLP, and TCM Fuses


Object Number: 1424812  Size: FS
Master Electrical Component List
Control Module References
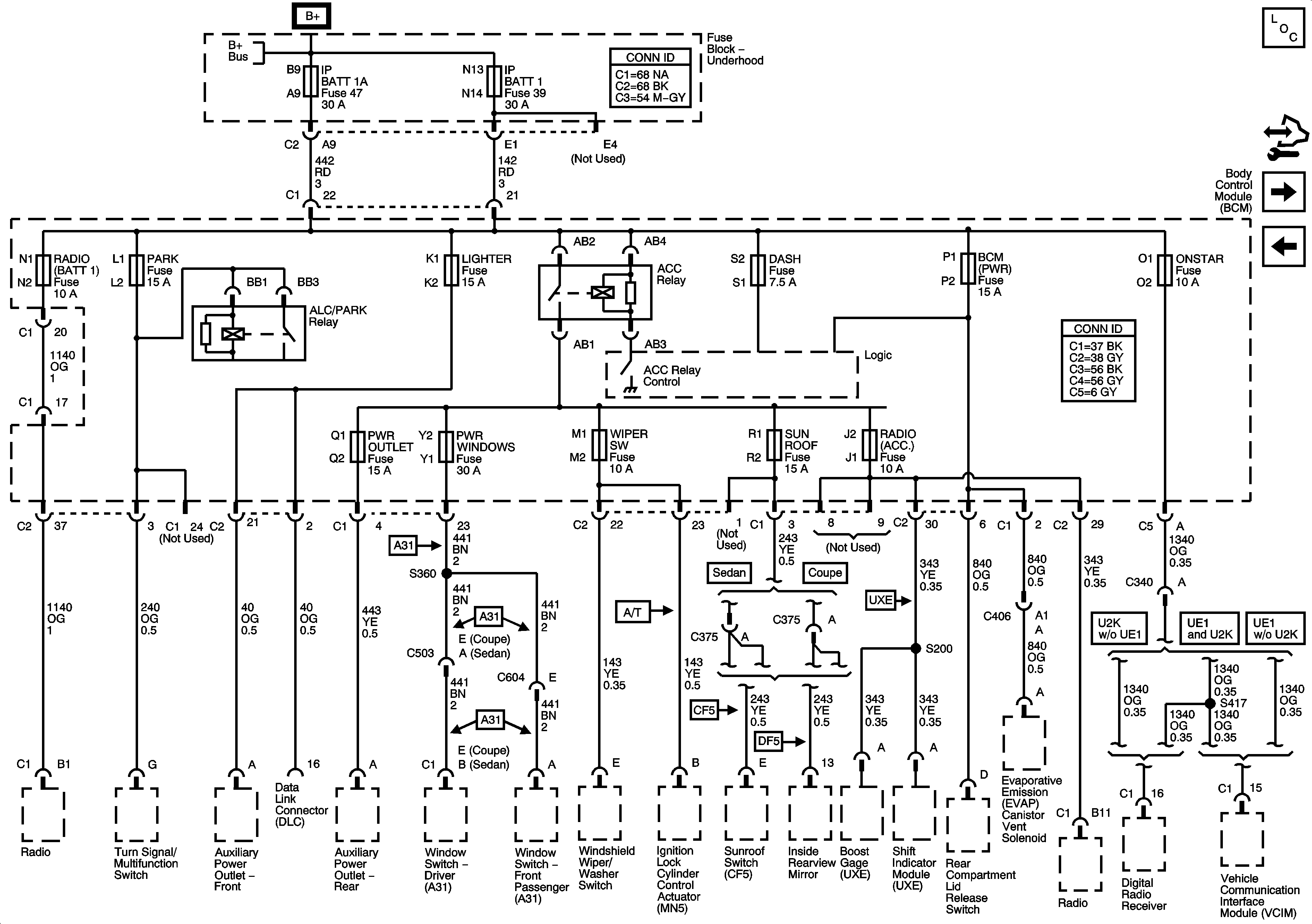
BCM (PWR), DASH, IP BATT 1, IP BATT 1A, LIGHTER, ONSTAR, PARK, PWR OUTLET, PWR WINDOWS, RADIO (ACC.), RADIO (BATT), SUN ROOF, and WIPER SW Fuses
Fuseblock - Underhood Bus
Fuseblock - Underhood Bus
Figure 3:

BCM (PWR), DASH, IP BATT 1, IP BATT 1A, LIGHTER, ONSTAR, PARK, PWR OUTLET, PWR WINDOWS, RADIO (ACC.), RADIO (BATT 1), SUN ROOF, and WIPER SW Fuses


Object Number: 1424783  Size: FS
Master Electrical Component List
Control Module References
BCM ELECT, CLUSTER, EPS (60A), FUEL PUMP, HVAC, IGN SW, IP BATT 2, RUN (IGN 3), and STOP Fuses
ABS (40A), ABS (20A), COOLING FAN 2, ECM, LH HDLP, RADIO, RH HDLP, and TCM Fuses
Fuseblock - Underhood Bus
Figure 4:

BCM ELECT, CLUSTER, EPS (60A), FUEL PUMP, HVAC, IGN SW, IP BATT 2, RUN (IGN 3), and STOP Fuses


Object Number: 1463889  Size: FS
Master Electrical Component List
Control Module References
Ignition Switch and RUN/CRANK Fuse
BCM (PWR), DASH, IP BATT 1, IP BATT 1A, LIGHTER, ONSTAR, PARK, PWR OUTLET, PWR WINDOWS, RADIO (ACC.), RADIO (BATT), SUN ROOF, and WIPER SW Fuses
Fuseblock - Underhood Bus
Ignition Switch and RUN/CRANK Fuse
Figure 5:

Ignition Switch and RUN/CRANK Fuse


Object Number: 1424777  Size: FS
Master Electrical Component List
Control Module References
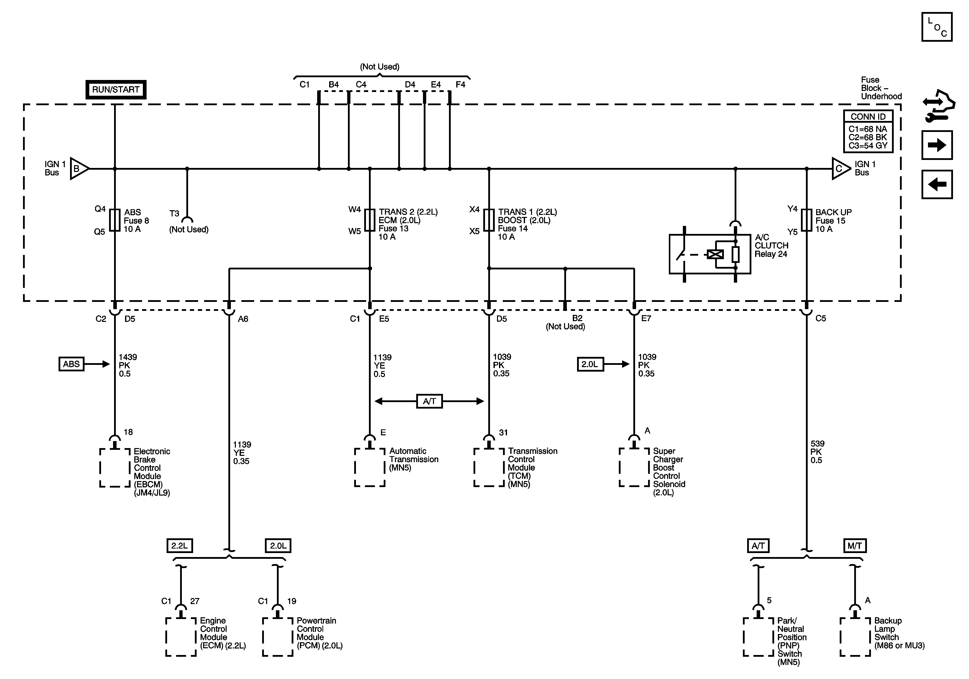
ABS (10A), BACK UP, BOOST, ECM, TRANS 1, and TRANS 2 Fuses
BCM ELECT, CLUSTER, EPS (60A), FUEL PUMP, HVAC, IGN SW, IP BATT 2, RUN (IGN 3), and STOP Fuses
BCM ELECT, CLUSTER, EPS (60A), FUEL PUMP, HVAC, IGN SW, IP BATT 2, RUN (IGN 3), and STOP Fuses
Fuseblock - Underhood Bus
ABS (10A), BACK UP, BOOST, ECM, TRANS 1, and TRANS 2 Fuses
G101
G101
Figure 6:

ABS (10A), BACK UP, BOOST, ECM, TRANS 1, and TRANS 2 Fuses


Object Number: 1424834  Size: FS
Master Electrical Component List
Control Module References
AIR BAG, CLUTCH/BRAKE, and 2A EPS (2A) Fuses
Ignition Switch and RUN/CRANK Fuse
Ignition Switch and RUN/CRANK Fuse
AIR BAG, CLUTCH/BRAKE, and 2A EPS (2A) Fuses
Figure 7:

AIR BAG, CLUTCH/BRAKE, and EPS (2A) Fuses


Object Number: 1424857  Size: FS
Master Electrical Component List
Control Module References
ECM/ETC, EMISS, IGN, and INJECTORS Fuses - 2.2L
ABS (10A), BACK UP, BOOST, ECM, TRANS 1, and TRANS 2 Fuses
ABS (10A), BACK UP, BOOST, ECM, TRANS 1, and TRANS 2 Fuses
SIR Caution for Zoning
SIR Caution for Zoning
Figure 8:

ECM/ETC, IGN, INJECTORS, and EMISS Fuses - 2.2L


Object Number: 1424832  Size: FS
Master Electrical Component List
Control Module References
ECM/ETC, EMISS, IGN, and INJECTORS Fuses - 2.0L
AIR BAG, CLUTCH/BRAKE, and 2A EPS (2A) Fuses
Fuseblock - Underhood Bus
Figure 9:

ECM/ETC, IGN, INJECTORS, and EMISS Fuses - 2.0L


Object Number: 1455314  Size: FS
Master Electrical Component List
Control Module References
ECM/ETC, EMISS, IGN, and INJECTORS Fuses - 2.2L
Fuseblock - Underhood Bus