GM Service Manual Online
For 1990-2009 cars only
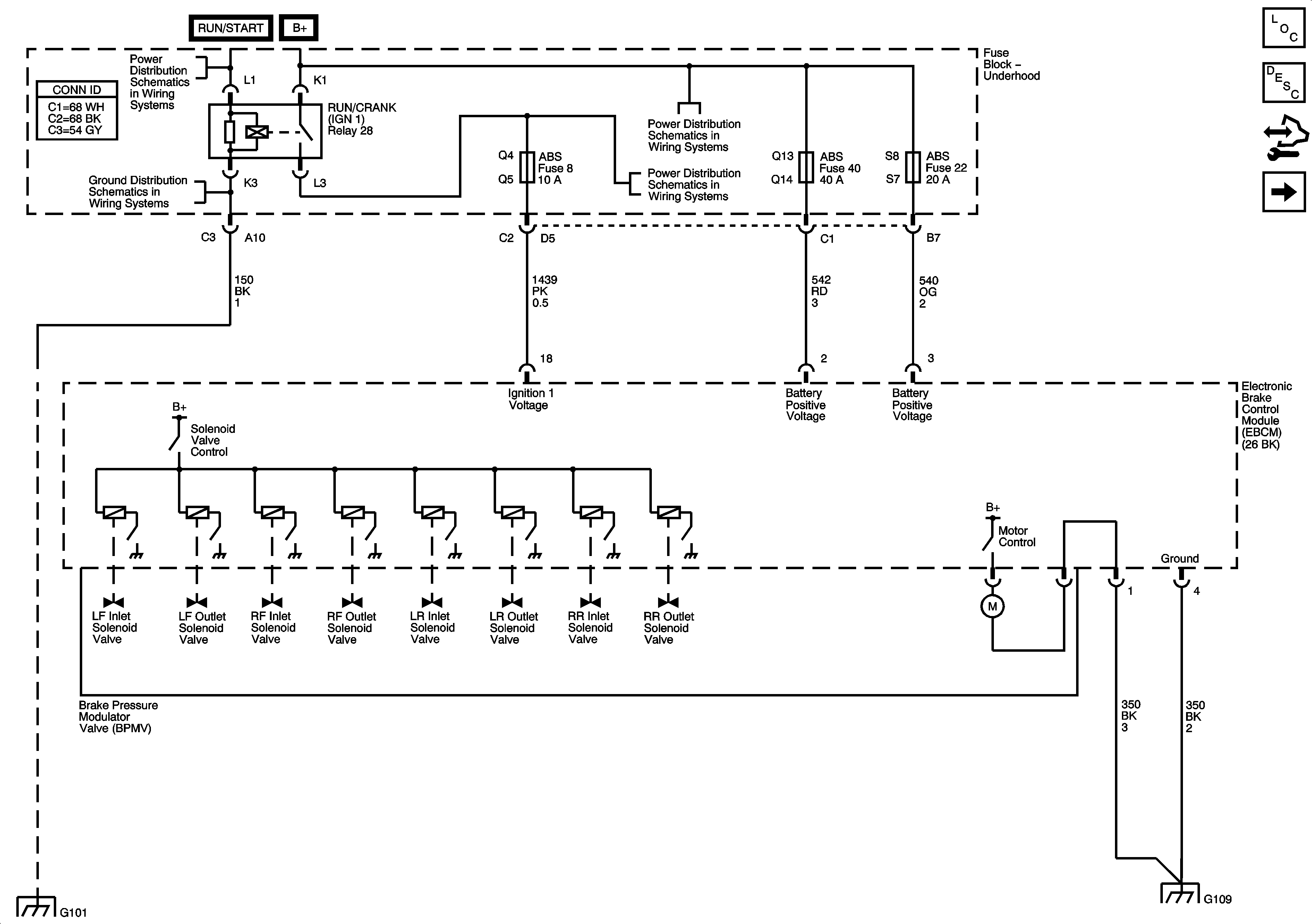
Figure 1:

Power, Ground, and BPMV Controls


Object Number: 1434115  Size: FS
Master Electrical Component List
ABS Description and Operation
Control Module References
Traction Control, DLC, and Indicators
Ignition Switch and RUN/CRANK Fuse
G101
Fuseblock - Underhood Bus
ABS (10A), BACK UP, BOOST, ECM, TRANS 1, and TRANS 2 Fuses
G101
G103 (2.2L), G105 (2.2L), G109
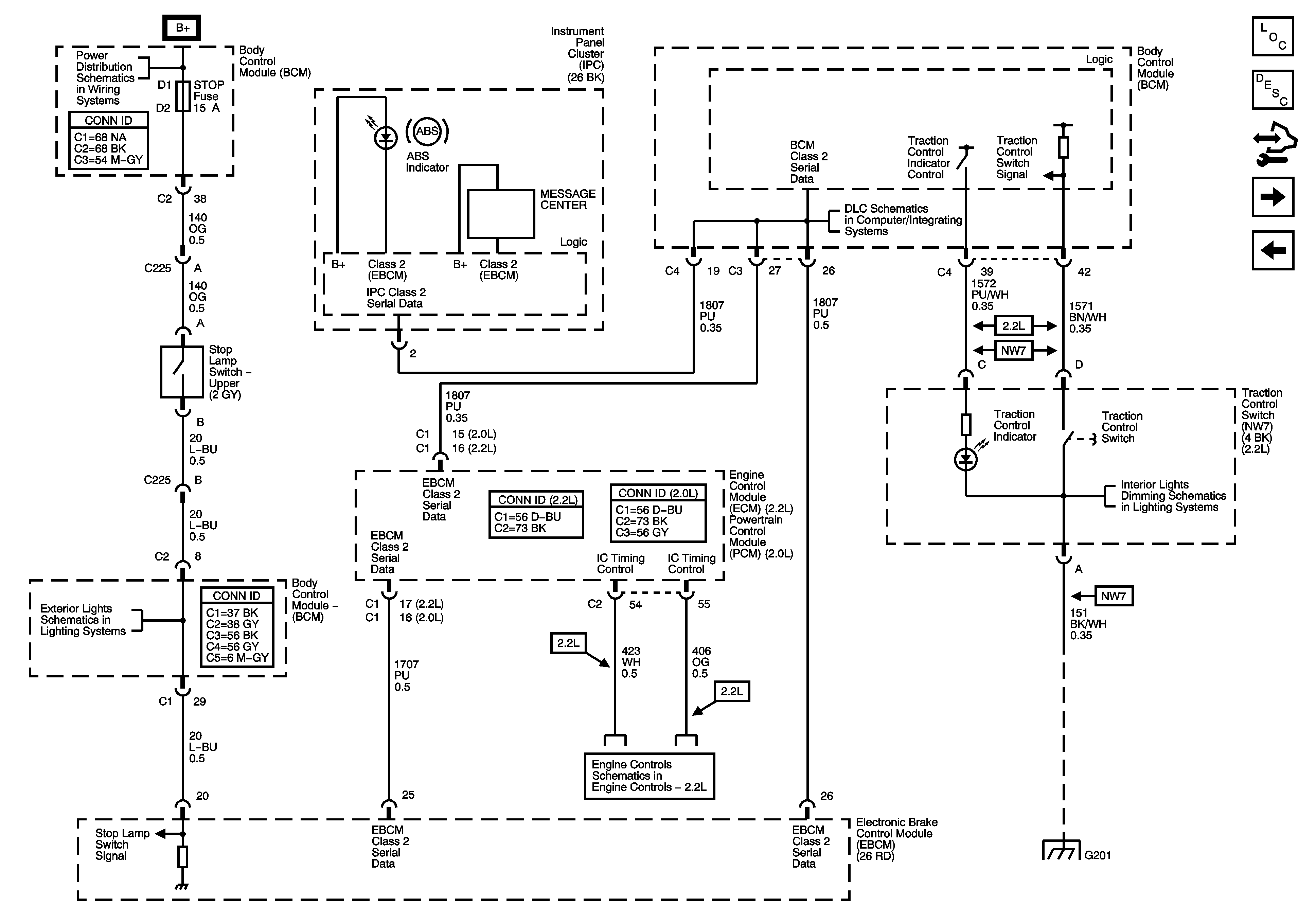
Figure 2:

Traction Control, DLC, and Indicators


Object Number: 1434119  Size: FS
Master Electrical Component List
ABS Description and Operation
Control Module References
Wheel Speed Sensors
Power, Ground, and BPMV Controls
BCM ELECT, CLUSTER, EPS (60A), FUEL PUMP, HVAC, IGN SW, IP BATT 2, RUN (IGN 3), and STOP Fuses
DLC Power, Ground, Class 2, and Low Speed GM LAN
Stop Lamps
Controls and Lamps (1 of 2)
Ignition Controls
G201
Figure 3:

Wheel Speed Sensors


Object Number: 1470969  Size: FS
Master Electrical Component List
ABS Description and Operation
Control Module References
Traction Control, DLC, and Indicators
Antilock Brake System Schematic Icons
Antilock Brake System Schematic Icons
Antilock Brake System Schematic Icons
Antilock Brake System Schematic Icons