GM Service Manual Online
For 1990-2009 cars only
Figure 1:

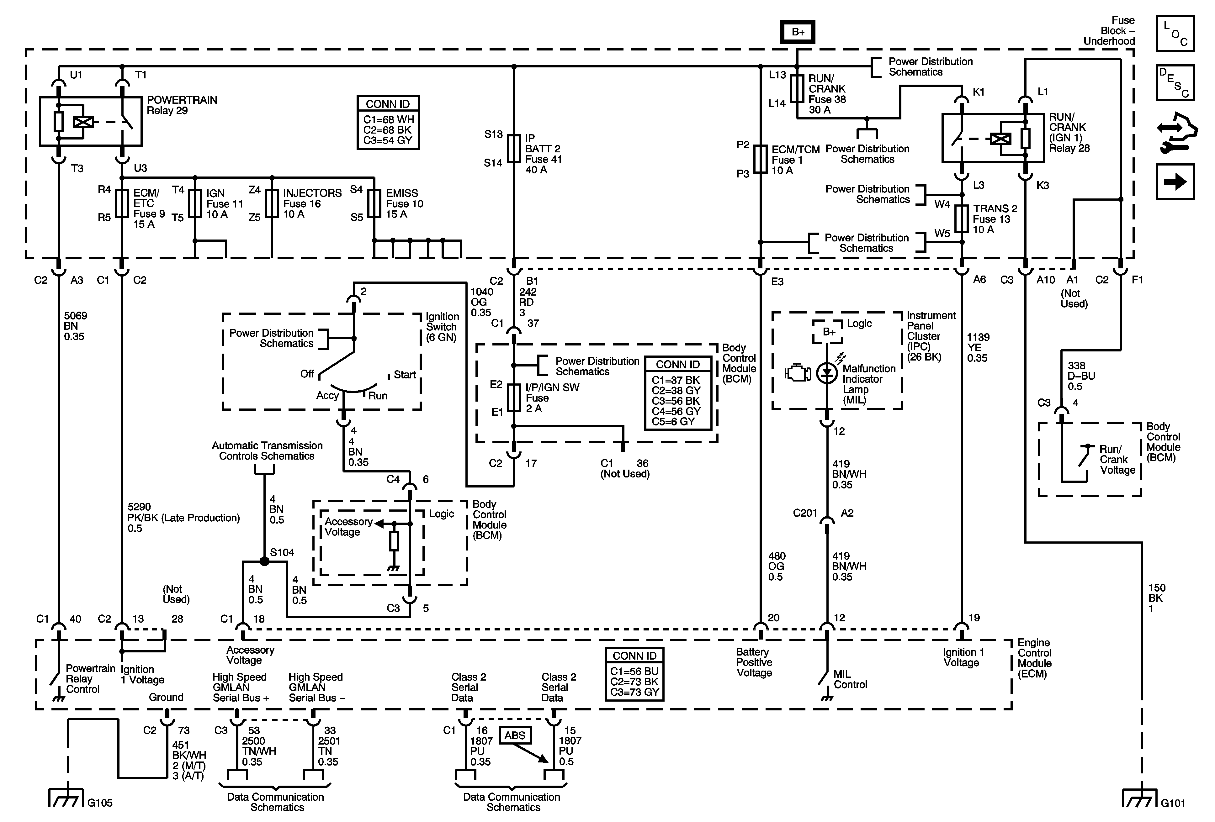
Power, Ground, MIL, and Serial Data


Object Number: 1769024  Size: FS
Master Electrical Component List
Engine Control Module Description
Control Module References
Engine Data Sensors - 5-Volt and Low References
Ignition Switch, RUN/CRANK Fuse, RUN/CRANK (IGN1) Relay
Ignition Switch, RUN/CRANK Fuse, RUN/CRANK (IGN1) Relay
ABS (IOA), BACK UP, BOOST, ECM, TRANS 1, and TRANS 2 Fuses
ABS (IOA), BACK UP, BOOST, ECM, TRANS 1, and TRANS 2 Fuses
Ignition Switch, RUN/CRANK Fuse, RUN/CRANK (IGN1) Relay
Accessory Voltage, Stop Lamp Switch, and Serial Data
BCM, ELECT, CLUSTER/AOS, EPS (60A), FUEL PUMP, HVAC, IGN SW, IP BATT 2, RUN (IGN3), and STOP Fuses, RUN and Fuel Pump Relays
G103, G105 - 2.2L, 2.4L, G109
High Speed GMLAN - 2.2L, 2.4L
Power, Ground, Class 2, and Low Speed GMLAN
G101
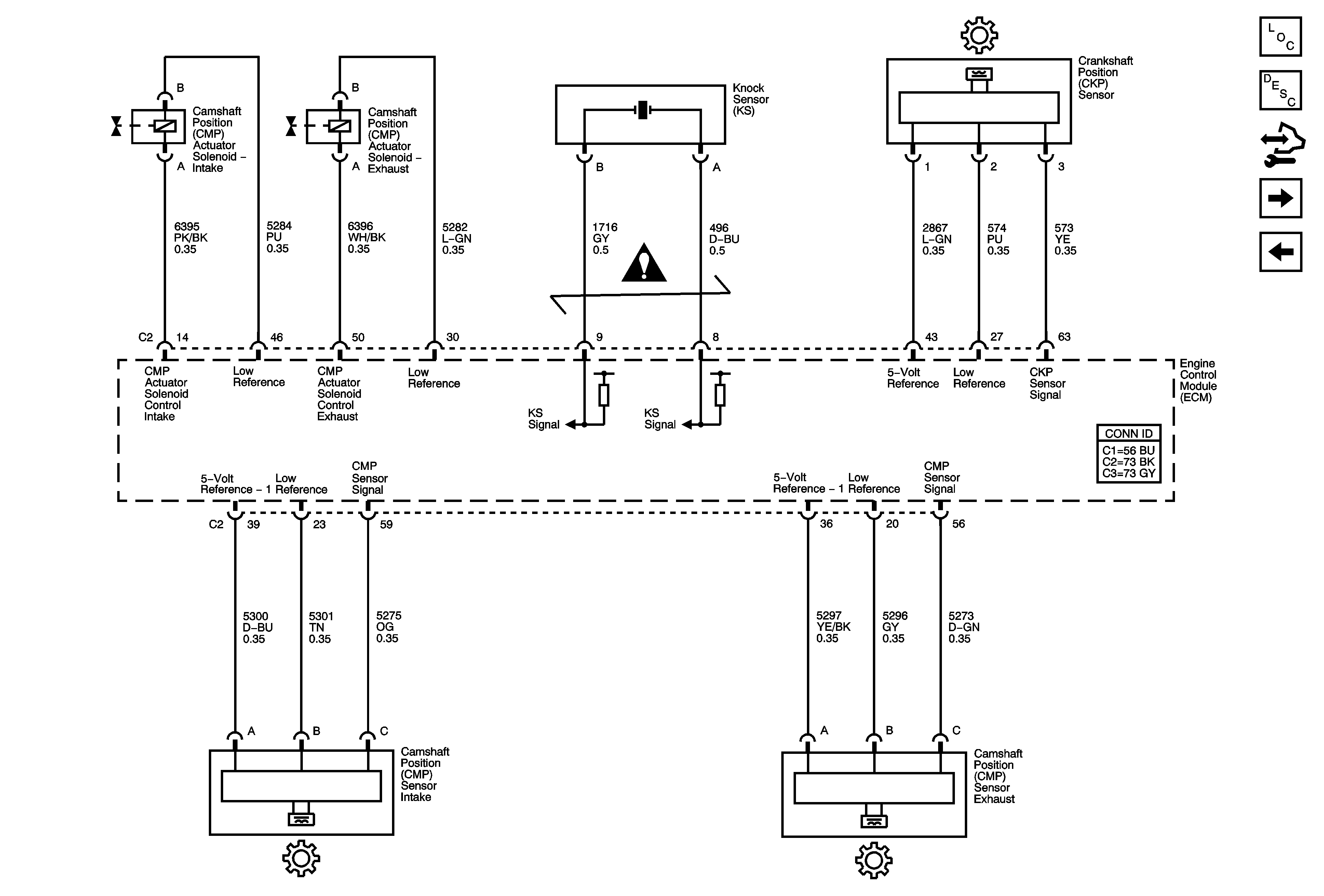
Figure 2:

Engine Data Sensor - 5-Volt and Low Reference


Object Number: 1769026  Size: FS
Master Electrical Component List
Engine Control Module Description
Control Module References
Pressure, Temperature, and MAF/IAT
Power, Ground, MIL, and Serial Data
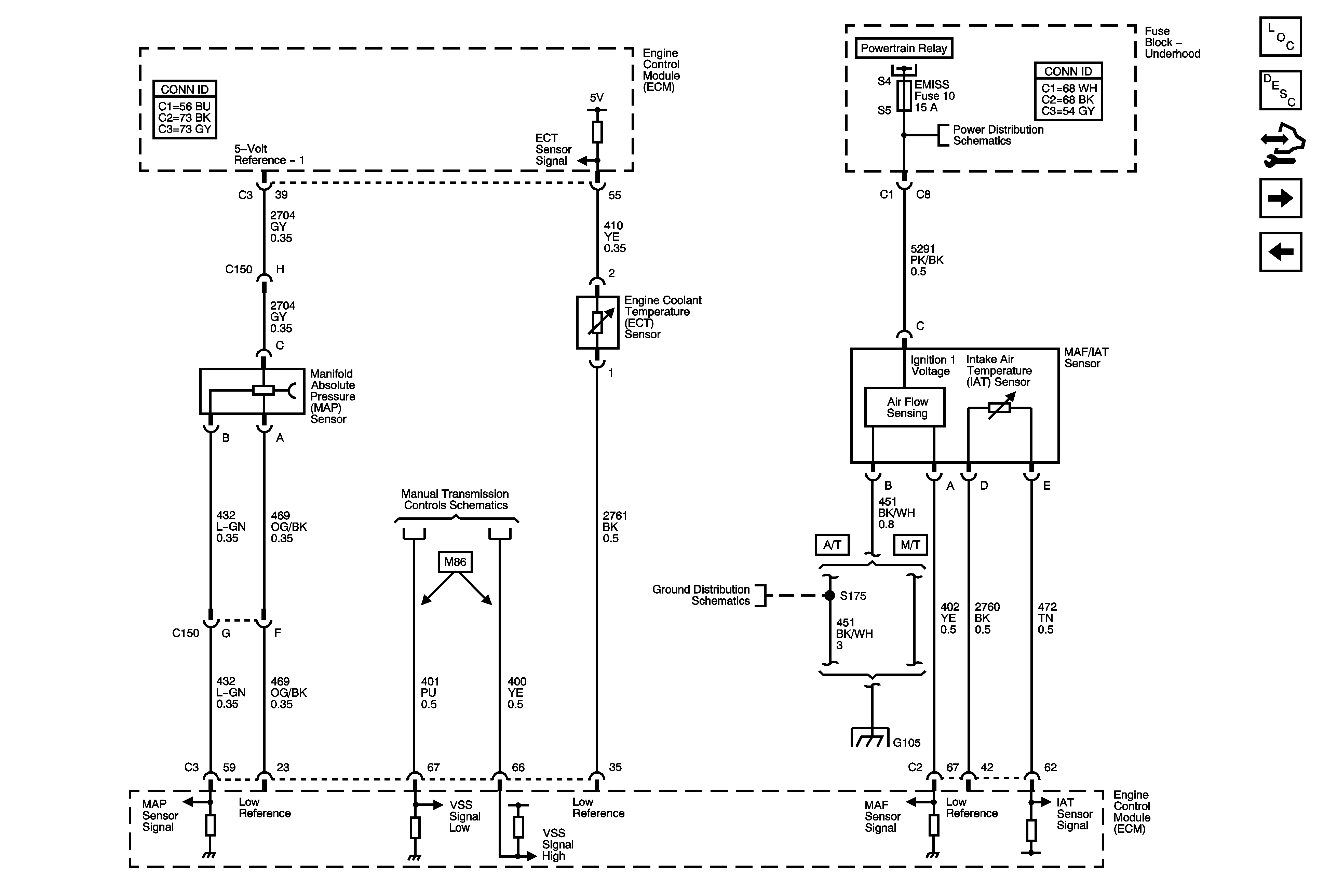
Figure 3:

Engine Data Sensors - Pressure, Temperature, and MAF/IAT


Object Number: 1769027  Size: FS
Master Electrical Component List
Engine Control Module Description
Control Module References
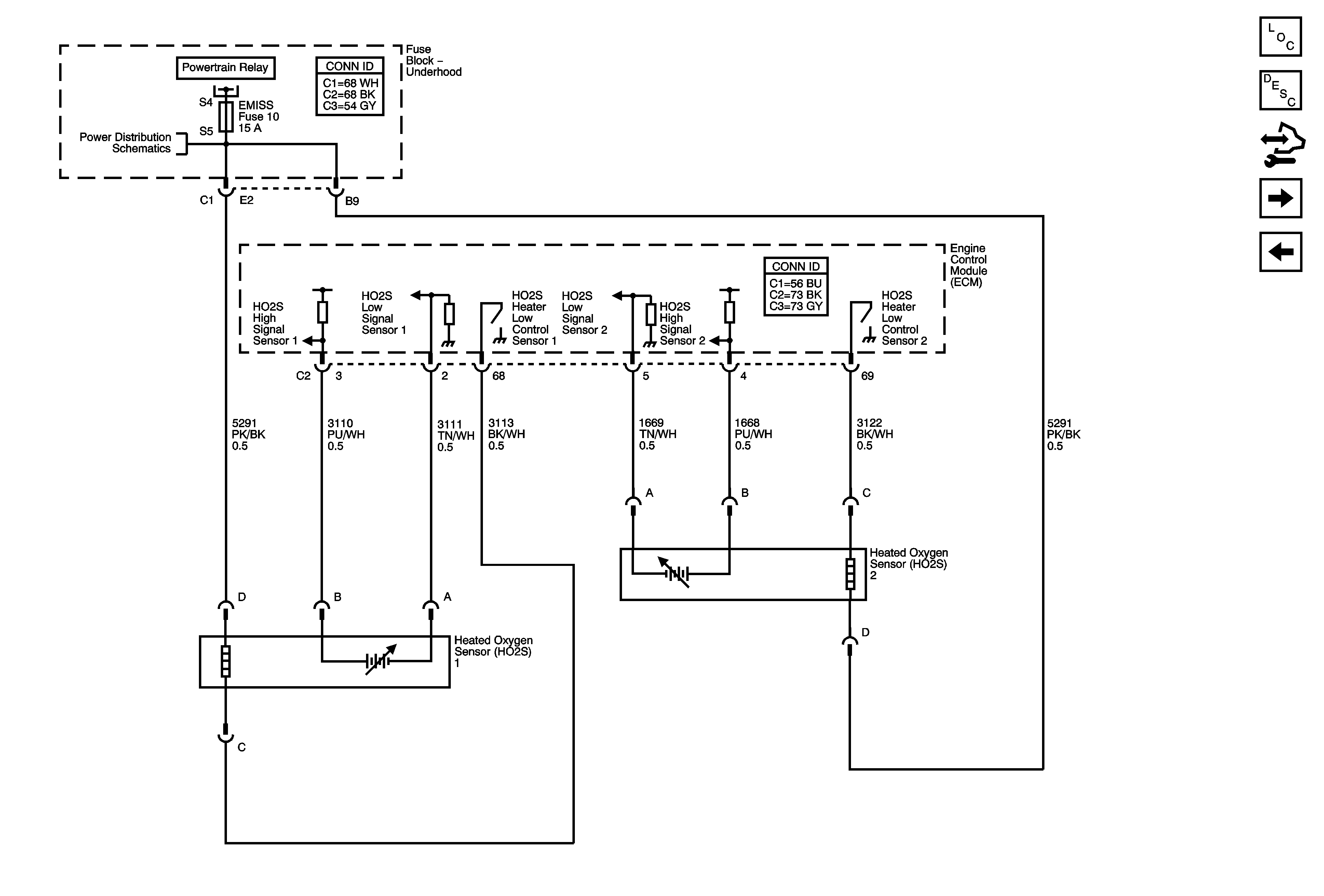
Engine Data Sensors - HO2S
Engine Data Sensors - 5-Volt and Low References
Power, Ground, MIL, and Serial Data
COOLING FAN 2, ECM/ETC, EMISS, IGN, and INJECTORS Fuses, POWERTRAIN Relay - 2.4L
M86 Getrag
G103, G105 - 2.2L, 2.4L, G109
G103, G105 - 2.2L, 2.4L, G109
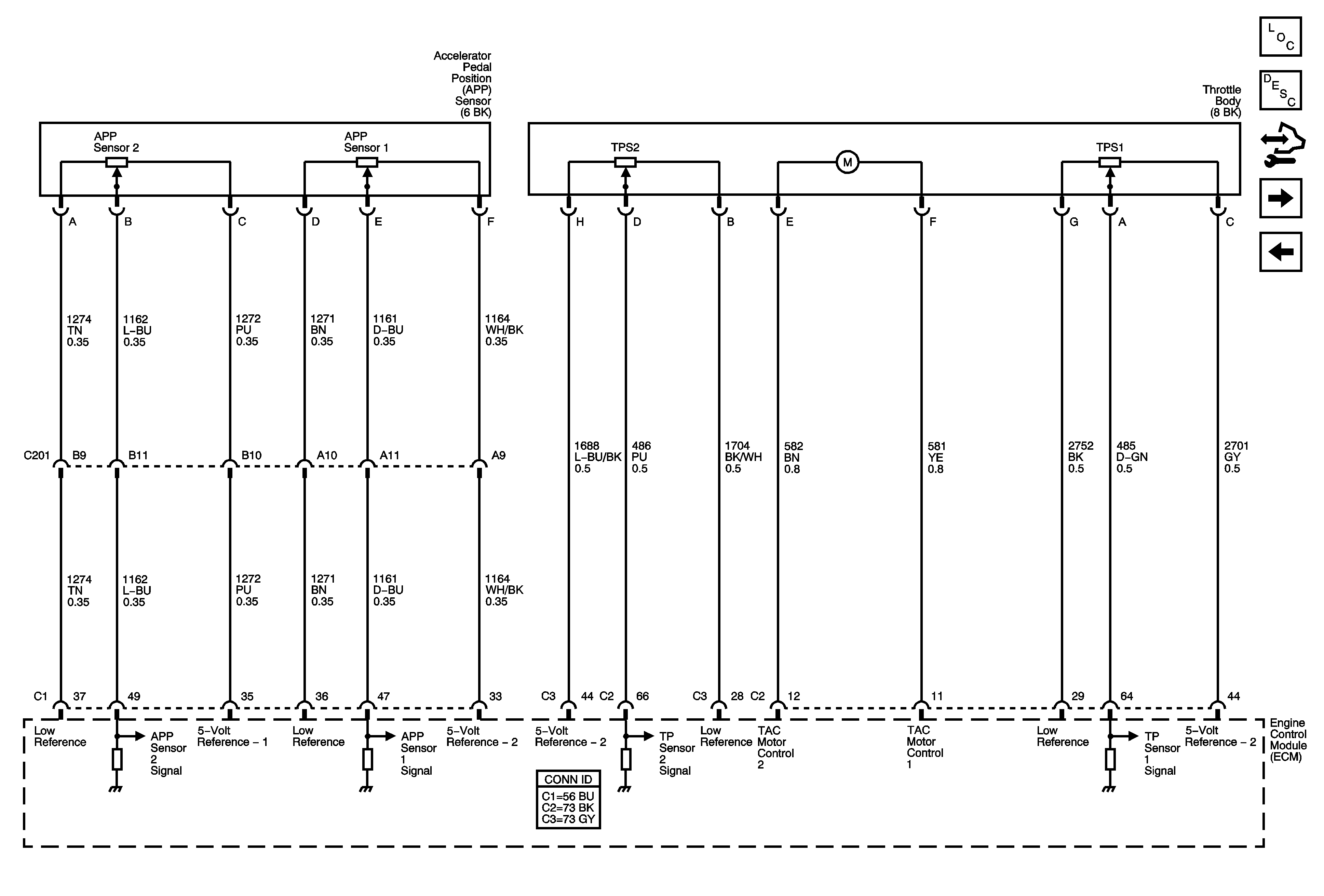
Figure 4:

Engine Data Sensors - HO2S


Object Number: 1769028  Size: FS
Master Electrical Component List
Engine Control Module Description
Control Module References
Engine Data Sensors - APP and TAC
Pressure, Temperature, and MAF/IAT
Power, Ground, MIL, and Serial Data
COOLING FAN 2, ECM/ETC, EMISS, IGN, and INJECTORS Fuses, POWERTRAIN Relay - 2.4L
Figure 5:

Engine Data Sensors - APP and TAC


Object Number: 1769029  Size: FS
Master Electrical Component List
Throttle Actuator Control (TAC) System Description
Control Module References
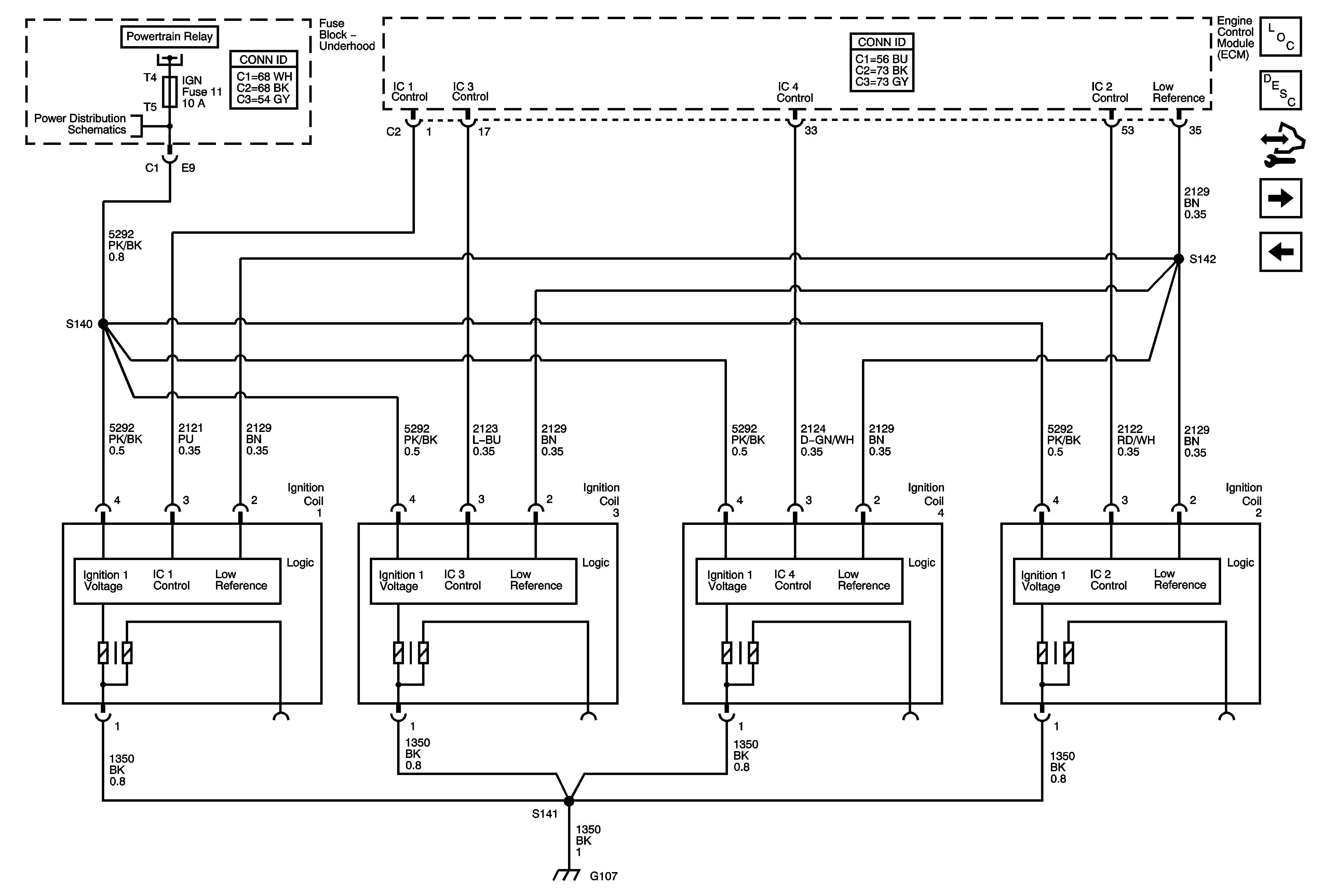
Ignition Controls - Ignition System
Engine Data Sensors - HO2S
Figure 6:

Ignition Controls - Ignition System


Object Number: 1769030  Size: FS
Master Electrical Component List
Electronic Ignition (EI) System Description
Control Module References
Ignition Controls - Sensors
Engine Data Sensors - APP and TAC
Power, Ground, MIL, and Serial Data
COOLING FAN 2, ECM/ETC, EMISS, IGN, and INJECTORS Fuses, POWERTRAIN Relay - 2.4L
Figure 7:

Ignition Controls - Sensors


Object Number: 1769031  Size: FS
Master Electrical Component List
Electronic Ignition (EI) System Description
Control Module References
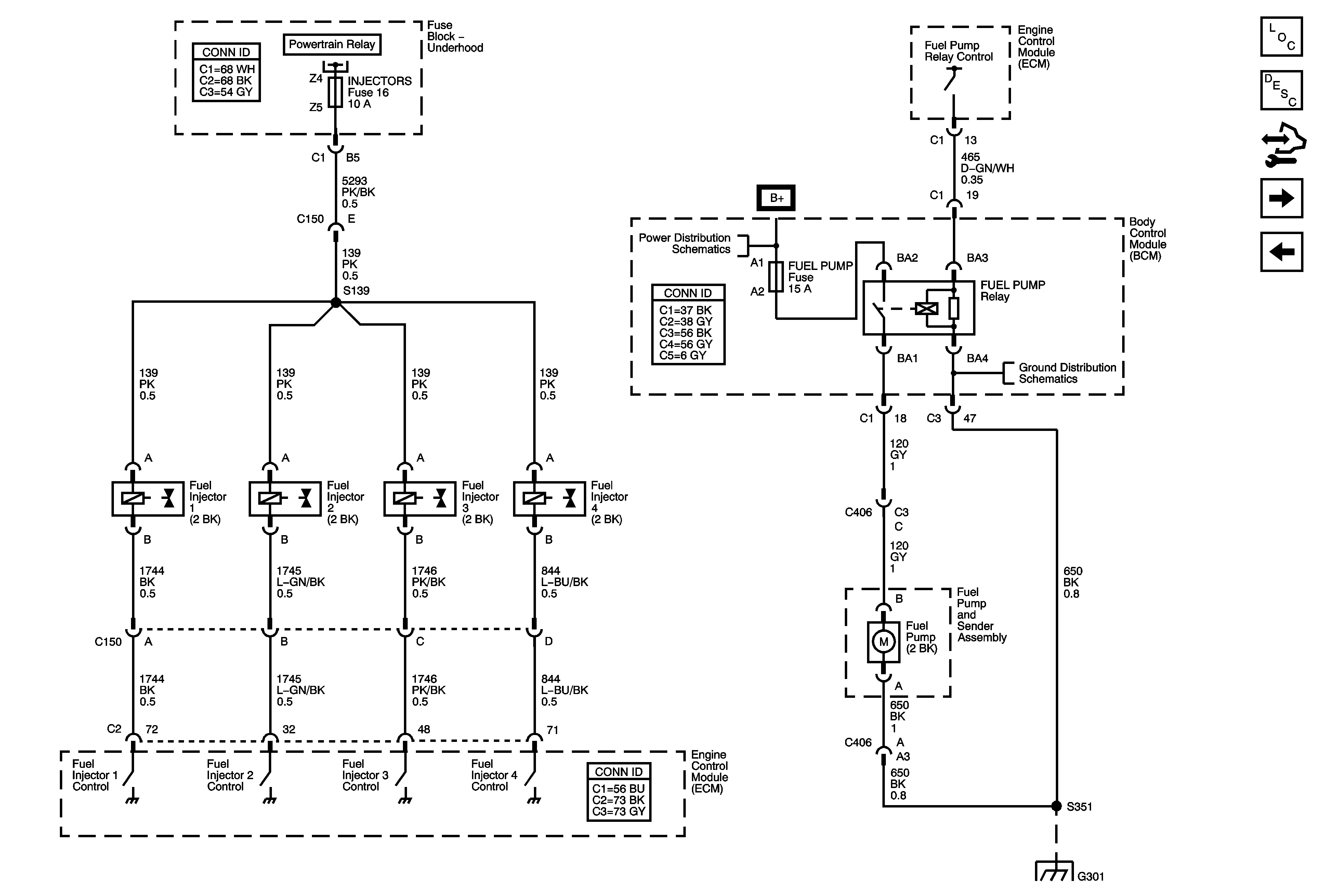
Fuel Controls
Ignition Controls - Ignition System
Engine Controls Schematic Icons
Figure 8:

Fuel Controls


Object Number: 1769032  Size: FS
Master Electrical Component List
Fuel System Description
Control Module References
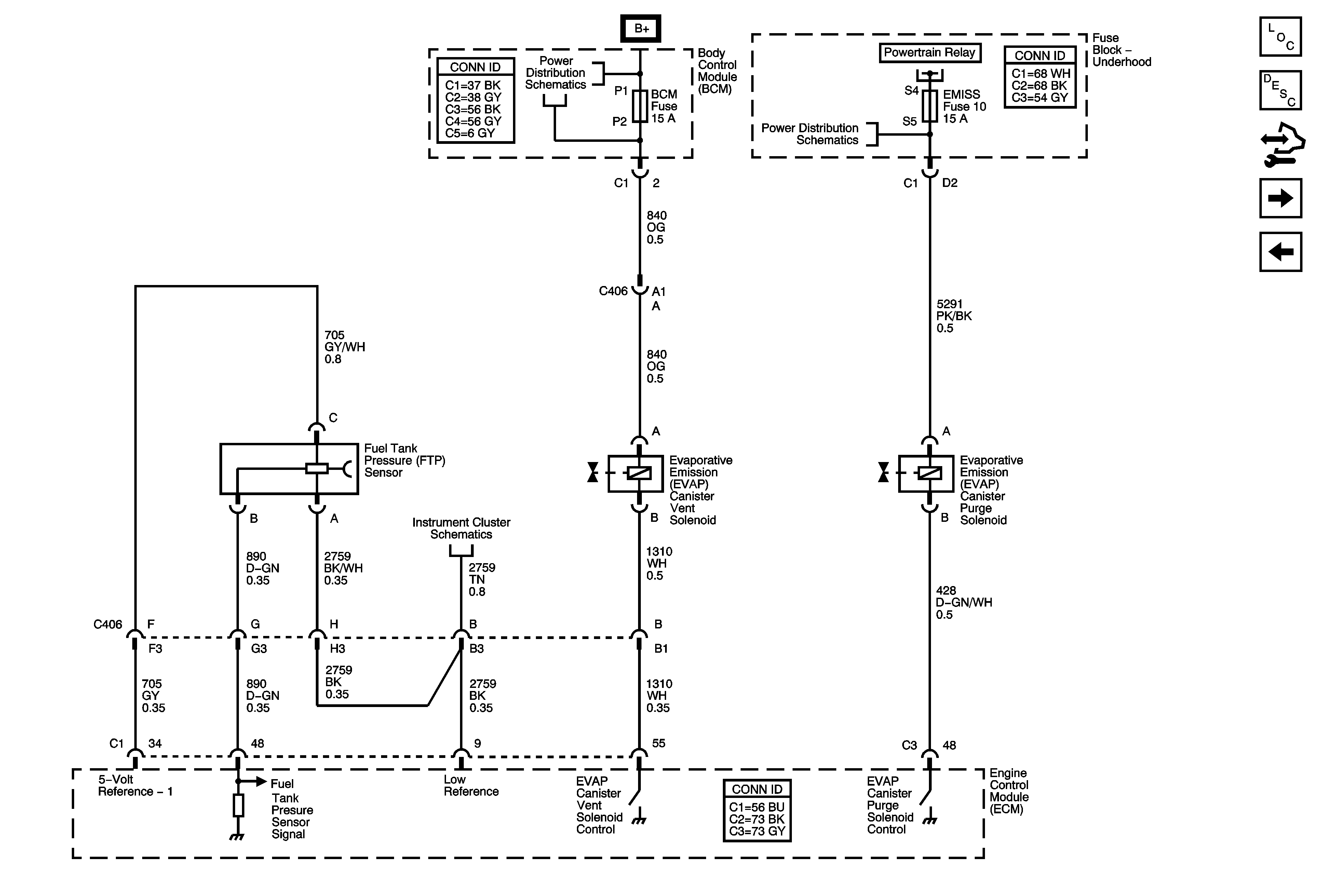
EVAP Controls
Ignition Controls - Sensors
Power, Ground, MIL, and Serial Data
BCM, ELECT, CLUSTER/AOS, EPS (60A), FUEL PUMP, HVAC, IGN SW, IP BATT 2, RUN (IGN3), and STOP Fuses, RUN and Fuel Pump Relays
G301
G301
Figure 9:

EVAP Controls


Object Number: 1769033  Size: FS
Master Electrical Component List
Evaporative Emission Control System Description
Control Module References
Controlled/Monitored Subsystem References
Fuel Controls
Power, Ground, MIL, and Serial Data
BCM (PWR), DASH, IP BATT 1, IP BATT 1A, LIGHTER, ONSTAR, PARK PWR OUTLET, PWR WINDOWS, RADIO (BATT 1), RADIO (ACCY), SUNROOF, and WIPER SW Fuses
COOLING FAN 2, ECM/ETC, EMISS, IGN, and INJECTORS Fuses, POWERTRAIN Relay - 2.4L
Figure 10:

Controlled/Monitored Subsystem References


Object Number: 1769035  Size: FS
Master Electrical Component List
Engine Control Module Description
Control Module References
EVAP Controls
Fuel Level and Oil Pressure
M86 Getrag
Controlled/Monitored Subsystem References
2.4L
A/C Compressor Controls - C60
Charging
Starting