GM Service Manual Online
For 1990-2009 cars only
Makes
🢒
Saturn
🢒
2003
🢒
L200/LW200
🢒 4 Cyl
4 Cyl
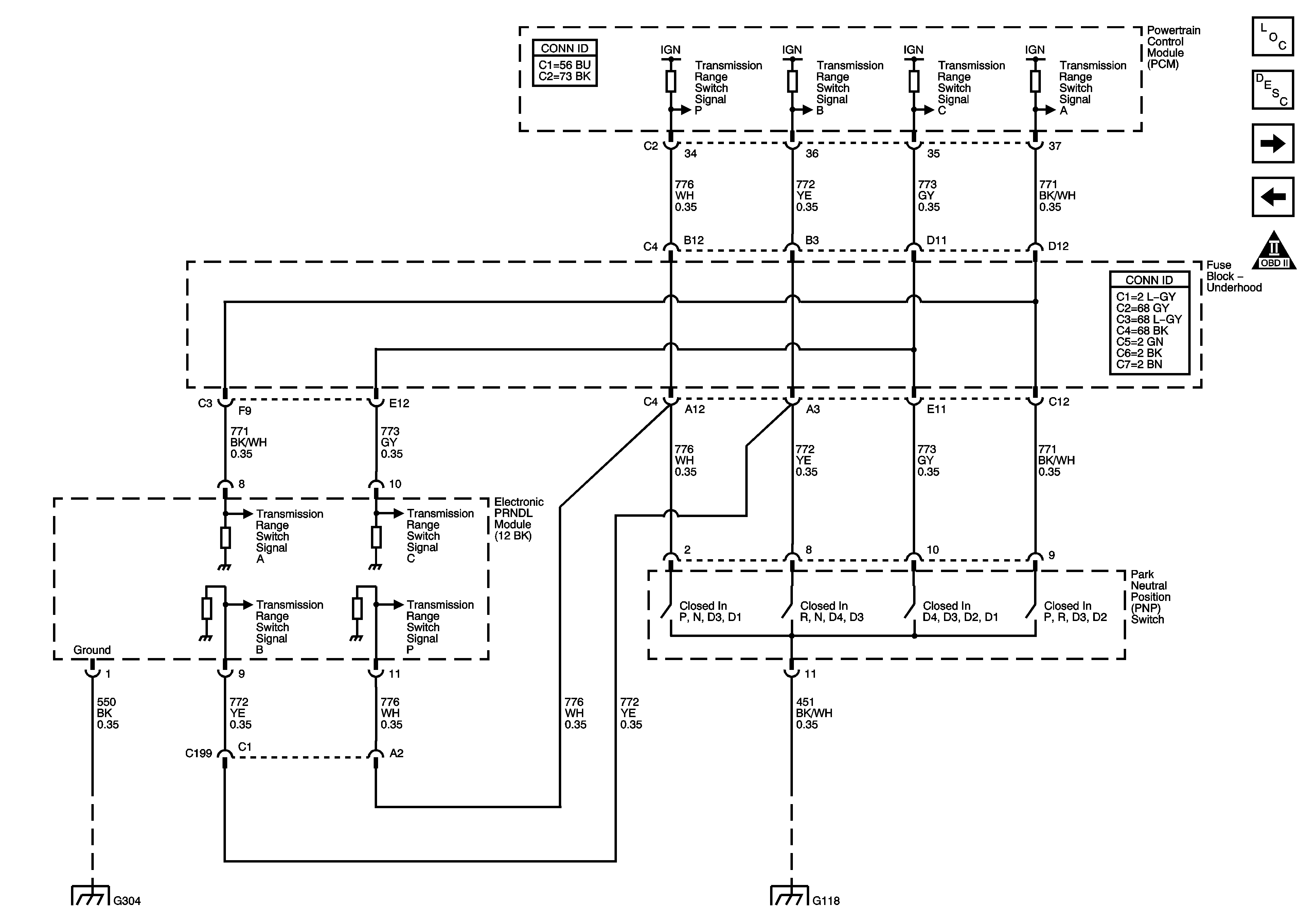
PNP Switch and PRNDL
Master Electrical Component List
Transmission Component and System Description
Power, Ground, MIL, Stop Lamp
Sensors, Solenoids, Switches
OBD II Symbol Description Notice
G300, G304
G102, G110, G118, G114