GM Service Manual Online
For 1990-2009 cars only
Makes
🢒
Saturn
🢒
2003
🢒
L200/LW200
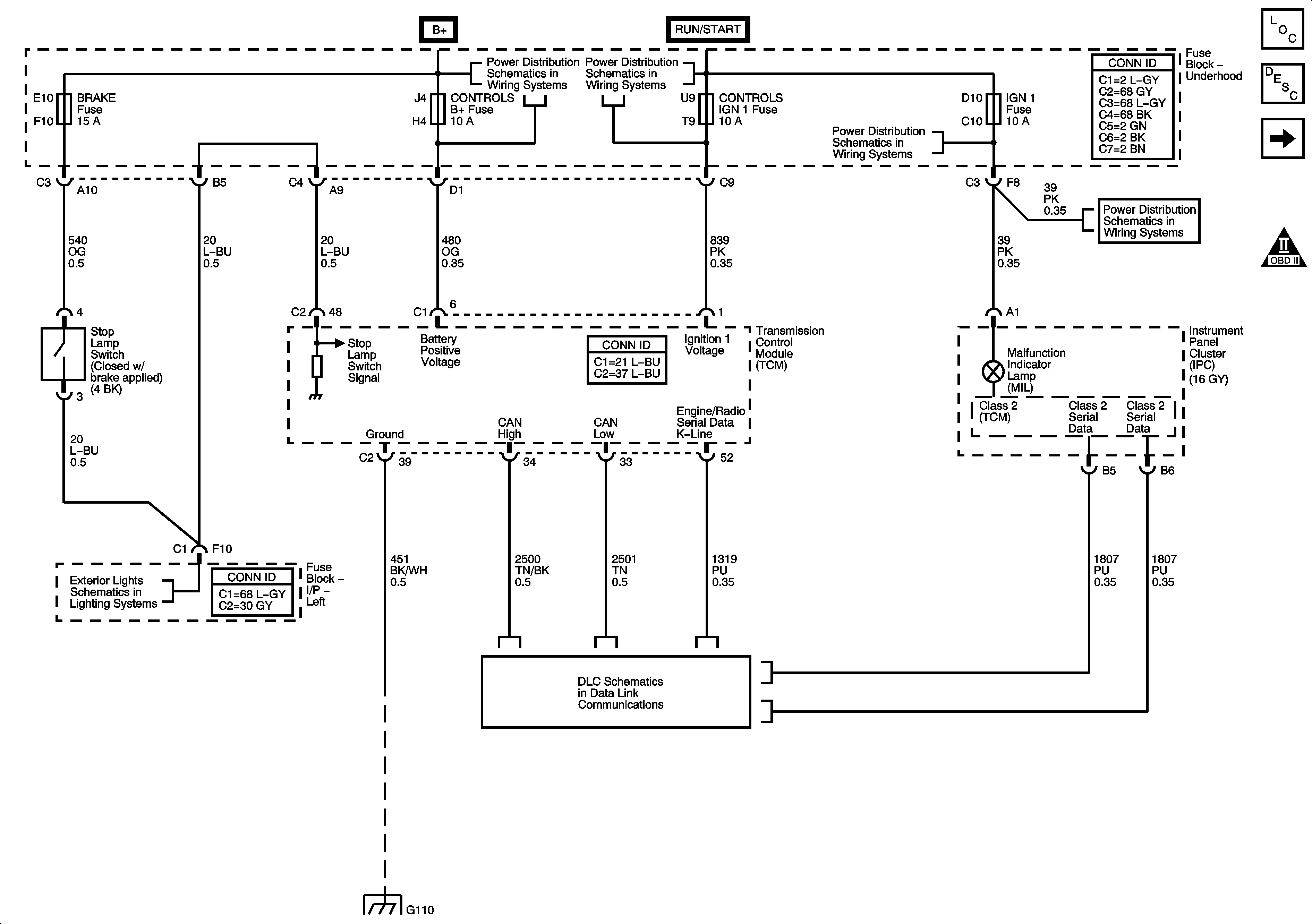
🢒 Power, Ground, MIL, Stop Lamp
Power, Ground, MIL, Stop Lamp
TCM Power, Ground, MIL and Stop Lamp Switch
Master Electrical Component List
Transmission Component and System Description
Sensors and Solenoids
OBD II Symbol Description Notice
Fuse Block - Underhood Fuses: Cooling Fan 2, Cooling Fan 1, ABS1, ABS2, Parklamp
Fuse Block-Underhood Fuses: Injector, Cntrls, IGN1, EIS, IGN
Fuse Block - Underhood Fuses: BCM/ECM/CRUISE/ABS, Cruise Switch, IGN1 and Backup/Turn
Fuse Block - Underhood Fuses: BCM/ECM/CRUISE/ABS, Cruise Switch, IGN1 and Backup/Turn
Stop Lamps
DLC Schematics (3.0L)
G102, G110, G118, G114