GM Service Manual Online
For 1990-2009 cars only
Makes
🢒
Saturn
🢒
2005
🢒
L300/LW300
🢒
Body
🢒
Wiring Systems
🢒 Instrument Cluster Schematics
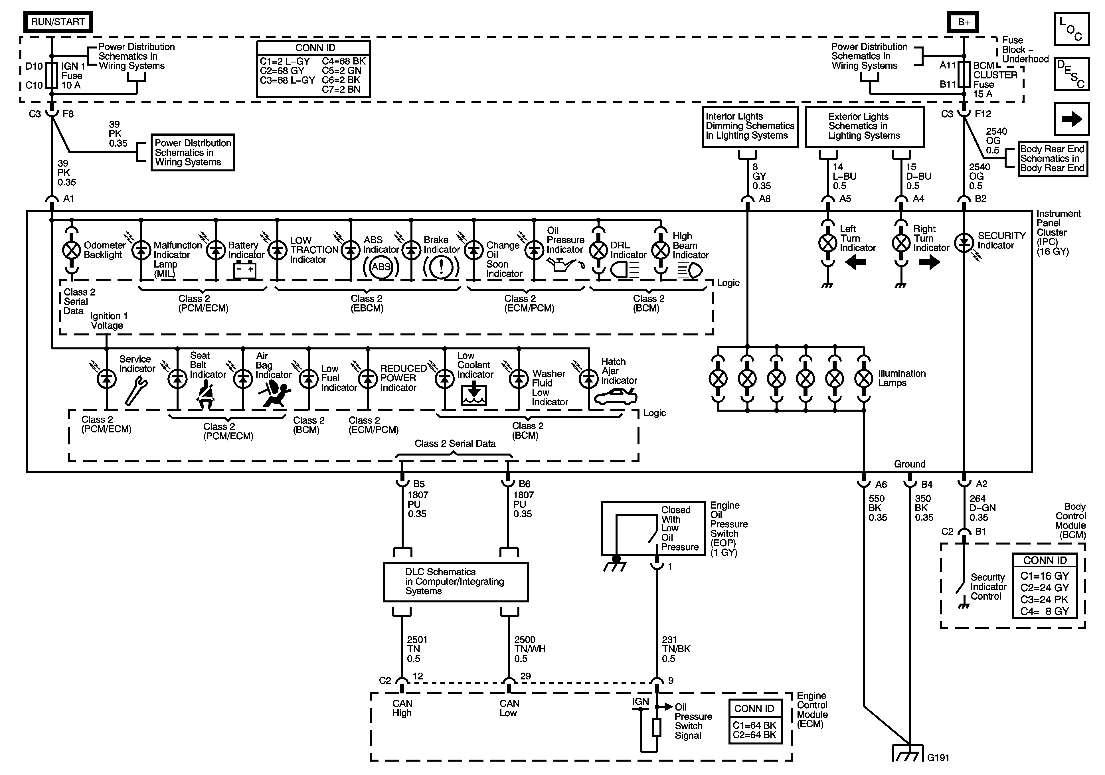
Figure
1:
Power, Ground, and Indicators
Master Electrical Component List
Instrument Cluster Description and Operation
Gages
BACKUP/TURN, BCM/ECM/CRUISE, CRUISE SW, and IGN 1 Fuses
BACKUP/TURN, BCM/ECM/CRUISE, CRUISE SW, and IGN 1 Fuses
BCM CLUSTER, DEFOG LED, and REAR DEFOG Fuses
Interior Lights Dimming
Turn/Hazard Lamps
Body Rear End Schematics
Data Link Connector
G191, G202, and G303
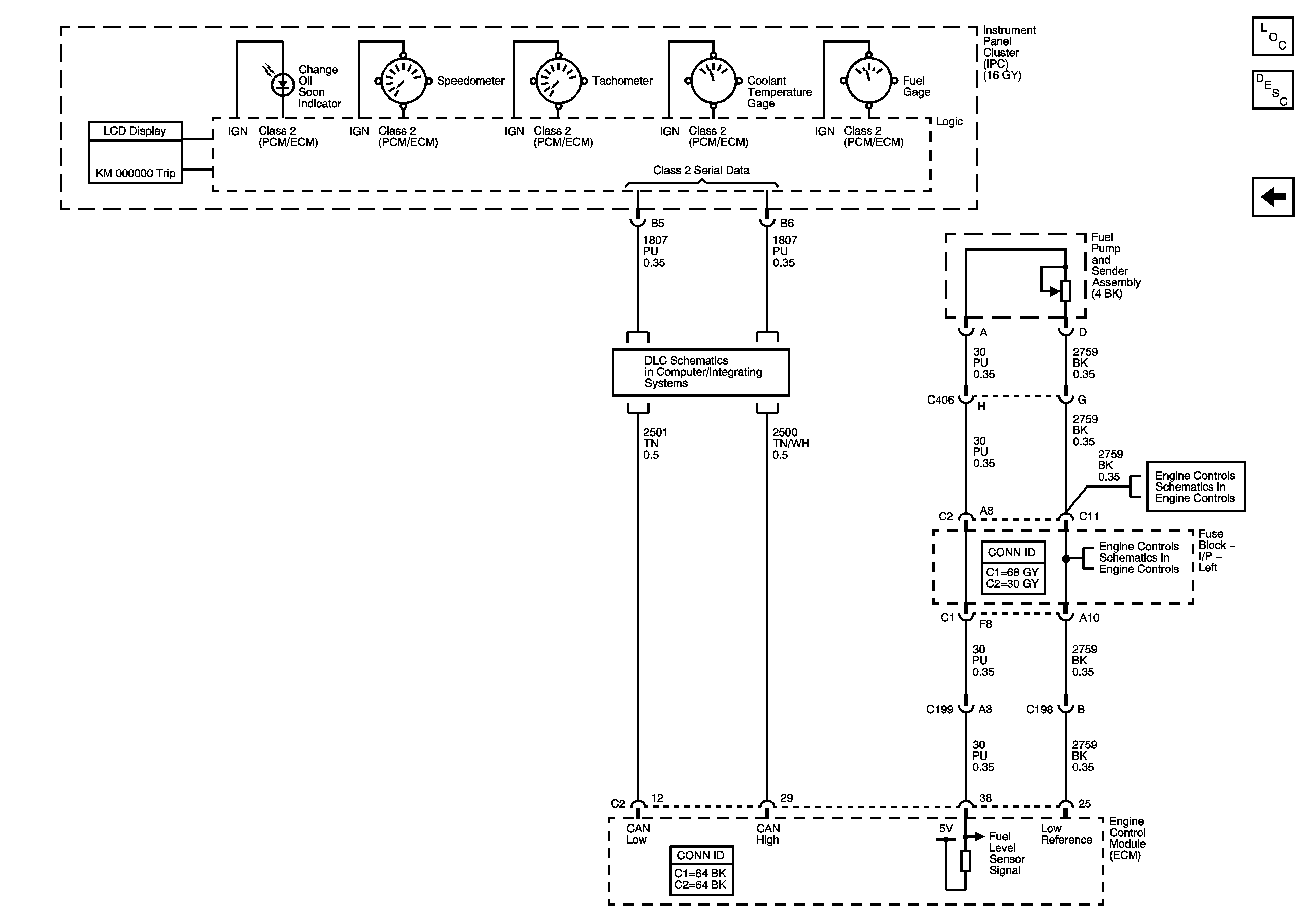
Figure
2:
Gages
Master Electrical Component List
Instrument Cluster Description and Operation
Module Power, Ground, and Indicators
Data Link Connector
Engine Data Sensors - Low References
Engine Data Sensors - Low References