GM Service Manual Online
For 1990-2009 cars only
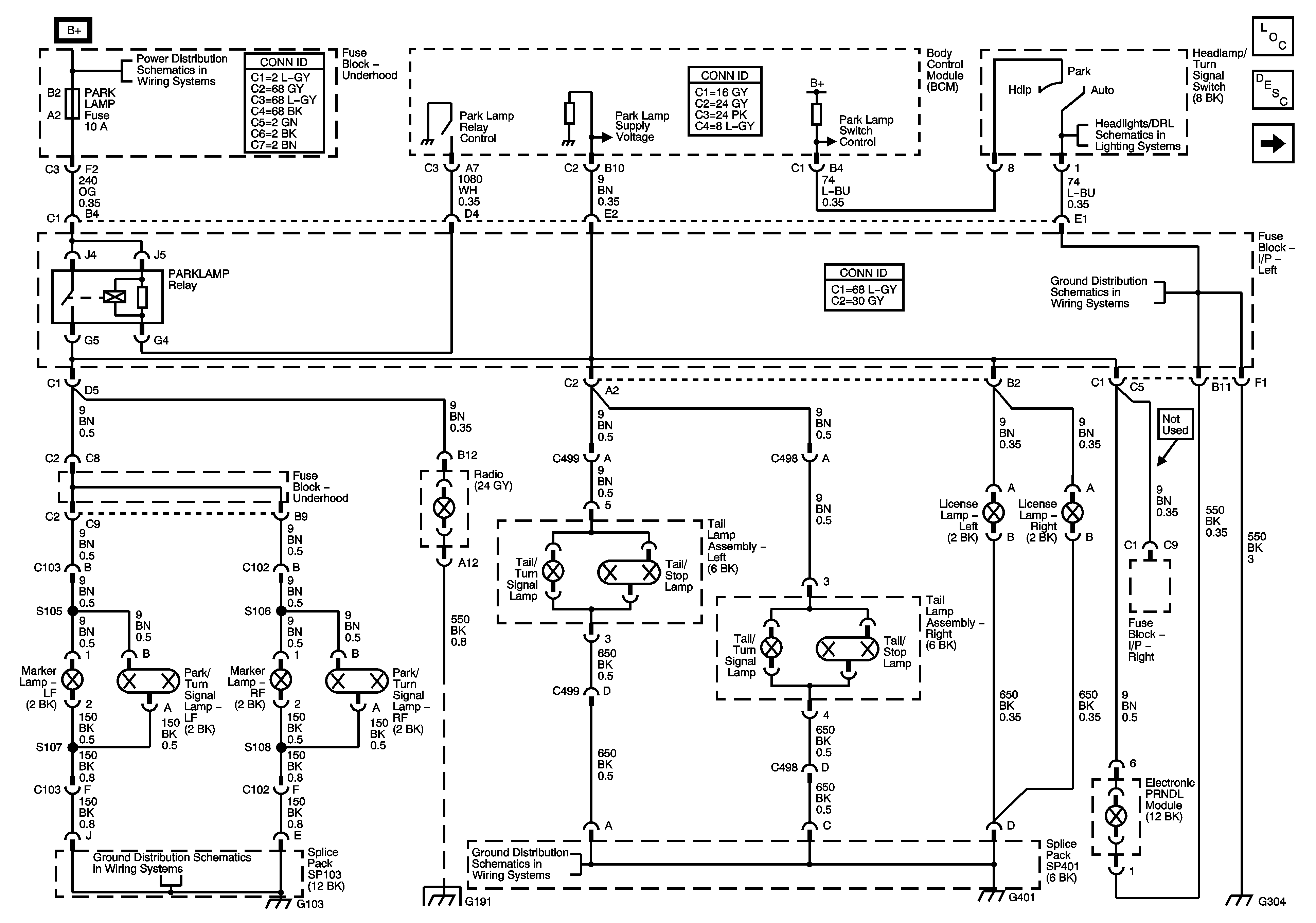
Figure 1:

Parking Lamps


Object Number: 1458197  Size: FS
Master Electrical Component List
Exterior Lighting Systems Description and Operation
Stop Lamps
Fuse Block - Underhood Bus
Headlights/DRL Schematics
G300 (3 of 3) and G304
G103, G105, G107, and G113
G191, G202, and G303
G305, G399, G400, and G401
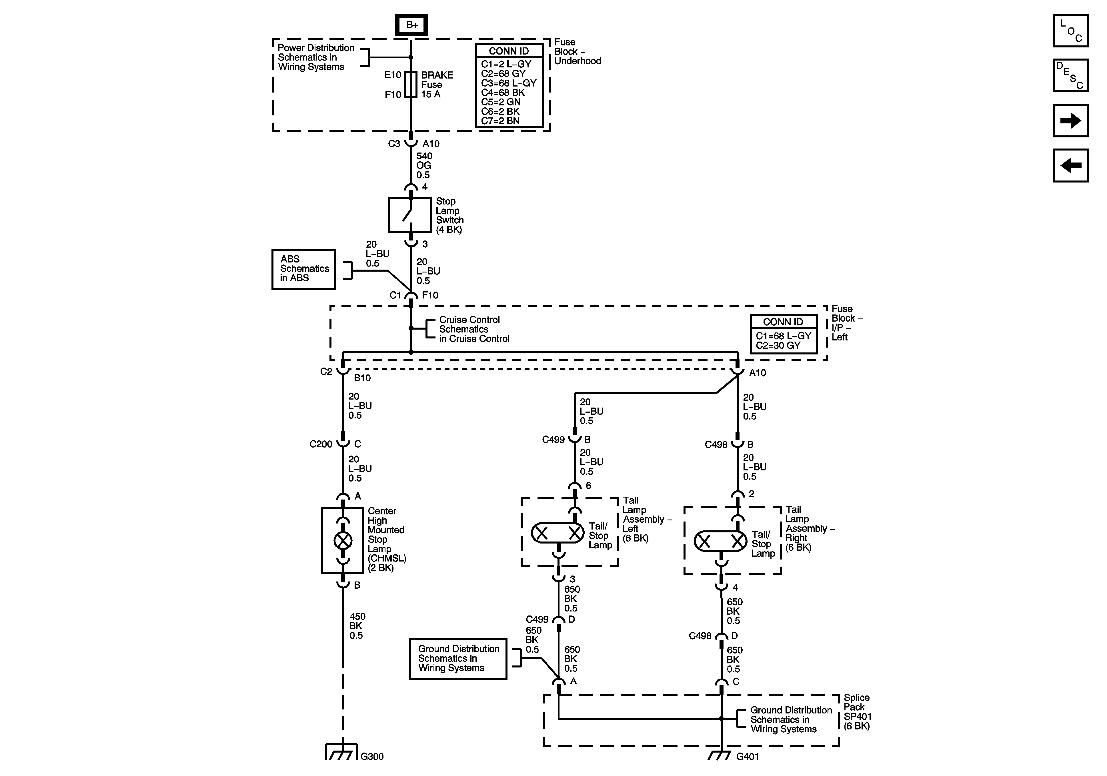
Figure 2:

Stop Lamps


Object Number: 1485534  Size: FS
Master Electrical Component List
Exterior Lighting Systems Description and Operation
Turn/Hazard Lamps
Parking Lamps
Fuse Block - Underhood Bus
Module, Power, Ground, Serial Data, and Switches
Cruise Control
G305, G399, G400, and G401
G300 (1 of 3)
G305, G399, G400, and G401
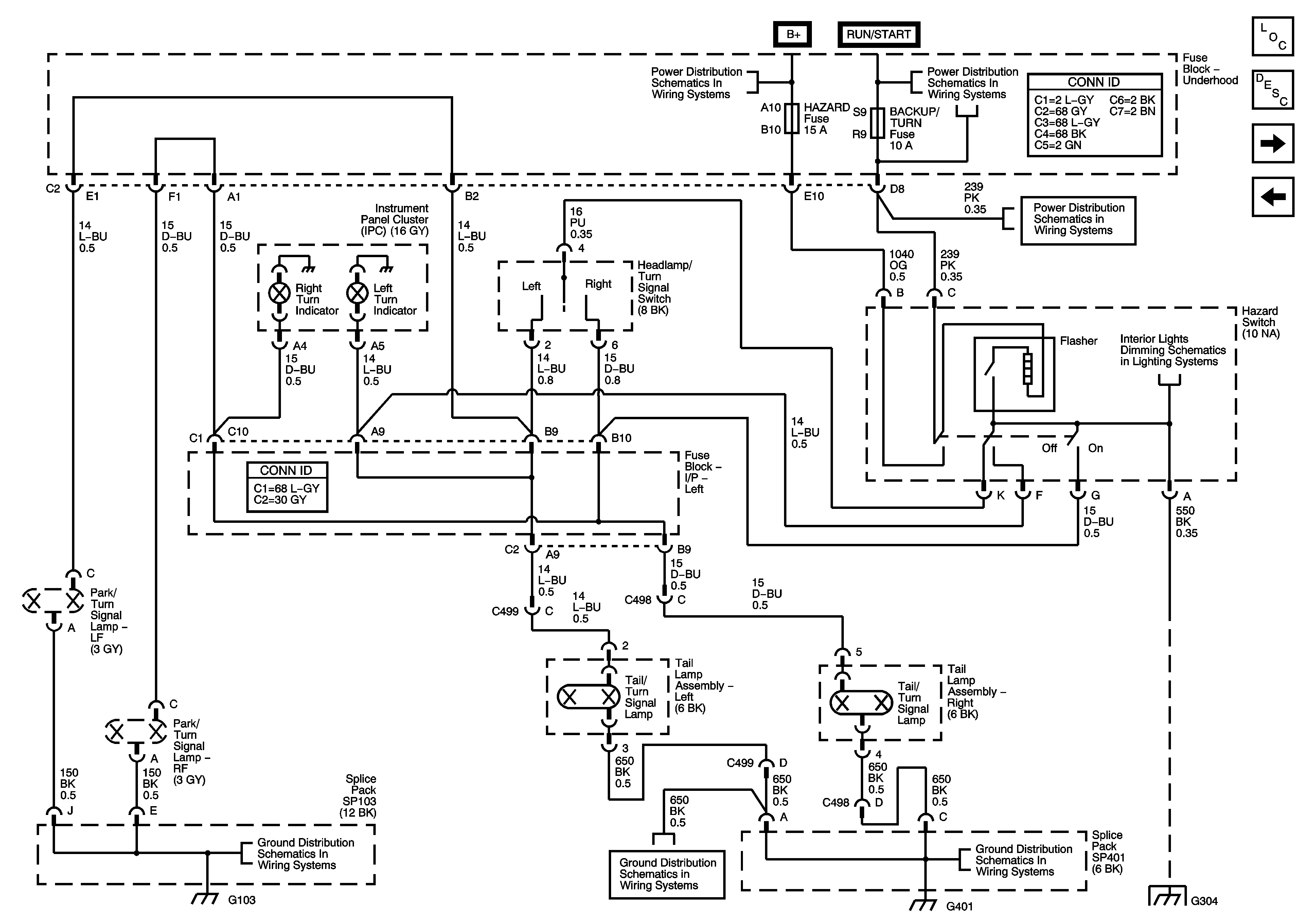
Figure 3:

Turn/Hazard Lamps


Object Number: 1485539  Size: FS
Master Electrical Component List
Exterior Lighting Systems Description and Operation
Backup Lamps
Stop Lamps
Fuse Block - Underhood Bus
BACKUP/TURN, BCM/ECM/CRUISE, CRUISE SW, and IGN 1 Fuses
BACKUP/TURN, BCM/ECM/CRUISE, CRUISE SW, and IGN 1 Fuses
Interior Lights Dimming
G103, G105, G107, and G113
G305, G399, G400, and G401
G305, G399, G400, and G401
G300 (3 of 3) and G304
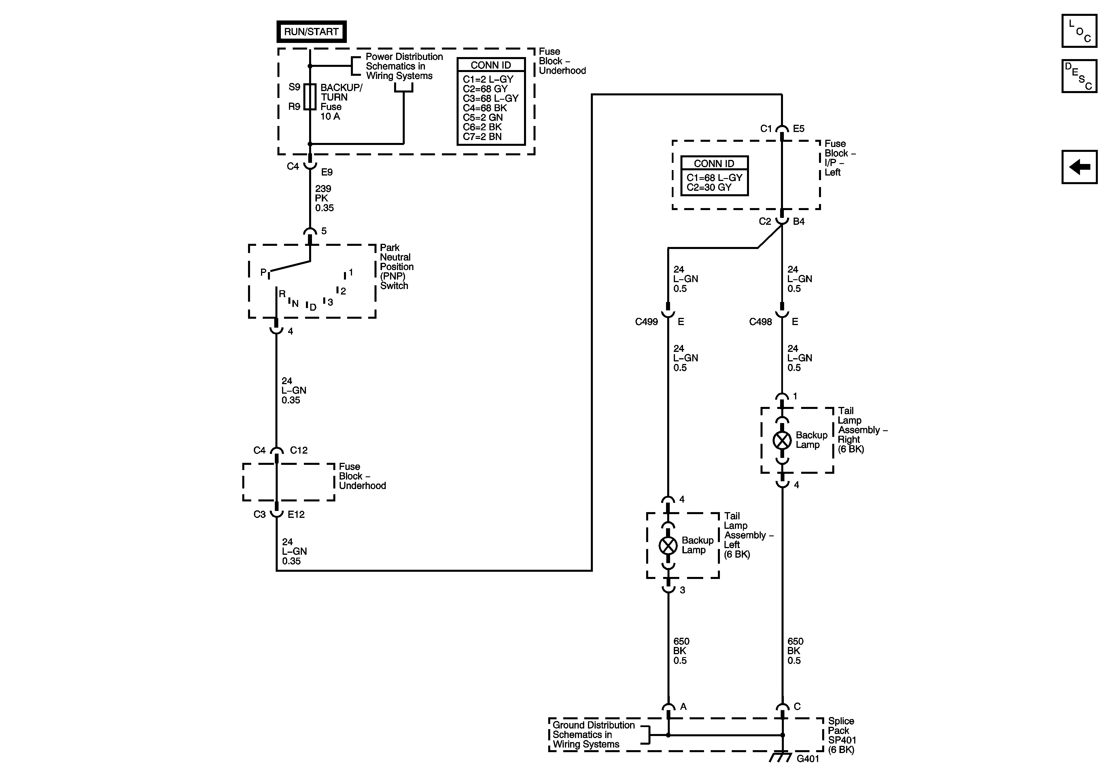
Figure 4:

Backup Lamps


Object Number: 1485546  Size: FS
Master Electrical Component List
Exterior Lighting Systems Description and Operation
Turn/Hazard Lamps
BACKUP/TURN, BCM/ECM/CRUISE, CRUISE SW, and IGN 1 Fuses
G305, G399, G400, and G401