GM Service Manual Online
For 1990-2009 cars only
Makes
🢒
Saturn
🢒
2005
🢒
L300/LW300
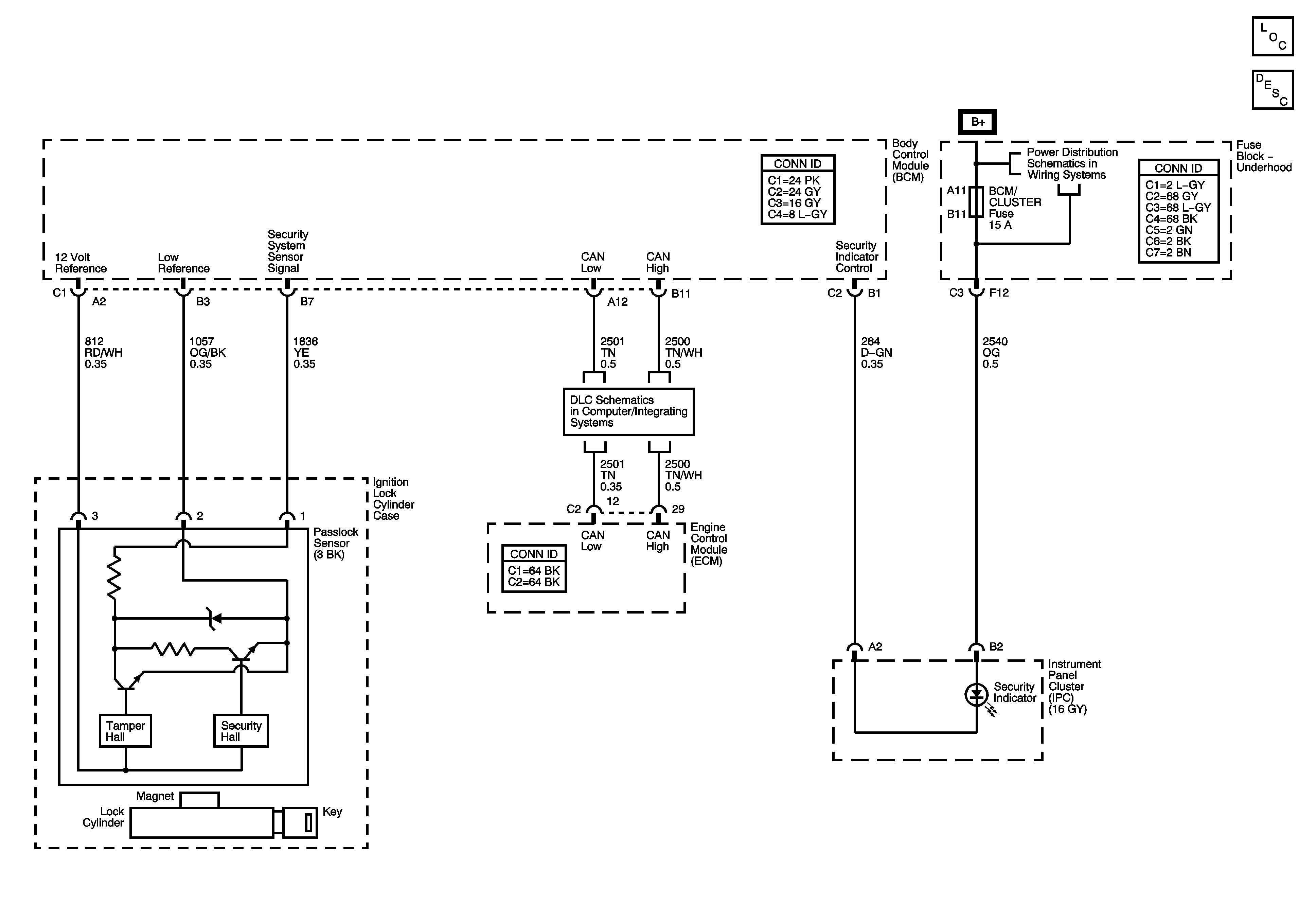
🢒 Theft Deterrent System Schematics
Theft Deterrent System Schematics
Master Electrical Component List
Theft Systems Description and Operation
BCM CLUSTER, DEFOG LED, and REAR DEFOG Fuses
Data Link Connector