GM Service Manual Online
For 1990-2009 cars only
Makes
🢒
Saturn
🢒
2007
🢒
SKY
🢒
Engine
🢒
Engine Cooling
🢒 Engine Cooling Schematics
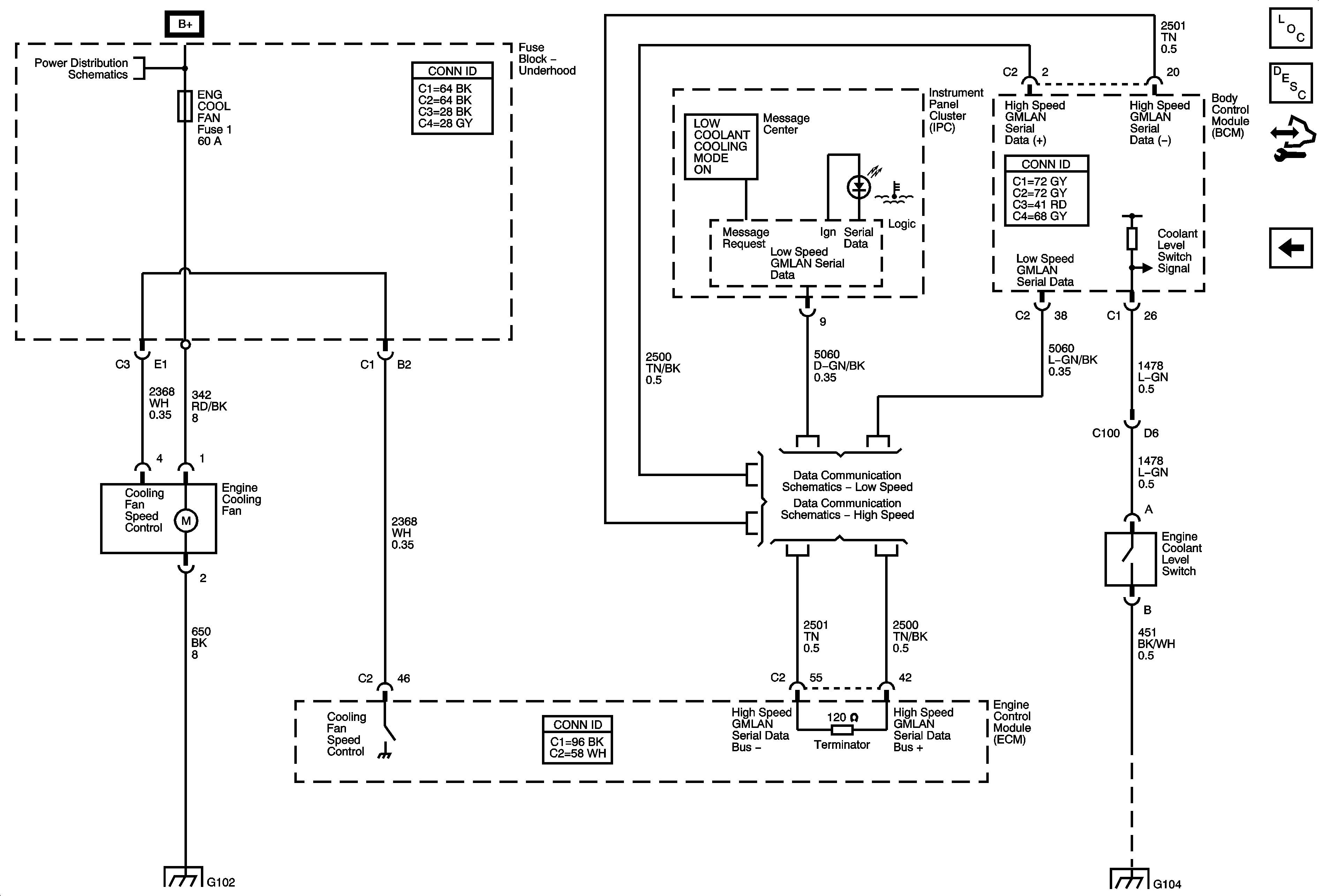
Figure
1:
LE5
Master Electrical Component List
Cooling System Description and Operation
Control Module References
LNF
B+ Bus - 1 of 2
Low Speed LAN
High Speed LAN
G101 and G102
G103, G104, G105, G106 and G304
Figure
2:
LNF
Master Electrical Component List
Cooling Fan Description and Operation
Control Module References
LE5
B+ Bus - 1 of 2
Low Speed LAN
High Speed LAN
G101 and G102
G103, G104, G105, G106 and G304