GM Service Manual Online
For 1990-2009 cars only
Makes
🢒
Saturn
🢒
2007
🢒
SKY
🢒
Diagnostic Navigation
🢒
Vehicle Diagnostic Information
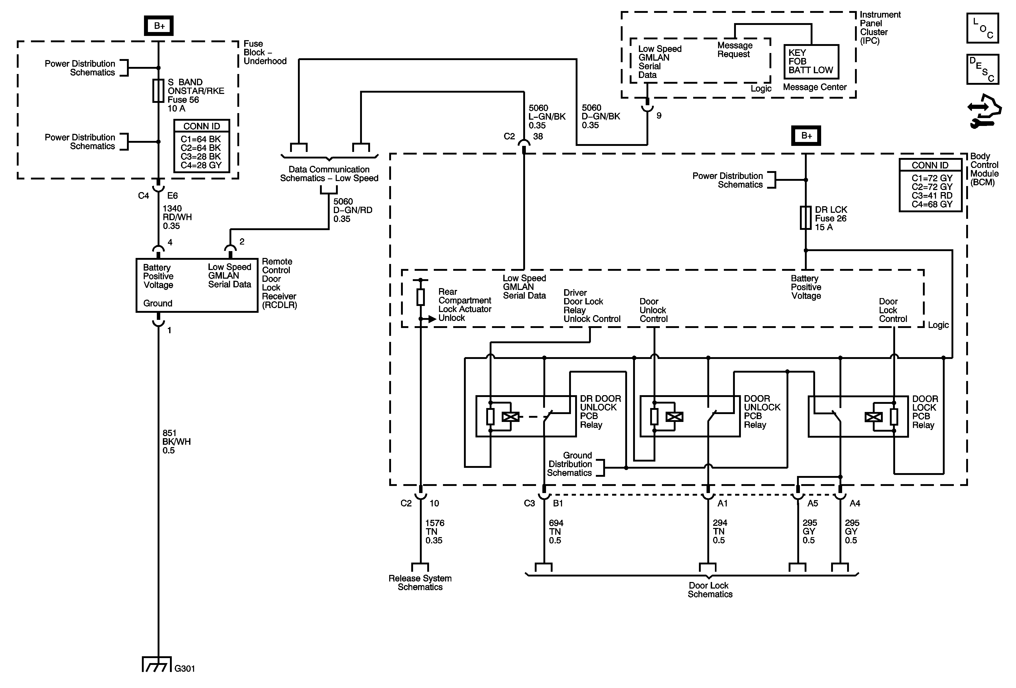
🢒 Remote Function Schematics
Master Electrical Component List
Keyless Entry System Description and Operation
Control Module References
B+ Bus - 2 of 2
B+ Bus - 2 of 2
Low Speed LAN
Fuse Block - Underhood BCM Fuse, BCM Fuses: ECM/TCM, DR LCK, INT LIGHT, PWR WNDW, RDO, SDM, BCM Relays: DOOR LOCK, DOOR UNLOCK, DR DOOR UNLOCK, INADVERTENT LOAD CONTROL, RAP
Folding Top and Rear Compartment Lid Release
Door Lock Schematics
G301, G302, G303, G400 and G402