GM Service Manual Online
For 1990-2009 cars only
Makes
🢒
Saturn
🢒
2007
🢒
SKY
🢒
Diagnostic Navigation
🢒
Vehicle Diagnostic Information
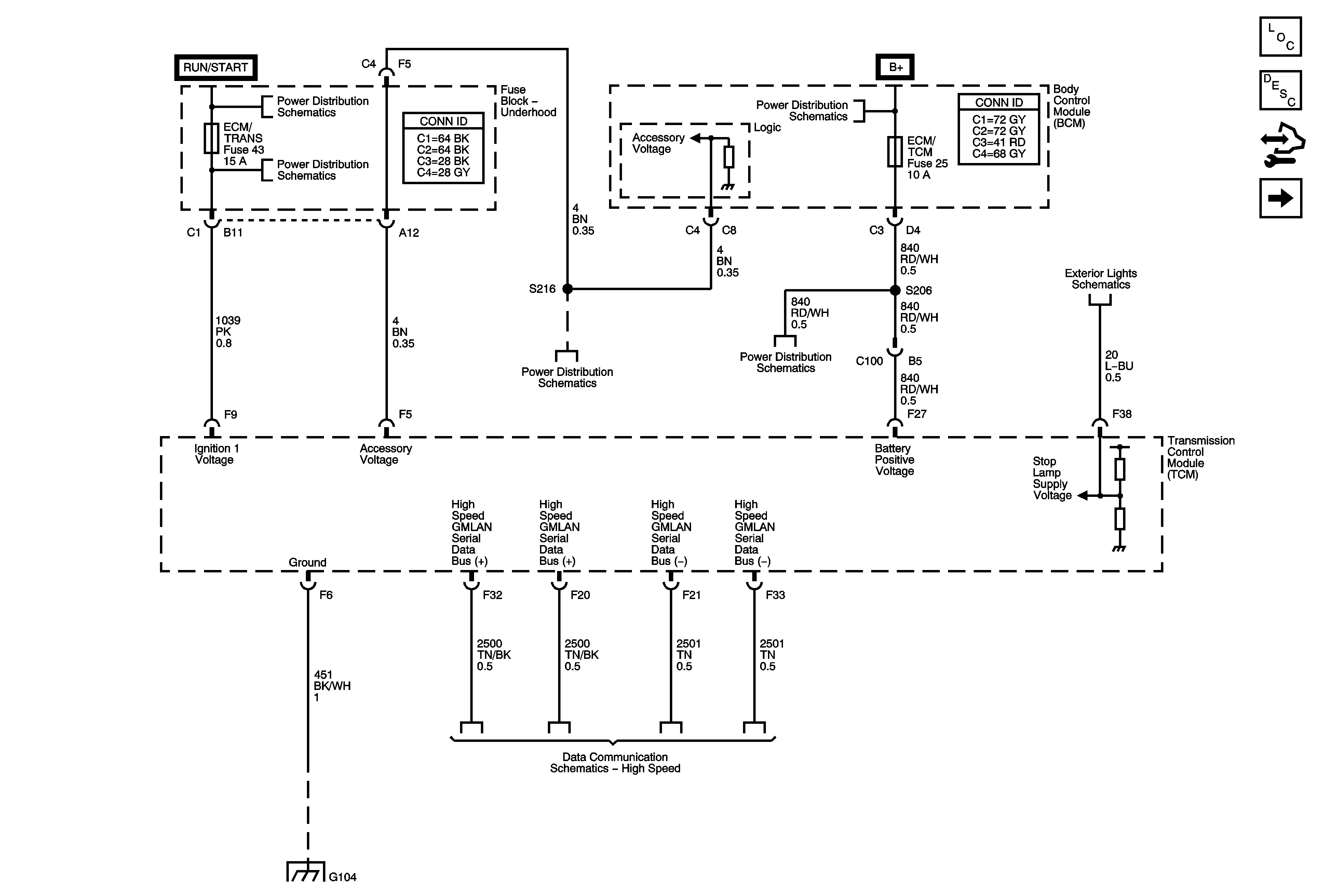
🢒 Automatic Transmission Controls Schematics
Figure
1:
DLC, Ground, and Power
Master Electrical Component List
Electronic Component Description
Control Module References
Shift Solenoids, TFT, and Vss
B+ Bus - 1 of 2
Fuse Block - Underhood BCM Fuse, BCM Fuses: ECM/TCM, DR LCK, INT LIGHT, PWR WNDW, RDO, SDM, BCM Relays: DOOR LOCK, DOOR UNLOCK, DR DOOR UNLOCK, INADVERTENT LOAD CONTROL, RAP
Stop and Turn Signal Lamps
Ignition Switch
Fuse Block - Underhood BCM Fuse, BCM Fuses: ECM/TCM, DR LCK, INT LIGHT, PWR WNDW, RDO, SDM, BCM Relays: DOOR LOCK, DOOR UNLOCK, DR DOOR UNLOCK, INADVERTENT LOAD CONTROL, RAP
High Speed LAN
G103, G104, G105, G106 and G304
Figure
2:
Shift Solenoids, TFT, and Vss
Master Electrical Component List
Electronic Component Description
Control Module References
DLC, Ground, and Power
Starting and Charging Schematics
G103, G104, G105, G106 and G304