GM Service Manual Online
For 1990-2009 cars only
Figure 1:

G101


Object Number: 1187457  Size: FS
Master Electrical Component List
G103, G105, G107, and G207 - L81
Figure 2:

G103, G105, G107, and G207 - L81


Object Number: 1187539  Size: FS
Master Electrical Component List
G103, G105, and G207 - L61
G101
Figure 3:

G103, G105, and G207 - L61


Object Number: 1187632  Size: FS
Master Electrical Component List
G201
G103, G105, G107, and G207 - L81
Figure 4:

G201


Object Number: 1187642  Size: FS
Master Electrical Component List
G203 and G205
G103, G105, and G207 - L61
SIR Caution for Zoning
SIR Caution for Zoning
Figure 5:

G203 and G205


Object Number: 1187666  Size: FS
Master Electrical Component List
G301 - 1 of 2
G201
Figure 6:

G301 - 1 of 2


Object Number: 1187670  Size: FS
Master Electrical Component List
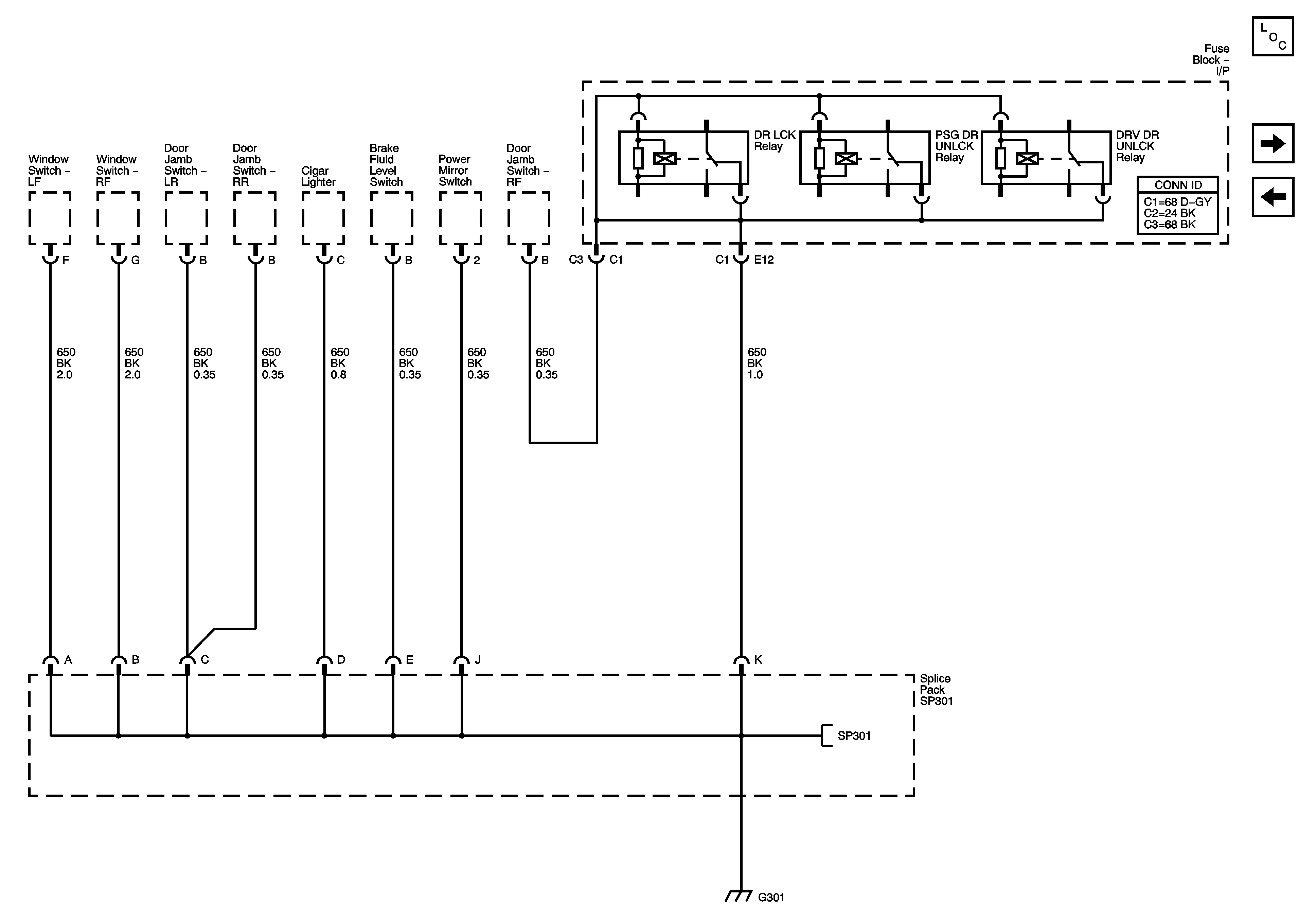
G301 - 2 of 2
G203 and G205
G301 - 2 of 2
Figure 7:

G301 - 2 of 2


Object Number: 1187687  Size: FS
Master Electrical Component List
G401 and G403
G301 - 1 of 2
G301 - 1 of 2
Figure 8:

G401 and G403


Object Number: 1187725  Size: FS
Master Electrical Component List
G301 - 2 of 2