GM Service Manual Online
For 1990-2009 cars only
Makes
🢒
Saturn
🢒
2006
🢒
VUE - FWD
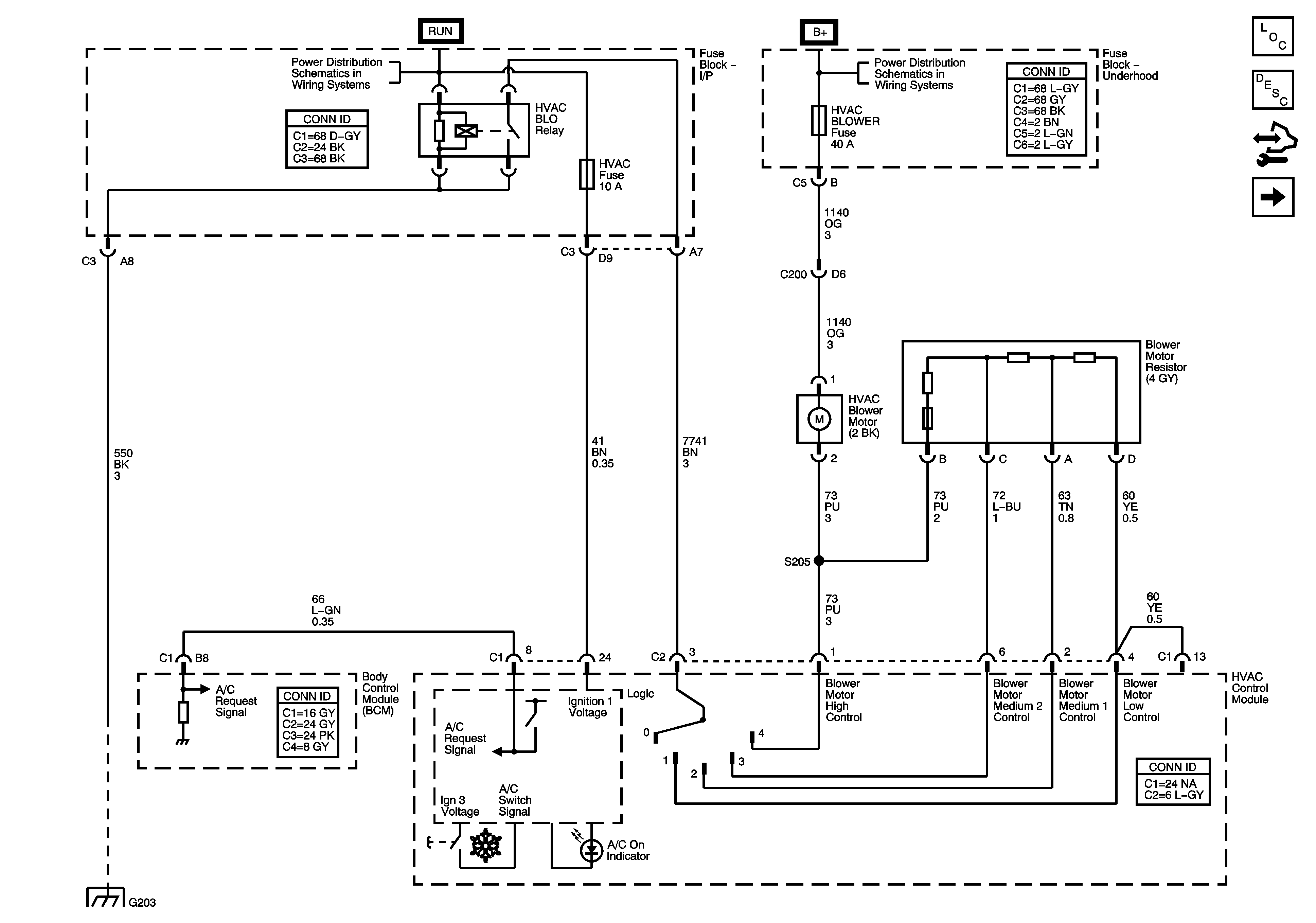
🢒 Blower Controls
Blower Controls
Blower Controls
Master Electrical Component List
Air Delivery Description and Operation
Control Module References
Compressor and Pressure Sensor Signals
B+ Bussing and the EPS Fuse
IGN Fuse and the Ignition Switch Circuits
G203 and G205