GM Service Manual Online
For 1990-2009 cars only
Makes
🢒
Saturn
🢒
2006
🢒
VUE - FWD
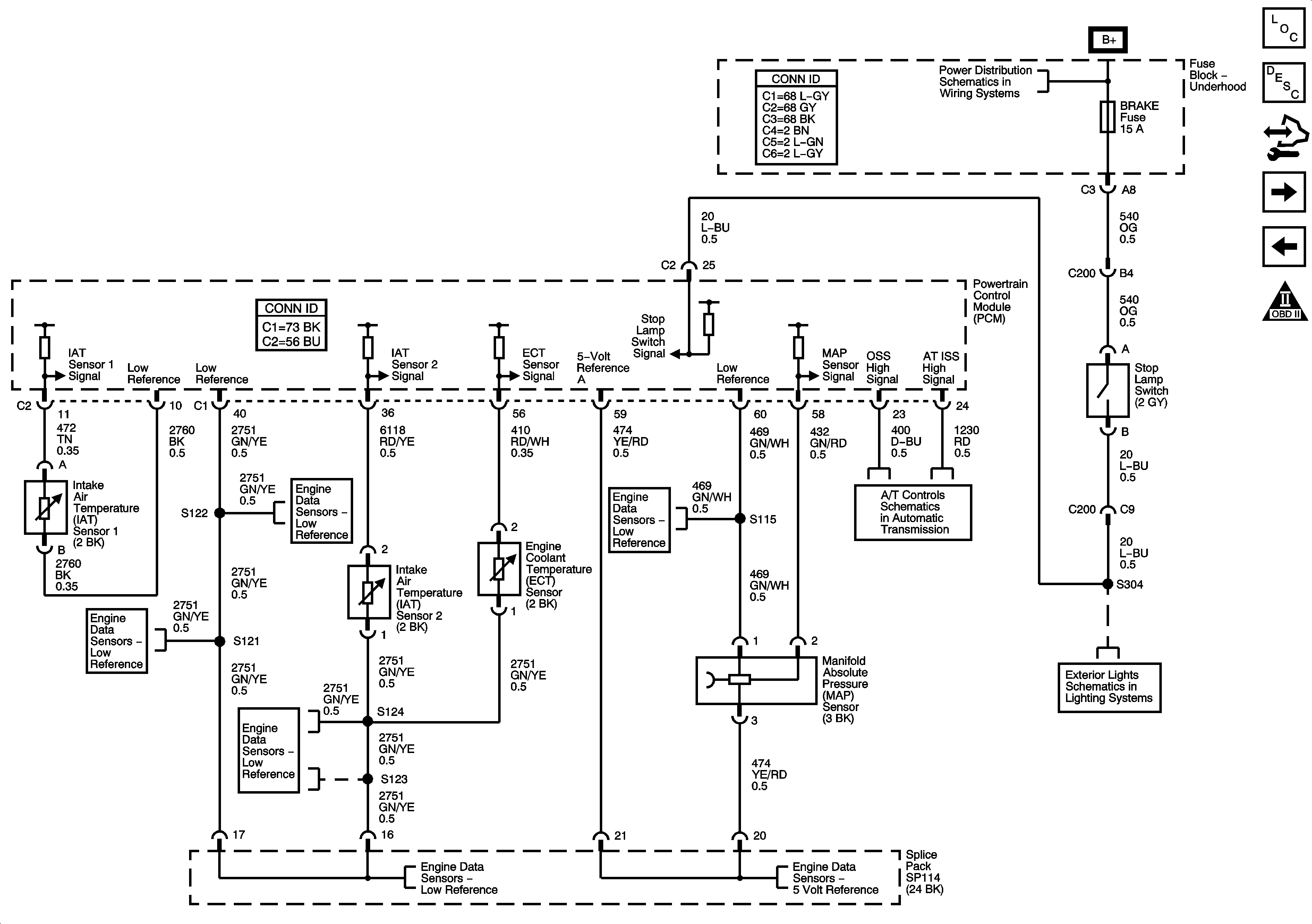
🢒 Engine Data Sensors - Pressure, Temperature and the Stop Lamp Switch
Engine Data Sensors - Pressure, Temperature and the Stop Lamp Switch
Engine Data Sensors - Pressure, Temperature and the Stop Lamp Switch
Master Electrical Component List
Powertrain Control Module Description
Control Module References
Engine Data Sensors - Bank 1 Oxygen Sensors
Low References
Engine Controls Schematic Icons
Low References
Low References
Low References
Low References
Low References
B+ Bussing and the EPS Fuse
PNP Switch Signals, OSS, ISS, IPC Indicators and PCM Communication
5-Volt References
Stop Lamps