GM Service Manual Online
For 1990-2009 cars only
Makes
🢒
Saturn
🢒
2006
🢒
VUE - FWD
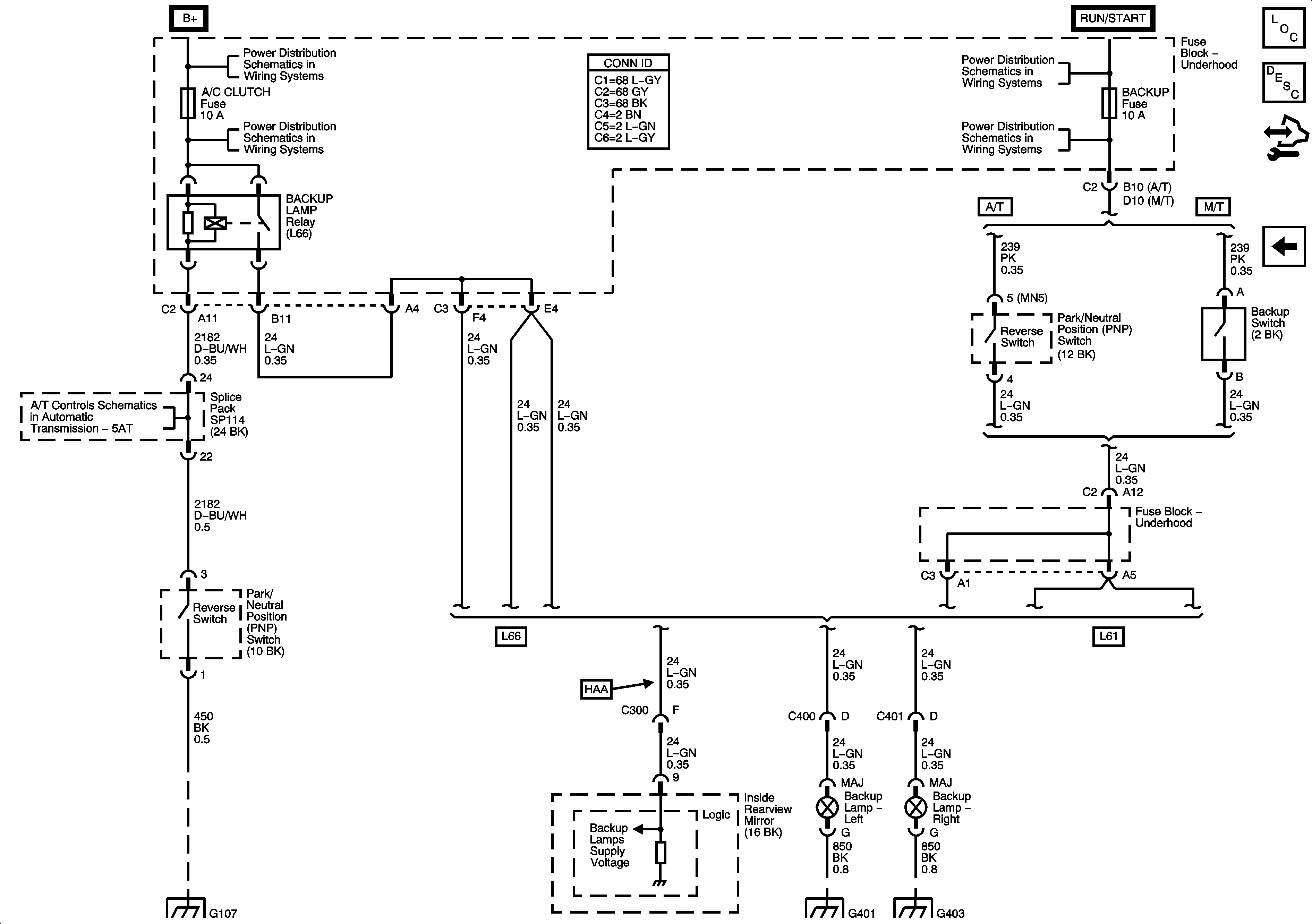
🢒 Backup Lamps
Backup Lamps
Backup Lamps
Master Electrical Component List
Exterior Lighting Systems Description and Operation
Control Module References
Stop Lamps
B+ Bussing and the EPS Fuse
B+ Bussing and the EPS Fuse
PNP Switch Signals, OSS, ISS, IPC Indicators and PCM Communication
G107 and G109 - L66
G401 and G403
G401 and G403
IGN Fuse and the Ignition Switch Circuits
BACKUP Fuse, PWR TRAIN Fuse, 10A ABS Fuse and the INJECTORS (L66) Fuse