GM Service Manual Online
For 1990-2009 cars only
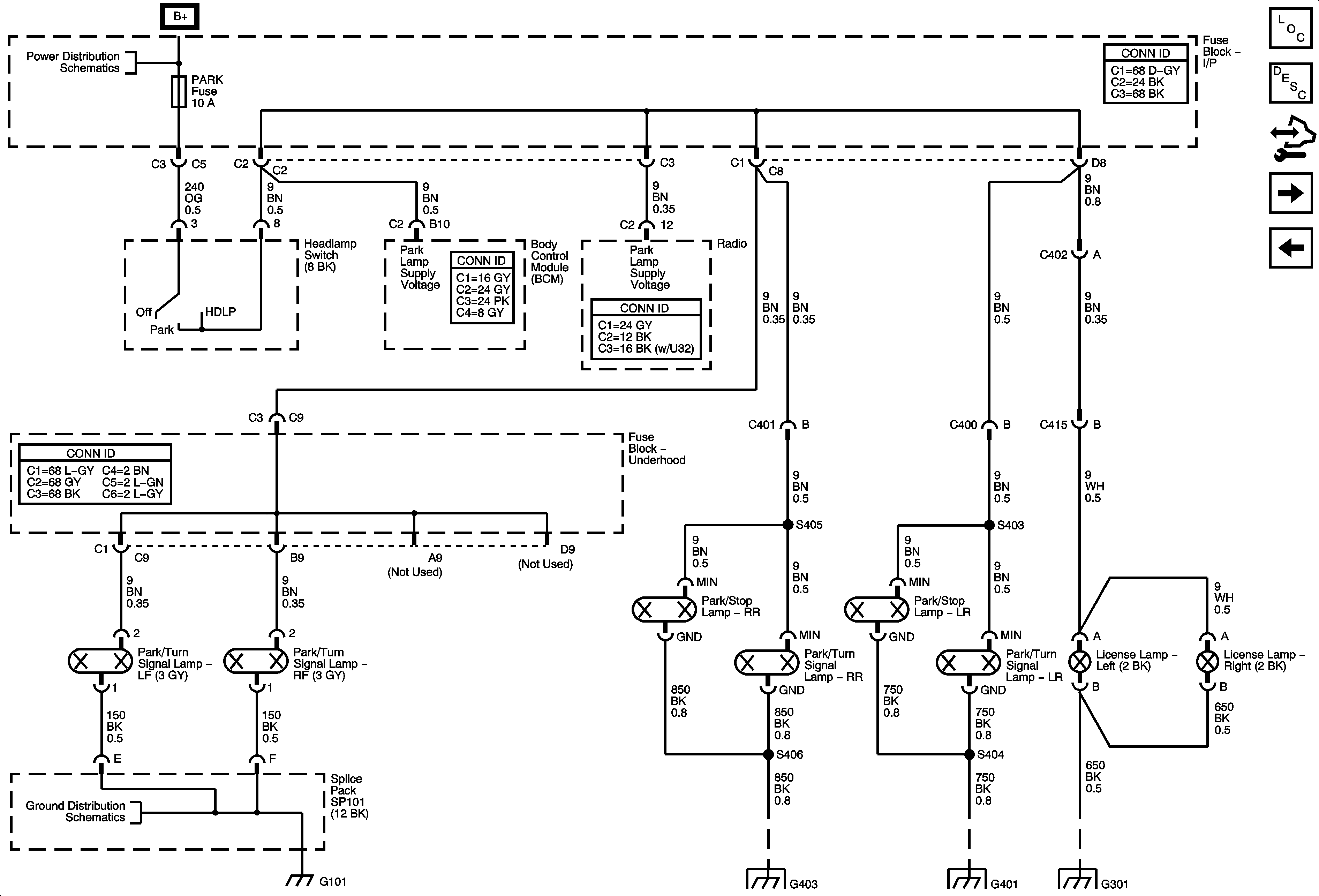
Figure 1:

Park Lamps w/ T82


Object Number: 1798430  Size: FS
Master Electrical Component List
Exterior Lighting Systems Description and Operation
Control Module References
Park Lamps - L61 w/o T82
PWR SEAT Circuit Breaker, LH HDLP, RH HDLP, BRAKE, PREM AUD, BATT FEED, and HTD SEATS Fuses
PWR SEAT Circuit Breaker, LH HDLP, RH HDLP, BRAKE, PREM AUD, BATT FEED, and HTD SEATS Fuses
w/ T82
G101
G401 and G403
G401 and G403
G301 2 of 2
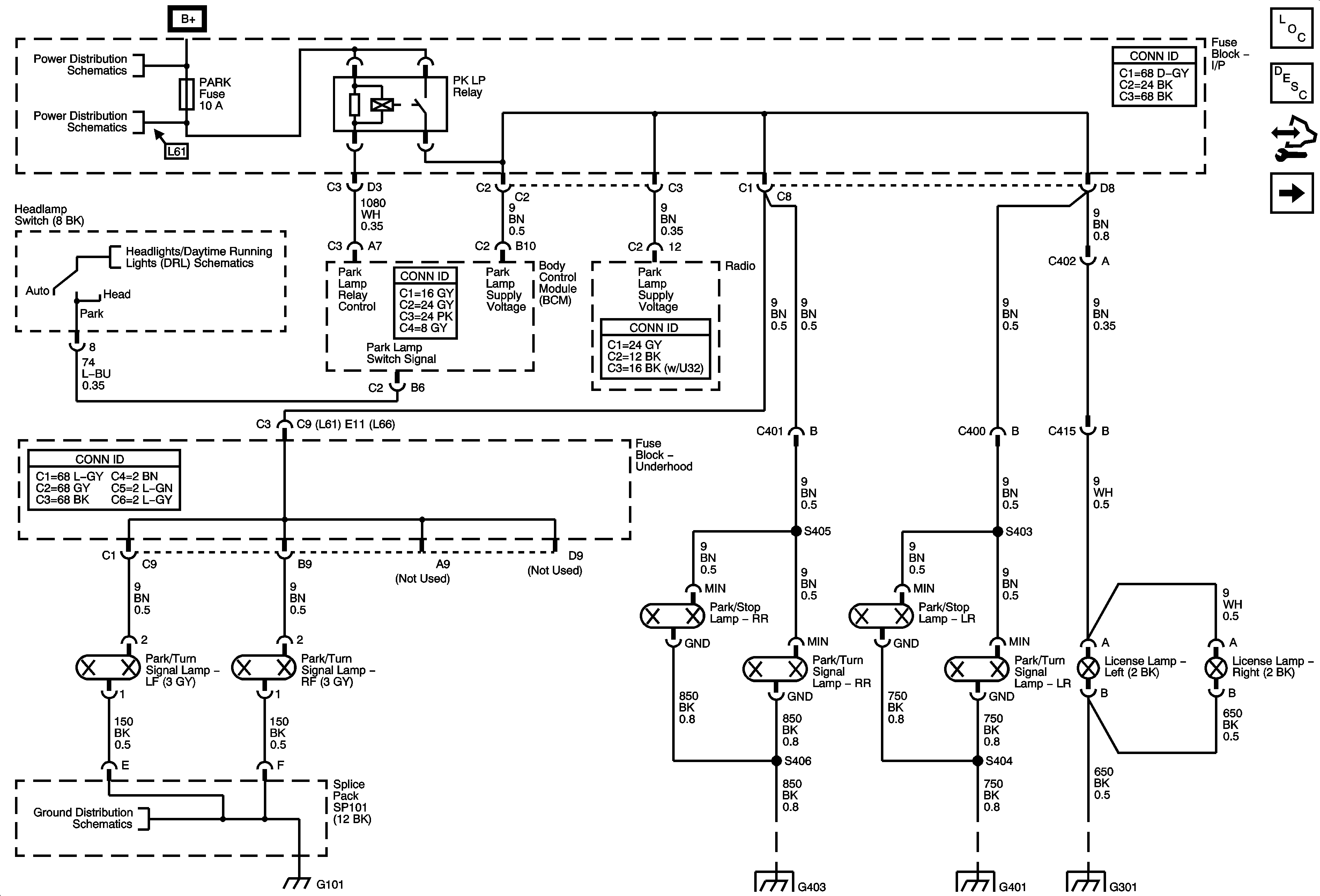
Figure 2:

Park Lamps - L61 w/o T82


Object Number: 1798454  Size: FS
Master Electrical Component List
Exterior Lighting Systems Description and Operation
Control Module References
Hazard Turn Signals
Park Lamps w/ T82
PWR SEAT Circuit Breaker, LH HDLP, RH HDLP, BRAKE, PREM AUD, BATT FEED, and HTD SEATS Fuses
G101
G401 and G403
G401 and G403
G301 2 of 2
Figure 3:

Hazard Turn Signals


Object Number: 1798461  Size: FS
Master Electrical Component List
Exterior Lighting Systems Description and Operation
Control Module References
Stop Lamps
Park Lamps - L61 w/o T82
PWR SEAT Circuit Breaker, LH HDLP, RH HDLP, BRAKE, PREM AUD, BATT FEED, and HTD SEATS Fuses
IGN Fuse and Ignition Switch Circuits
G101
G201
G401 and G403
G401 and G403
Figure 4:

Stop Lamps


Object Number: 1798496  Size: FS
Master Electrical Component List
Exterior Lighting Systems Description and Operation
Control Module References
Backup Lamps
Hazard Turn Signals
B+ Bus and EPS Fuse
G301 2 of 2
G401 and G403
G401 and G403
Figure 5:

Backup Lamps


Object Number: 1798522  Size: FS
Master Electrical Component List
Exterior Lighting Systems Description and Operation
Control Module References
Stop Lamps
B+ Bus and EPS Fuse
B+ Bus and EPS Fuse
IGN Fuse and Ignition Switch Circuits
BACKUP, PWR TRAIN, 10A ABS, and INJECTOR Fuses (Except HP7)
PNP Switch, OSS, ISS, Indicators, and PCM Communication
G107 and G109 (L66)
G401 and G403
G401 and G403