GM Service Manual Online
For 1990-2009 cars only
Makes
🢒
Saturn
🢒
2007
🢒
VUE - FWD
🢒 w/ T82
w/ T82
T82
Master Electrical Component List
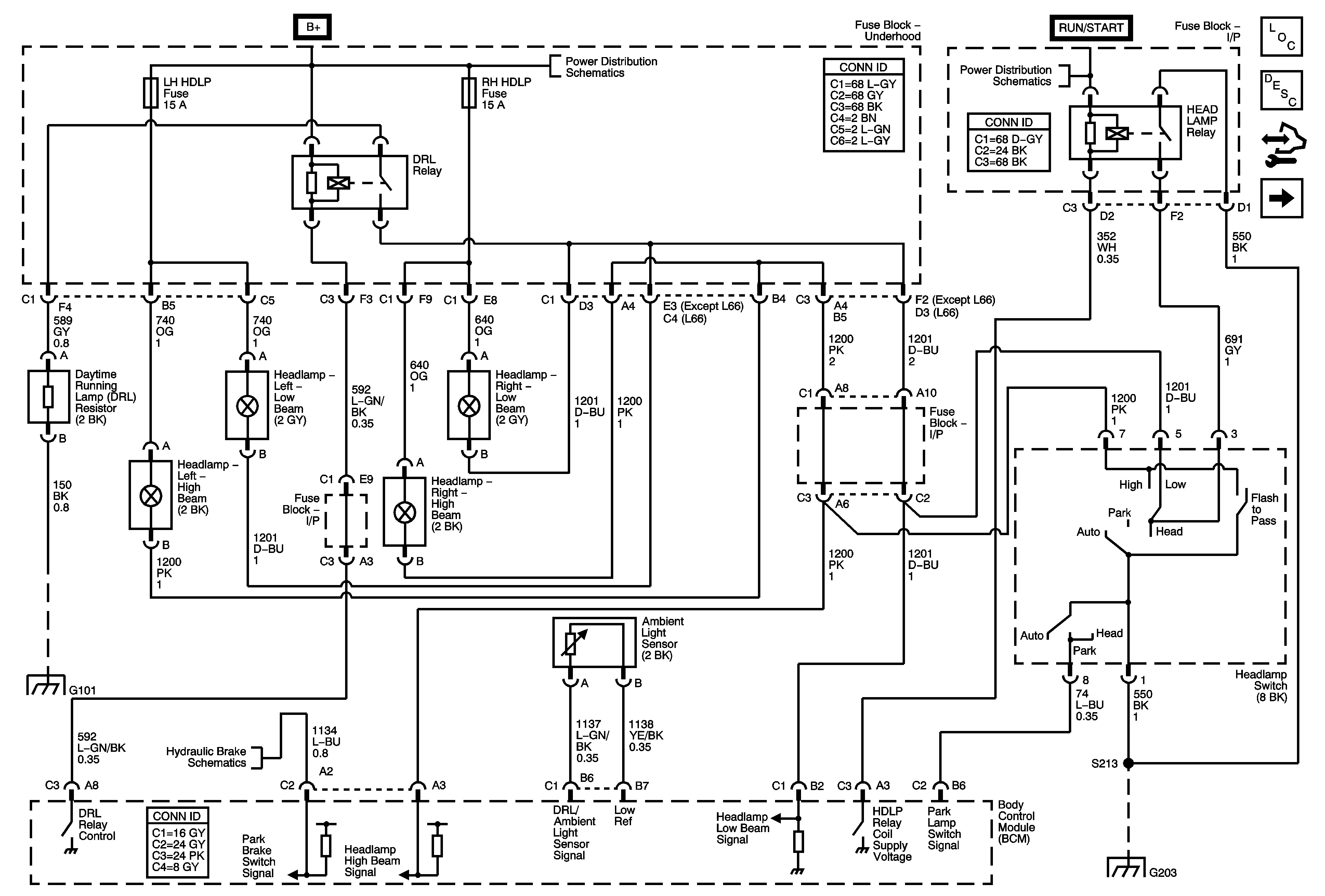
Exterior Lighting Systems Description and Operation
Control Module References
w/o T82
B+ Bus and EPS Fuse
IGN Fuse and Ignition Switch Circuits
G101
Brake Warning System
G203 and G205